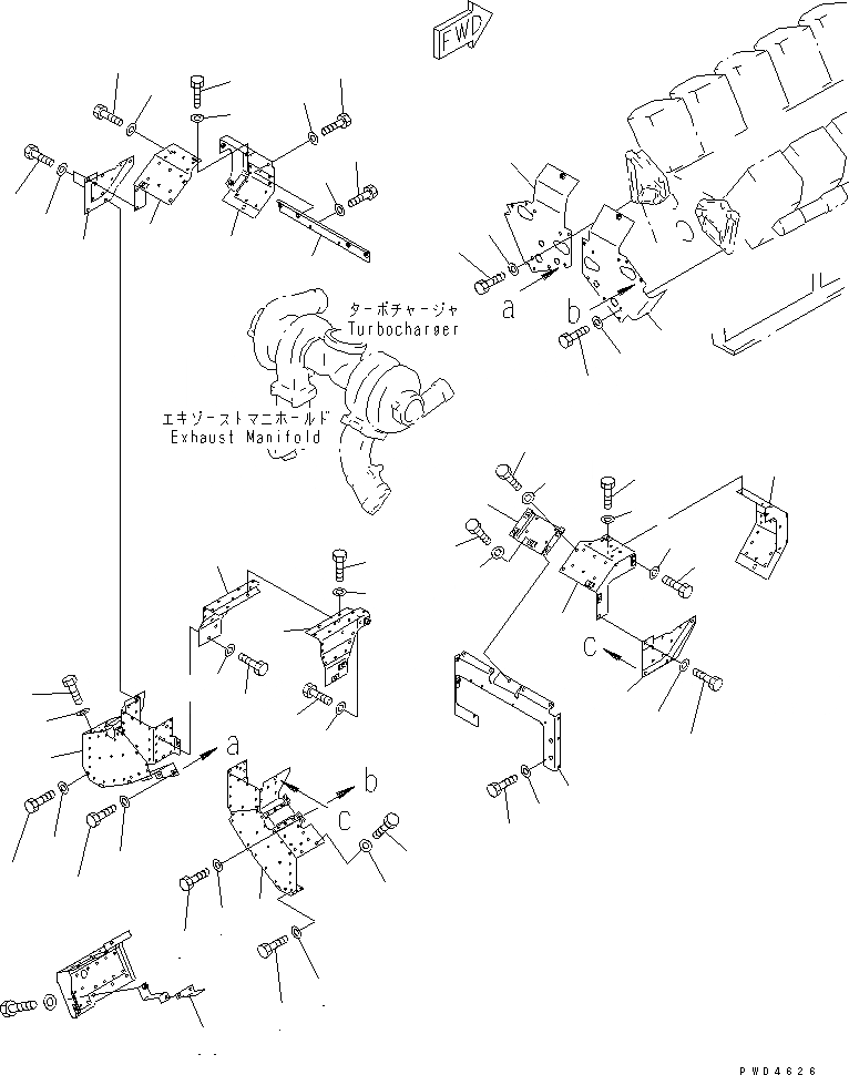
Запчасти Komatsu SA12V170-1D-A ТУРБОНАГНЕТАТЕЛЬ КРЫШКА(ДЛЯ ЯПОН.)(№7-9) ДВИГАТЕЛЬ

Схема запчастей Komatsu SA12V170-1D-A - ТУРБОНАГНЕТАТЕЛЬ КРЫШКА(ДЛЯ ЯПОН.)(№7-9) ДВИГАТЕЛЬ
1
2
3
3
4
4
5
6
7
7
8
8
9
10
11
12
13
14
15
16
16
17
17
18
19
19
19
19
20
20
20
20
21
22
22
23
23
24
25
26
26
26
27
27
27
28
29
30
31
32
33
34
34
35
35
36
37
38
39
40
1
2
3
3
4
4
5
6
7
7
8
8
9
10
11
12
13
14
15
16
16
17
17
18
19
19
19
19
20
20
20
20
21
22
22
23
23
24
25
26
26
26
27
27
27
28
29
30
31
32
33
34
34
35
35
36
37
38
39
40
FIT
1:1
100%

Артикул

Название

Примечание

Количество

1

6166-11-8741

COVER,L.H.

SN: 10173-10192

1шт.

2

6166-11-8730

COVER,R.H.

SN: 10173-10192

1шт.

3

01010-E1020

BOLT

SN: 10173-10192

12шт.

4

01643-31032

WASHER

SN: 10173-10192

12шт.

5

6166-11-9314

COVER,L.H.

SN: 10173-10192

1шт.

6

6166-11-9324

COVER,R.H.

SN: 10173-10192

1шт.

7

01010-E1020

BOLT

SN: 10173-10192

2шт.

8

01643-31032

WASHER

SN: 10173-10192

2шт.

9

6166-11-9644

COVER

SN: 10173-10192

1шт.

10

01010-E0825

BOLT

SN: 10173-10192

6шт.

11

01643-30823

WASHER

SN: 10173-10192

6шт.

12

6166-11-9663

COVER,L.H.

SN: 10173-10192

1шт.

13

01010-E1020

BOLT

SN: 10173-10192

2шт.

14

01643-31032

WASHER

SN: 10173-10192

2шт.

15

6166-11-9373

COVER,L.H.

SN: 10173-10192

1шт.

16

01010-E1020

BOLT

SN: 10173-10192

5шт.

17

01643-31032

WASHER

SN: 10173-10192

5шт.

18

6166-11-9351

COVER,L.H.

SN: 10173-10192

1шт.

19

01010-E1020

BOLT

SN: 10173-10192

12шт.

20

01643-31032

WASHER

SN: 10173-10192

12шт.

21

6166-11-9672

COVER,R.H.

SN: 10173-10192

1шт.

22

01010-E1020

BOLT

SN: 10173-10192

8шт.

23

01643-31032

WASHER

SN: 10173-10192

8шт.

24

6166-11-9383

COVER,R.H.

SN: 10173-10192

1шт.

25

6166-11-9362

COVER,R.H.

SN: 10173-10192

1шт.

26

01010-E1020

BOLT

SN: 10173-10192

8шт.

27

01643-31032

WASHER

SN: 10173-10192

8шт.

28

6166-11-9680

COVER

SN: 10173-10192

1шт.

29

6166-11-9652

COVER

SN: 10173-10192

1шт.

30

6166-11-8710

COVER

SN: 10173-10192

1шт.

31

6166-11-8720

COVER

SN: 10173-10192

1шт.

32

01010-E1025

BOLT

SN: 10173-10192

2шт.

33

01643-31032

WASHER

SN: 10173-10192

2шт.

34

01010-E1020

BOLT

SN: 10173-10192

6шт.

35

01643-31032

WASHER

SN: 10173-10192

6шт.

36

6166-11-8750

COVER

SN: 10173-10192

1шт.

37

01010-E1025

BOLT

SN: 10173-10192

3шт.

38

01643-31032

WASHER

SN: 10173-10192

3шт.

39

01010-E1020

BOLT

SN: 10173-10192

3шт.

40

01643-31032

WASHER

SN: 10173-10192

3шт.

1

6166-11-8741

COVER,L.H.

SN: 10173-10192

1шт.

2

6166-11-8730

COVER,R.H.

SN: 10173-10192

1шт.

3

01010-E1020

BOLT

SN: 10173-10192

12шт.

4

01643-31032

WASHER

SN: 10173-10192

12шт.

5

6166-11-9314

COVER,L.H.

SN: 10173-10192

1шт.

6

6166-11-9324

COVER,R.H.

SN: 10173-10192

1шт.

7

01010-E1020

BOLT

SN: 10173-10192

2шт.

8

01643-31032

WASHER

SN: 10173-10192

2шт.

9

6166-11-9644

COVER

SN: 10173-10192

1шт.

10

01010-E0825

BOLT

SN: 10173-10192

6шт.

11

01643-30823

WASHER

SN: 10173-10192

6шт.

12

6166-11-9663

COVER,L.H.

SN: 10173-10192

1шт.

13

01010-E1020

BOLT

SN: 10173-10192

2шт.

14

01643-31032

WASHER

SN: 10173-10192

2шт.

15

6166-11-9373

COVER,L.H.

SN: 10173-10192

1шт.

16

01010-E1020

BOLT

SN: 10173-10192

5шт.

17

01643-31032

WASHER

SN: 10173-10192

5шт.

18

6166-11-9351

COVER,L.H.

SN: 10173-10192

1шт.

19

01010-E1020

BOLT

SN: 10173-10192

12шт.

20

01643-31032

WASHER

SN: 10173-10192

12шт.

21

6166-11-9672

COVER,R.H.

SN: 10173-10192

1шт.

22

01010-E1020

BOLT

SN: 10173-10192

8шт.

23

01643-31032

WASHER

SN: 10173-10192

8шт.

24

6166-11-9383

COVER,R.H.

SN: 10173-10192

1шт.

25

6166-11-9362

COVER,R.H.

SN: 10173-10192

1шт.

26

01010-E1020

BOLT

SN: 10173-10192

8шт.

27

01643-31032

WASHER

SN: 10173-10192

8шт.

28

6166-11-9680

COVER

SN: 10173-10192

1шт.

29

6166-11-9652

COVER

SN: 10173-10192

1шт.

30

6166-11-8710

COVER

SN: 10173-10192

1шт.

31

6166-11-8720

COVER

SN: 10173-10192

1шт.

32

01010-E1025

BOLT

SN: 10173-10192

2шт.

33

01643-31032

WASHER

SN: 10173-10192

2шт.

34

01010-E1020

BOLT

SN: 10173-10192

6шт.

35

01643-31032

WASHER

SN: 10173-10192

6шт.

36

6166-11-8750

COVER

SN: 10173-10192

1шт.

37

01010-E1025

BOLT

SN: 10173-10192

3шт.

38

01643-31032

WASHER

SN: 10173-10192

3шт.

39

01010-E1020

BOLT

SN: 10173-10192

3шт.

40

01643-31032

WASHER

SN: 10173-10192

3шт.

Выбрано товаров: 80