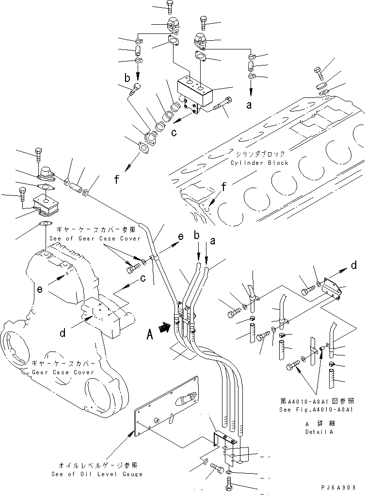
Запчасти Komatsu SA12V170-1D САПУН И ТРУБЫ(№97-) ДВИГАТЕЛЬ

Схема запчастей Komatsu SA12V170-1D - САПУН И ТРУБЫ(№97-) ДВИГАТЕЛЬ
1
1
1
2
2
2
3
4
5
5
6
7
8
8
9
10
11
12
13
13
14
15
16
17
18
19
20
20
21
21
21
21
22
22
22
23
23
23
23
23
23
24
25
25
25
26
27
27
27
28
28
28
29
29
29
29
30
30
30
31
32
33
1
1
1
2
2
2
3
4
5
5
6
7
8
8
9
10
11
12
13
13
14
15
16
17
18
19
20
20
21
21
21
21
22
22
22
23
23
23
23
23
23
24
25
25
25
26
27
27
27
28
28
28
29
29
29
29
30
30
30
31
32
33
FIT
1:1
100%

Артикул

Название

Примечание

Количество

1

6212-25-8710

BREATHER

SN: 10024-UP

3шт.

2

6167-21-8810

GASKET (K2)

SN: 10024-UP

3шт.

3

6166-21-3712

CONNECTOR

SN: 10097-UP

1шт.

4

6110-63-2811

GASKET (K2)

SN: 10097-UP

1шт.

5

01010-81025

BOLT

SN: 10024-UP

4шт.

6

6166-21-3611

CONNECTOR

SN: 10097-UP

1шт.

7

01011-81000

BOLT

SN: 10024-UP

4шт.

8

01010-81025

BOLT

SN: 10024-UP

4шт.

9

6166-21-3630

CONNECTOR

SN: 10024-UP

1шт.

10

6136-21-5780

GASKET (K2)

SN: 10074-UP

1шт.

|10

0

GASKET (K2)

SN: 10024-10073

1шт.

11

01010-81025

BOLT

SN: 10024-UP

2шт.

12

6150-21-6530

HOSE

SN: 10024-UP

1шт.

13

07281-00549

CLAMP

SN: 10024-UP

2шт.

14

6166-21-3681

BRACKET

SN: 10097-UP

1шт.

15

01010-81020

BOLT

SN: 10024-UP

2шт.

16

01643-31032

WASHER

SN: 10024-UP

2шт.

17

6166-21-3691

BRACKET

SN: 10097-UP

1шт.

18

01010-81025

BOLT

SN: 10097-UP

2шт.

19

01643-31032

WASHER

SN: 10097-UP

2шт.

20

6166-21-3751

TUBE

SN: 10097-UP

1шт.

21

6166-21-3760

TUBE

SN: 10024-UP

2шт.

22

6162-54-8860

HOSE

SN: 10024-UP

3шт.

23

07281-00419

CLAMP

SN: 10097-UP

6шт.

24

04434-52512

CLIP

SN: 10024-UP

1шт.

25

04434-52511

CLIP

SN: 10024-UP

3шт.

26

6710-21-7640

CLIP

SN: 10024-UP

3шт.

27

01010-81025

BOLT

SN: 10097-UP

4шт.

28

01643-31032

WASHER

SN: 10097-UP

4шт.

29

07287-02612

HOSE

SN: 10155-UP

3шт.

|29

0

HOSE

SN: 10097-10154

3шт.

30

07285-00260

CLIP

SN: 10166-UP

3шт.

|30

0

CLIP

SN: 10024-10165

3шт.

31

6136-21-5710

PLATE

SN: 10024-UP

1шт.

32

6136-21-5780

GASKET (K2)

SN: 10074-UP

1шт.

|32

0

GASKET (K2)

SN: 10024-10073

1шт.

33

01010-81020

BOLT

SN: 10024-UP

2шт.

1

6212-25-8710

BREATHER

SN: 10024-UP

3шт.

2

6167-21-8810

GASKET (K2)

SN: 10024-UP

3шт.

3

6166-21-3712

CONNECTOR

SN: 10097-UP

1шт.

4

6110-63-2811

GASKET (K2)

SN: 10097-UP

1шт.

5

01010-81025

BOLT

SN: 10024-UP

4шт.

6

6166-21-3611

CONNECTOR

SN: 10097-UP

1шт.

7

01011-81000

BOLT

SN: 10024-UP

4шт.

8

01010-81025

BOLT

SN: 10024-UP

4шт.

9

6166-21-3630

CONNECTOR

SN: 10024-UP

1шт.

10

6136-21-5780

GASKET (K2)

SN: 10074-UP

1шт.

|10

0

GASKET (K2)

SN: 10024-10073

1шт.

11

01010-81025

BOLT

SN: 10024-UP

2шт.

12

6150-21-6530

HOSE

SN: 10024-UP

1шт.

13

07281-00549

CLAMP

SN: 10024-UP

2шт.

14

6166-21-3681

BRACKET

SN: 10097-UP

1шт.

15

01010-81020

BOLT

SN: 10024-UP

2шт.

16

01643-31032

WASHER

SN: 10024-UP

2шт.

17

6166-21-3691

BRACKET

SN: 10097-UP

1шт.

18

01010-81025

BOLT

SN: 10097-UP

2шт.

19

01643-31032

WASHER

SN: 10097-UP

2шт.

20

6166-21-3751

TUBE

SN: 10097-UP

1шт.

21

6166-21-3760

TUBE

SN: 10024-UP

2шт.

22

6162-54-8860

HOSE

SN: 10024-UP

3шт.

23

07281-00419

CLAMP

SN: 10097-UP

6шт.

24

04434-52512

CLIP

SN: 10024-UP

1шт.

25

04434-52511

CLIP

SN: 10024-UP

3шт.

26

6710-21-7640

CLIP

SN: 10024-UP

3шт.

27

01010-81025

BOLT

SN: 10097-UP

4шт.

28

01643-31032

WASHER

SN: 10097-UP

4шт.

29

07287-02612

HOSE

SN: 10155-UP

3шт.

|29

0

HOSE

SN: 10097-10154

3шт.

30

07285-00260

CLIP

SN: 10166-UP

3шт.

|30

0

CLIP

SN: 10024-10165

3шт.

31

6136-21-5710

PLATE

SN: 10024-UP

1шт.

32

6136-21-5780

GASKET (K2)

SN: 10074-UP

1шт.

|32

0

GASKET (K2)

SN: 10024-10073

1шт.

33

01010-81020

BOLT

SN: 10024-UP

2шт.

Выбрано товаров: 74