Запчасти Komatsu D575A-3-M ОСНОВН. РАМА ОСНОВН. РАМА И КОМПОНЕНТЫ

Схема запчастей Komatsu D575A-3-M - ОСНОВН. РАМА ОСНОВН. РАМА И КОМПОНЕНТЫ
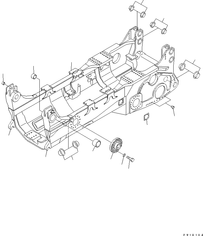
1
2
2
3
4
4
5
6
7
8
9
10
11
12
13
FIT
1:1
100%

Артикул

Название

Примечание

Количество

|1

19M-21-00231

FRAME ASS'Y

SN: 10104-UP

1шт.

|1

0

FRAME ASS'Y

SN: (10101-10103)

1шт.

1

19M-21-21103

FRAME ASS'Y

SN: 10104-UP

1шт.

|1

0

FRAME ASS'Y

SN: (10101-10103)

1шт.

2

19M-21-11151

HOOK (WELDED)

SN: 10101-UP

2шт.

3

19M-50-11390

BUSHING

SN: 10101-UP

2шт.

4

19M-78-11251

BUSHING

SN: 10101-UP

8шт.

5

19M-50-11290

BUSHING

SN: 10101-UP

4шт.

6

07049-03645

PLUG

SN: 10101-UP

4шт.

7

12G-54-51230

SHEET

SN: 10101-UP

2шт.

8

19M-54-11161

BUSHING

SN: 10101-UP

4шт.

9

19M-61-11140

BUSHING

SN: 10101-UP

2шт.

10

19M-61-11150

BUSHING

SN: 10101-UP

2шт.

11

19M-61-29131

SHAFT

SN: 10101-UP

2шт.

12

01010-83690

BOLT

SN: 10101-UP

24шт.

13

01643-33690

WASHER

SN: 10101-UP

24шт.

Выбрано товаров: 0