Запчасти Komatsu SA12V170E-2A САПУН И ТРУБЫ ДВИГАТЕЛЬ

Схема запчастей Komatsu SA12V170E-2A - САПУН И ТРУБЫ ДВИГАТЕЛЬ
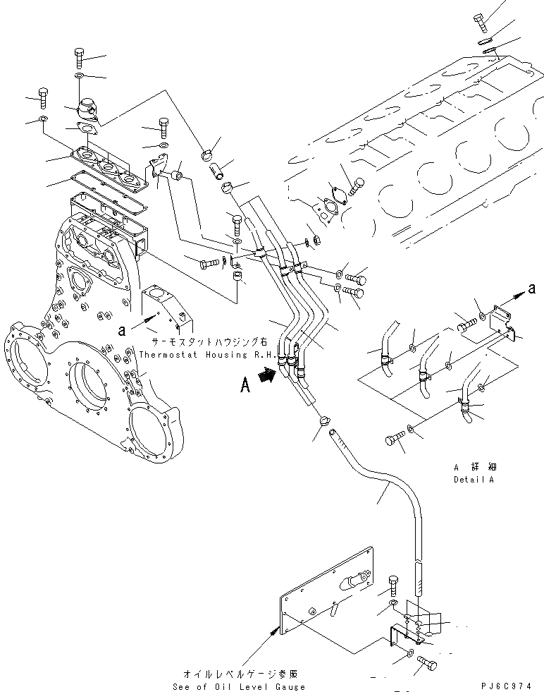
1
2
3
4
5
5
6
6
7
7
8
9
9
10
11
12
13
14
15
16
17
18
19
20
20
20
20
21
22
23
24
24
24
24
24
24
24
24
24
24
24
25
26
27
28
29
29
30
30
31
31
32
33
34
35
36
37
1
2
3
4
5
5
6
6
7
7
8
9
9
10
11
12
13
14
15
16
17
18
19
20
20
20
20
21
22
23
24
24
24
24
24
24
24
24
24
24
24
25
26
27
28
29
29
30
30
31
31
32
33
34
35
36
37
FIT
1:1
100%

Артикул

Название

Примечание

Количество

1

6212-25-8710

BREATHER

SN: 10196-UP

3шт.

2

6167-21-8810

GASKET (K2)

SN: 10196-UP

3шт.

3

01010-81025

BOLT

SN: 10196-UP

6шт.

4

01643-31032

WASHER

SN: 10196-UP

6шт.

5

6166-25-3770

TUBE,BREATHER

SN: 10196-UP

1шт.

6

6166-25-3860

TUBE,BREATHER

SN: 10196-UP

1шт.

7

6166-25-3750

TUBE,BREATHER

SN: 10196-UP

1шт.

8

6162-54-8860

HOSE

SN: 10196-UP

3шт.

9

07281-00419

CLAMP

SN: 10196-UP

6шт.

10

6166-25-3780

BRACKET

SN: 10196-UP

1шт.

11

01010-81035

BOLT

SN: 10196-UP

2шт.

12

01643-31032

WASHER

SN: 10196-UP

2шт.

13

6166-25-3790

BRACKET

SN: 10196-UP

1шт.

14

01010-81025

BOLT

SN: 10196-UP

2шт.

15

01643-31032

WASHER

SN: 10196-UP

2шт.

16

6166-21-3691

BRACKET

SN: 10196-UP

1шт.

17

6710-21-7640

CLIP

SN: 10196-UP

3шт.

18

04434-53411

CLIP

SN: 10196-UP

6шт.

19

07095-20625

CUSHION

SN: 10196-UP

6шт.

20

01010-81025

BOLT

SN: 10196-UP

8шт.

21

01010-81030

BOLT

SN: 10196-UP

4шт.

22

01010-81050

BOLT

SN: 10196-UP

1шт.

23

01010-81020

BOLT

SN: 10196-UP

1шт.

24

01643-31032

WASHER

SN: 10196-UP

17шт.

25

01580-11008

NUT

SN: 10196-UP

1шт.

26

205-54-51420

COLLAR

SN: 10196-UP

1шт.

27

07287-02612

HOSE

SN: 10196-UP

3шт.

28

07281-00419

CLAMP

SN: 10196-UP

3шт.

29

6136-21-5710

PLATE

SN: 10196-UP

2шт.

30

6136-21-5780

GASKET

SN: 10196-UP

2шт.

31

01010-81020

BOLT

SN: 10196-UP

4шт.

32

6210-81-5560

BRACKET

SN: 10196-UP

1шт.

33

6151-71-9710

SPACER

SN: 10196-UP

1шт.

34

01010-81235

BOLT

SN: 10196-UP

1шт.

35

01643-31232

WASHER

SN: 10196-UP

1шт.

36

6166-73-3350

BRACKET

SN: 10196-UP

1шт.

37

6165-71-3371

GASKET (K2)

SN: 10196-UP

1шт.

1

6212-25-8710

BREATHER

SN: 10196-UP

3шт.

2

6167-21-8810

GASKET (K2)

SN: 10196-UP

3шт.

3

01010-81025

BOLT

SN: 10196-UP

6шт.

4

01643-31032

WASHER

SN: 10196-UP

6шт.

5

6166-25-3770

TUBE,BREATHER

SN: 10196-UP

1шт.

6

6166-25-3860

TUBE,BREATHER

SN: 10196-UP

1шт.

7

6166-25-3750

TUBE,BREATHER

SN: 10196-UP

1шт.

8

6162-54-8860

HOSE

SN: 10196-UP

3шт.

9

07281-00419

CLAMP

SN: 10196-UP

6шт.

10

6166-25-3780

BRACKET

SN: 10196-UP

1шт.

11

01010-81035

BOLT

SN: 10196-UP

2шт.

12

01643-31032

WASHER

SN: 10196-UP

2шт.

13

6166-25-3790

BRACKET

SN: 10196-UP

1шт.

14

01010-81025

BOLT

SN: 10196-UP

2шт.

15

01643-31032

WASHER

SN: 10196-UP

2шт.

16

6166-21-3691

BRACKET

SN: 10196-UP

1шт.

17

6710-21-7640

CLIP

SN: 10196-UP

3шт.

18

04434-53411

CLIP

SN: 10196-UP

6шт.

19

07095-20625

CUSHION

SN: 10196-UP

6шт.

20

01010-81025

BOLT

SN: 10196-UP

8шт.

21

01010-81030

BOLT

SN: 10196-UP

4шт.

22

01010-81050

BOLT

SN: 10196-UP

1шт.

23

01010-81020

BOLT

SN: 10196-UP

1шт.

24

01643-31032

WASHER

SN: 10196-UP

17шт.

25

01580-11008

NUT

SN: 10196-UP

1шт.

26

205-54-51420

COLLAR

SN: 10196-UP

1шт.

27

07287-02612

HOSE

SN: 10196-UP

3шт.

28

07281-00419

CLAMP

SN: 10196-UP

3шт.

29

6136-21-5710

PLATE

SN: 10196-UP

2шт.

30

6136-21-5780

GASKET

SN: 10196-UP

2шт.

31

01010-81020

BOLT

SN: 10196-UP

4шт.

32

6210-81-5560

BRACKET

SN: 10196-UP

1шт.

33

6151-71-9710

SPACER

SN: 10196-UP

1шт.

34

01010-81235

BOLT

SN: 10196-UP

1шт.

35

01643-31232

WASHER

SN: 10196-UP

1шт.

36

6166-73-3350

BRACKET

SN: 10196-UP

1шт.

37

6165-71-3371

GASKET (K2)

SN: 10196-UP

1шт.

Выбрано товаров: 0