Запчасти Komatsu D575A-3 ГИДРОЛИНИЯ (ГИДРОЛИНИЯ РЫХЛИТЕЛЯ)(ЛЕВ.)(№-) ГИДРАВЛИКА

Схема запчастей Komatsu D575A-3 - ГИДРОЛИНИЯ (ГИДРОЛИНИЯ РЫХЛИТЕЛЯ)  (ЛЕВ.)(№-) ГИДРАВЛИКА
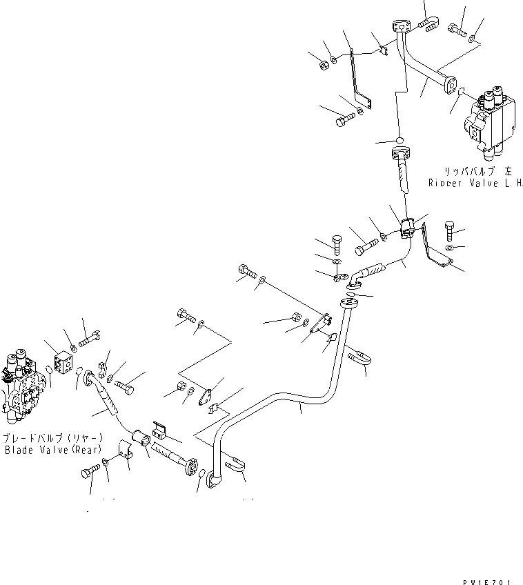
1
2
3
4
5
6
6
7
7
8
9
10
11
12
13
14
15
16
17
18
19
20
21
22
23
24
25
26
27
28
29
30
30
31
32
33
34
35
36
37
38
39
40
41
42
43
44
45
46
47
48
49
50
51
FIT
1:1
100%

Артикул

Название

Примечание

Количество

1

19M-61-13820

BLOCK

SN: 10105-UP

1шт.

2

07000-F3048

O-RING

SN: 10105-UP

1шт.

3

01011-81205

BOLT

SN: 10105-UP

4шт.

4

01643-31232

WASHER

SN: 10105-UP

4шт.

5

07097-01413

HOSE

SN: 10105-UP

1шт.

6

07000-F3048

O-RING

SN: 10105-UP

2шт.

7

07094-11432

CLAMP

SN: 10105-UP

2шт.

8

07095-01453

CUSHION

SN: 10105-UP

1шт.

9

01010-81290

BOLT

SN: 10105-UP

2шт.

10

01643-31232

WASHER

SN: 10105-UP

2шт.

11

07371-51470

FLANGE

SN: 10105-UP

4шт.

12

01010-81455

BOLT

SN: 10105-UP

8шт.

13

01643-31445

WASHER

SN: 10105-UP

8шт.

14

19M-61-36190

TUBE

SN: 10105-UP

1шт.

15

19M-61-36270

PLATE

SN: 10105-UP

1шт.

16

01010-81230

BOLT

SN: 10105-UP

2шт.

17

01643-31232

WASHER

SN: 10105-UP

2шт.

18

07283-54353

SEAT

SN: 10105-UP

1шт.

19

07283-34354

CLIP

SN: 10105-UP

1шт.

20

01597-01009

NUT

SN: 10105-UP

2шт.

21

01643-31032

WASHER

SN: 10105-UP

2шт.

22

19M-61-36370

PLATE

SN: 10105-UP

1шт.

23

01010-81265

BOLT

SN: 10105-UP

2шт.

24

01643-31232

WASHER

SN: 10105-UP

2шт.

25

07283-54353

SEAT

SN: 10105-UP

1шт.

26

07283-34354

CLIP

SN: 10105-UP

1шт.

27

01597-01009

NUT

SN: 10105-UP

2шт.

28

01643-31032

WASHER

SN: 10105-UP

2шт.

29

07098-01415

HOSE

SN: 10105-UP

1шт.

30

07000-F3048

O-RING

SN: 10105-UP

2шт.

31

07371-51470

FLANGE

SN: 10105-UP

4шт.

32

01010-81455

BOLT

SN: 10105-UP

8шт.

33

01643-31445

WASHER

SN: 10105-UP

8шт.

34

19M-61-36230

BRACKET

SN: 10105-UP

1шт.

35

01010-81230

BOLT

SN: 10105-UP

2шт.

36

01643-31232

WASHER

SN: 10105-UP

2шт.

37

07094-11432

CLAMP

SN: 10105-UP

2шт.

38

07095-01453

CUSHION

SN: 10105-UP

1шт.

39

01010-81290

BOLT

SN: 10105-UP

2шт.

40

01643-31232

WASHER

SN: 10105-UP

2шт.

41

19M-61-36170

TUBE

SN: 10105-UP

1шт.

42

07000-F3048

O-RING

SN: 10105-UP

1шт.

43

01010-81455

BOLT

SN: 10105-UP

4шт.

44

01643-31445

WASHER

SN: 10105-UP

4шт.

45

19M-61-36380

PLATE

SN: 10105-UP

1шт.

46

01010-81230

BOLT

SN: 10105-UP

2шт.

47

01643-31232

WASHER

SN: 10105-UP

2шт.

48

07283-34354

CLIP

SN: 10105-UP

1шт.

49

07283-54353

SEAT

SN: 10105-UP

1шт.

50

01597-01009

NUT

SN: 10105-UP

2шт.

51

01643-31032

WASHER

SN: 10105-UP

2шт.

Выбрано товаров: 51