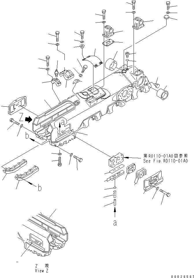
Запчасти Komatsu D575A-3 ГУСЕНИЧНАЯ РАМА ЛЕВ. (С РЫХЛИТЕЛЕМ) ХОДОВАЯ

Схема запчастей Komatsu D575A-3 - ГУСЕНИЧНАЯ РАМА ЛЕВ. (С РЫХЛИТЕЛЕМ) ХОДОВАЯ
1
1
2
2
3
4
5
6
7
8
8
9
10
11
12
12
13
14
15
16
17
18
19
20
21
22
23
24
25
26
27
28
29
30
31
32
33
34
35
36
37
38
39
40
41
42
43
44
45
46
47
48
FIT
1:1
100%

Артикул

Название

Примечание

Количество

1

19M-30-11111

FRAME

SN: 10101-UP

1шт.

2

19M-30-11331

PLATE (WELDED)

SN: 10101-UP

2шт.

2

198-30-11131

PLATE (WELDED)

SN: 10101-UP

2шт.

3

19M-31-11121

BUSHING

SN: 10101-UP

1шт.

4

19M-31-11131

BUSHING

SN: 10101-UP

1шт.

5

19M-30-24350

COVER

SN: 10101-UP

1шт.

6

01010-81230

BOLT

SN: 10101-UP

4шт.

7

01643-31232

WASHER

SN: 10101-UP

4шт.

8

19M-30-15130

SUPPORT

SN: 10101-UP

2шт.

9

19M-30-14510

PLATE

SN: 10101-UP

1шт.

10

01010-82480

BOLT

SN: 10101-UP

4шт.

11

01010-82495

BOLT

SN: 10101-UP

4шт.

12

01643-32460

WASHER

SN: 10101-UP

8шт.

13

19M-30-11651

PLATE

SN: 10101-UP

2шт.

14

19M-30-11662

SHIM, 1.0MM

SN: 10101-UP

8шт.

15

19M-30-11730

PLATE

SN: 10101-UP

8шт.

16

155-30-13230

SPRING

SN: 10101-UP

8шт.

17

19M-30-11490

SPACER

SN: 10101-UP

8шт.

18

01016-52070

BOLT

SN: 10101-UP

8шт.

19

01643-32060

WASHER

SN: 10101-UP

8шт.

20

19M-30-11590

SPACER

SN: 10101-UP

2шт.

21

19M-30-00070

SHIM ASS'Y

SN: 10101-UP

1шт.

21

19M-30-11610

SHIM, 1.0MM

SN: 10101-UP

24шт.

21

19M-30-11620

SHIM, 0.5MM

SN: 10101-UP

4шт.

22

19M-30-11570

PLATE

SN: 10101-UP

1шт.

23

19M-30-11580

PLATE

SN: 10101-UP

1шт.

24

01011-83025

BOLT

SN: 10101-UP

12шт.

25

01643-33080

WASHER

SN: 10101-UP

12шт.

26

19M-30-11372

PLATE

SN: 10101-UP

1шт.

27

01010-83075

BOLT

SN: 10101-UP

5шт.

28

01643-33080

WASHER

SN: 10101-UP

5шт.

29

19M-30-11382

PLATE

SN: 10101-UP

1шт.

30

01010-83075

BOLT

SN: 10101-UP

5шт.

31

01643-33080

WASHER

SN: 10101-UP

5шт.

32

07040-13618

PLUG

SN: 10101-UP

1шт.

33

07002-13634

O-RING

SN: 10101-UP

1шт.

34

07052-31624

PLUG

SN: 10101-UP

1шт.

35

19M-30-11230

COVER

SN: 10101-UP

1шт.

36

07020-00000

FITTING

SN: 10101-UP

1шт.

37

01011-82420

BOLT

SN: 10101-UP

4шт.

38

01643-32460

WASHER

SN: 10101-UP

4шт.

39

19M-30-11210

CAP

SN: 10101-UP

1шт.

40

01011-82415

BOLT

SN: 10101-UP

6шт.

41

01643-32460

WASHER

SN: 10101-UP

6шт.

42

19M-30-11443

COVER

SN: 10101-UP

1шт.

43

01010-81235

BOLT

SN: 10101-UP

4шт.

44

01643-31232

WASHER

SN: 10101-UP

4шт.

45

20T-70-41160

SPACER

SN: 10101-UP

4шт.

46

19M-30-14451

COVER

SN: 10101-UP

1шт.

47

01010-81235

BOLT

SN: 10101-UP

1шт.

48

01643-31232

WASHER

SN: 10101-UP

1шт.

Выбрано товаров: 51