Запчасти Komatsu D575A-3 СИЛОВАЯ ПЕРЕДАЧА КРЕПЛЕНИЕ ГТР CONVERTOR¤ ТРАНСМИССИЯ¤ РУЛЕВ. УПРАВЛЕНИЕ И КОНЕЧНАЯ ПЕРЕДАЧА

Схема запчастей Komatsu D575A-3 - СИЛОВАЯ ПЕРЕДАЧА КРЕПЛЕНИЕ ГТР CONVERTOR¤ ТРАНСМИССИЯ¤ РУЛЕВ. УПРАВЛЕНИЕ И КОНЕЧНАЯ ПЕРЕДАЧА
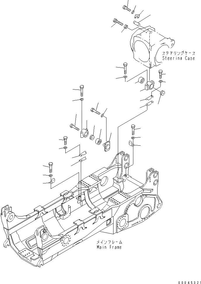
1
2
3
4
5
6
7
8
9
10
11
12
13
14
15
16
17
18
19
20
21
22
23
24
25
26
27
28
29
29
30
30
31
31
FIT
1:1
100%

Артикул

Название

Примечание

Количество

1

19M-21-13151

BRACKET

SN: 10101-UP

2шт.

2

19M-21-13160

CUSHION

SN: 10101-UP

2шт.

3

19M-21-13121

CUSHION

SN: 10101-UP

2шт.

4

19M-21-13171

BRACKET

SN: 10101-UP

2шт.

5

01010-82060

BOLT

SN: 10106-UP

8шт.

5

01010-62060

BOLT

SN: 10101-10105

8шт.

6

01643-12060

WASHER

SN: 10101-UP

8шт.

7

01010-82055

BOLT

SN: 10106-UP

2шт.

7

01010-62055

BOLT

SN: 10101-10105

2шт.

8

195-09-18112

BOLT

SN: 10101-UP

4шт.

9

01643-33080

WASHER

SN: 10101-UP

4шт.

|$14

19M-21-00030

SHIM ASS'Y

SN: 10101-UP

2шт.

10

0

SHIM, 0.2MM

SN: 10106-UP

10шт.

10

0

SHIM, 0.2MM

SN: 10101-10105

5шт.

11

0

SHIM, 1.0MM

SN: 10106-UP

20шт.

11

0

SHIM, 1.0MM

SN: 10101-10105

10шт.

12

01010-80818

BOLT

SN: 10101-UP

2шт.

13

01643-30823

WASHER

SN: 10101-UP

2шт.

14

19M-21-13111

BRACKET

SN: 10101-UP

2шт.

15

19M-21-13121

CUSHION

SN: 10101-UP

2шт.

16

19M-21-13130

CUSHION

SN: 10101-UP

2шт.

17

09255-06245

PIN

SN: 10101-UP

2шт.

18

09257-09014

LOCK

SN: 10101-UP

2шт.

19

01010-82045

BOLT

SN: 10106-UP

8шт.

19

01010-62045

BOLT

SN: 10101-10105

8шт.

20

01643-32060

WASHER

SN: 10101-UP

8шт.

21

01016-52090

BOLT

SN: 10101-UP

4шт.

22

01580-02016

NUT

SN: 10101-UP

4шт.

23

195-09-18112

BOLT

SN: 10101-UP

4шт.

24

01643-33080

WASHER

SN: 10101-UP

4шт.

|$34

19M-21-00030

SHIM ASS'Y

SN: 10101-UP

2шт.

25

0

SHIM, 0.2MM

SN: 10106-UP

10шт.

25

0

SHIM, 0.2MM

SN: 10101-10105

5шт.

26

0

SHIM, 1.0MM

SN: 10106-UP

20шт.

26

0

SHIM, 1.0MM

SN: 10101-10105

10шт.

27

01010-80818

BOLT

SN: 10101-UP

2шт.

28

01643-30823

WASHER

SN: 10101-UP

2шт.

29

19M-21-13210

PLATE

SN: 10101-UP

4шт.

30

01010-82060

BOLT

SN: 10101-UP

8шт.

31

01643-32060

WASHER

SN: 10101-UP

8шт.

Выбрано товаров: 40