Запчасти Komatsu D575A-3 КРЫЛО (ЛЕВ.) ЧАСТИ КОРПУСА

Схема запчастей Komatsu D575A-3 - КРЫЛО (ЛЕВ.) ЧАСТИ КОРПУСА
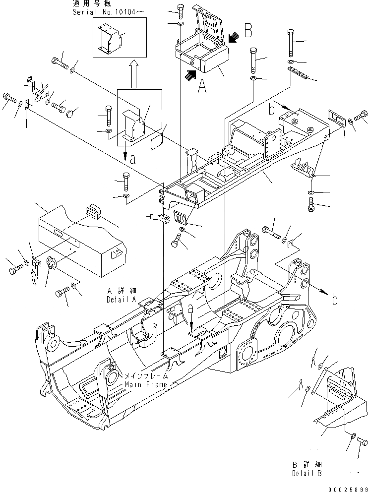
1
2
3
4
5
6
7
8
9
10
11
11
11
12
13
14
14
15
16
17
18
19
19
20
21
22
22A
22B
23
24
25
26
27
27
28
28
29
29A
30
31
32
33
33
34
35
36
37
37
38
39
40
41
41
42
43
44
FIT
1:1
100%

Артикул

Название

Примечание

Количество

1

19M-54-22111

FENDER

SN: 10104-UP

1шт.

1

19M-54-22110

FENDER

SN: 10101-10103

1шт.

2

195-54-43110

COVER

SN: 10101-UP

1шт.

3

01010-80816

BOLT

SN: 10101-UP

4шт.

4

01643-70823

WASHER

SN: 10101-UP

4шт.

5

19M-06-14280

BRACKET

SN: 10101-10103

1шт.

6

01010-81230

BOLT

SN: 10101-10103

4шт.

7

01643-31232

WASHER

SN: 10101-10103

4шт.

8

19M-54-15390

COVER

SN: 10101-UP

1шт.

9

195-54-43260

BOLT

SN: 10101-UP

4шт.

10

01643-70823

WASHER

SN: 10101-UP

4шт.

11

19M-54-32520

CASE

SN: 10101-UP

1шт.

12

19M-54-12850

LINK

SN: 10101-UP

1шт.

13

04050-13018

PIN

SN: 10101-UP

1шт.

14

01642-21016

WASHER

SN: 10101-UP

1шт.

15

04205-01022

PIN

SN: 10101-UP

1шт.

16

04050-13018

PIN

SN: 10101-UP

1шт.

17

01642-21016

WASHER

SN: 10101-UP

2шт.

18

209-54-12280

HANDLE

SN: 10101-UP

1шт.

19

X21-0081230

CATCHER G.

SN: 10101-UP

1шт.

19

205-54-76530

CATCHER

SN: 10101-UP

1шт.

20

01010-80820

BOLT

SN: 10101-UP

2шт.

21

01643-30823

WASHER

SN: 10101-UP

2шт.

22

205-54-67660

SUPPORT

SN: 10101-UP

1шт.

22A

01010-80820

BOLT

SN: 10101-UP

2шт.

22B

01643-30823

WASHER

SN: 10101-UP

2шт.

23

01010-81230

BOLT

SN: 10101-UP

4шт.

24

01643-31232

WASHER

SN: 10101-UP

4шт.

25

19M-54-35760

COVER

SN: 10101-UP

1шт.

26

19M-54-16180

BRACKET

SN: 10101-UP

1шт.

27

01010-81225

BOLT

SN: 10101-UP

6шт.

28

175-54-34170

WASHER

SN: 10101-UP

6шт.

29

195-54-42981

CAP

SN: 10101-UP

2шт.

29A

19M-06-31870

BRACKET

SN: 10101-UP

1шт.

30

01010-82465

BOLT

SN: 10104-UP

4шт.

30

01010-82460

BOLT

SN: 10101-10103

4шт.

31

20X-46-11280

WASHER

SN: 10101-UP

4шт.

32

19M-54-00020

SHIM ASS'Y

SN: 10104-UP

2шт.

32

19M-54-00020

SHIM ASS'Y

SN: 10101-10103

1шт.

|$47

0

SHIM, 1.0MM

SN: 10101-UP

4шт.

|$48

0

SHIM, 0.5MM

SN: 10101-UP

1шт.

33

19M-54-14871

BRACKET

SN: 10104-UP

1шт.

33

19M-54-14870

BRACKET

SN: 10101-10103

1шт.

34

19M-54-16371

PLATE

SN: 10104-UP

1шт.

34

19M-54-16370

PLATE, 4.5MM

SN: 10101-10103

1шт.

35

01010-82455

BOLT

SN: 10101-UP

4шт.

36

01010-82460

BOLT

SN: 10101-UP

4шт.

37

01643-32460

WASHER

SN: 10101-UP

8шт.

38

19M-54-23830

PLATE

SN: 10101-UP

2шт.

39

01011-83945

BOLT

SN: 10101-UP

12шт.

40

01011-83970

BOLT

SN: 10101-UP

12шт.

41

01643-33990

WASHER

SN: 10101-UP

24шт.

42

01010-83095

BOLT

SN: 10101-UP

3шт.

43

01643-33080

WASHER

SN: 10101-UP

3шт.

44

19M-54-16360

PLATE, 1.0MM

SN: 10101-UP

30шт.

Выбрано товаров: 55