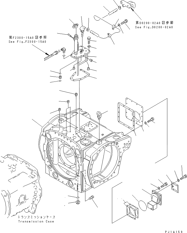
Запчасти Komatsu D575A-3 РУЛЕВ. УПРАВЛЕНИЕ КОРПУС ГТР CONVERTOR¤ ТРАНСМИССИЯ¤ РУЛЕВ. УПРАВЛЕНИЕ И КОНЕЧНАЯ ПЕРЕДАЧА

Схема запчастей Komatsu D575A-3 - РУЛЕВ. УПРАВЛЕНИЕ КОРПУС ГТР CONVERTOR¤ ТРАНСМИССИЯ¤ РУЛЕВ. УПРАВЛЕНИЕ И КОНЕЧНАЯ ПЕРЕДАЧА
1
2
3
4
5
5
6
7
8
9
10
11
12
13
14
15
16
17
18
19
20
21
22
23
24
25
25
26
26
27
28
29
30
31
32
32
33
33
34
35
FIT
1:1
100%

Артикул

Название

Примечание

Количество

1

19M-22-12111

CASE

SN: 10101-UP

1шт.

2

198-60-19820

VALVE

SN: 10101-UP

1шт.

3

07044-13620

PLUG

SN: 10101-UP

1шт.

4

07002-33634

O-RING

SN: 10101-UP

1шт.

5

07043-70617

PLUG

SN: 10101-UP

3шт.

6

07042-71422

PLUG

SN: 10101-UP

2шт.

7

04530-13655

BOLT,EYE

SN: 10101-UP

2шт.

8

19M-22-22330

COVER

SN: 10101-UP

1шт.

9

19M-22-12341

GASKET

SN: 10101-UP

1шт.

10

01010-81230

BOLT

SN: 10101-UP

14шт.

11

01643-31232

WASHER

SN: 10101-UP

14шт.

12

19M-22-22610

BRACKET

SN: 10101-UP

1шт.

13

07000-75170

O-RING

SN: 10101-UP

1шт.

14

19M-22-22620

SHIM

SN: 10101-UP

20шт.

15

01010-81235

BOLT

SN: 10101-UP

4шт.

16

01643-31232

WASHER

SN: 10101-UP

4шт.

17

19M-06-28460

COVER

SN: 10101-UP

1шт.

18

01010-81020

BOLT

SN: 10101-UP

4шт.

19

01643-31032

WASHER

SN: 10101-UP

4шт.

20

19M-22-12152

COVER

SN: 10101-UP

1шт.

21

19M-22-12211

GASKET

SN: 10101-UP

1шт.

22

01010-81240

BOLT

SN: 10101-UP

9шт.

23

01643-31232

WASHER

SN: 10101-UP

9шт.

24

19M-22-12190

SLEEVE

SN: 10101-UP

1шт.

25

07000-71008

O-RING

SN: 10101-UP

2шт.

26

19M-22-11561

PLUG

SN: 10101-UP

2шт.

27

07043-70108

PLUG

SN: 10101-UP

3шт.

28

07092-00000

CAP

SN: 10101-UP

1шт.

29

19M-22-12180

GAUGE

SN: 10101-UP

1шт.

30

566-98-15100

VENT ASS'Y

SN: 10101-UP

1шт.

31

09483-47180

HOSE

SN: 10101-UP

1шт.

32

07281-00489

CLAMP

SN: 10101-UP

2шт.

33

20Y-62-15951

CLIP

SN: 10101-UP

2шт.

34

01010-81220

BOLT

SN: 10101-UP

2шт.

35

01643-31232

WASHER

SN: 10101-UP

2шт.

Выбрано товаров: 0