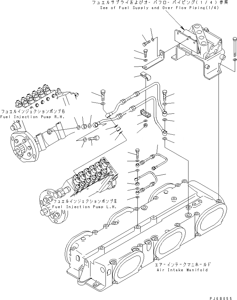
Запчасти Komatsu SA12V170E-2A ТОПЛ. НАСОС МАСЛОПРОВОДЯЩАЯ ЛИНИЯ ДВИГАТЕЛЬ

Схема запчастей Komatsu SA12V170E-2A - ТОПЛ. НАСОС МАСЛОПРОВОДЯЩАЯ ЛИНИЯ ДВИГАТЕЛЬ
1
2
3
4
5
5
5
5
6
7
7
8
8
9
9
9
9
9
9
10
11
12
12
12
13
14
15
15
16
17
18
19
19
1
2
3
4
5
5
5
5
6
7
7
8
8
9
9
9
9
9
9
10
11
12
12
12
13
14
15
15
16
17
18
19
19
FIT
1:1
100%

Артикул

Название

Примечание

Количество

1

6166-55-5731

TUBE

SN: 10196-UP

1шт.

2

6166-55-5741

TUBE

SN: 10196-UP

1шт.

3

6166-75-5780

BOLT

SN: 10196-UP

1шт.

4

6167-11-6640

SPACER

SN: 10196-UP

1шт.

5

07005-01012

GASKET

SN: 10196-UP

4шт.

6

6166-55-5710

TUBE

SN: 10196-UP

1шт.

7

6164-11-6890

BOLT

SN: 10196-UP

2шт.

8

6151-51-8490

SPACER

SN: 10196-UP

2шт.

9

07005-01412

GASKET

SN: 10196-UP

6шт.

10

6166-55-5720

TUBE

SN: 10196-UP

1шт.

11

6127-71-5710

BOLT

SN: 10196-UP

1шт.

12

07005-01412

GASKET (K2)

SN: 10196-UP

3шт.

13

6166-75-5791

BRACKET

SN: 10196-UP

1шт.

14

01010-80845

BOLT

SN: 10196-UP

1шт.

15

01643-30823

WASHER

SN: 10196-UP

2шт.

16

01580-10806

NUT

SN: 10196-UP

1шт.

17

01010-81025

BOLT

SN: 10196-UP

1шт.

18

01643-31032

WASHER

SN: 10196-UP

1шт.

19

6166-75-6820

CLAMP

SN: 10196-UP

2шт.

1

6166-55-5731

TUBE

SN: 10196-UP

1шт.

2

6166-55-5741

TUBE

SN: 10196-UP

1шт.

3

6166-75-5780

BOLT

SN: 10196-UP

1шт.

4

6167-11-6640

SPACER

SN: 10196-UP

1шт.

5

07005-01012

GASKET

SN: 10196-UP

4шт.

6

6166-55-5710

TUBE

SN: 10196-UP

1шт.

7

6164-11-6890

BOLT

SN: 10196-UP

2шт.

8

6151-51-8490

SPACER

SN: 10196-UP

2шт.

9

07005-01412

GASKET

SN: 10196-UP

6шт.

10

6166-55-5720

TUBE

SN: 10196-UP

1шт.

11

6127-71-5710

BOLT

SN: 10196-UP

1шт.

12

07005-01412

GASKET (K2)

SN: 10196-UP

3шт.

13

6166-75-5791

BRACKET

SN: 10196-UP

1шт.

14

01010-80845

BOLT

SN: 10196-UP

1шт.

15

01643-30823

WASHER

SN: 10196-UP

2шт.

16

01580-10806

NUT

SN: 10196-UP

1шт.

17

01010-81025

BOLT

SN: 10196-UP

1шт.

18

01643-31032

WASHER

SN: 10196-UP

1шт.

19

6166-75-6820

CLAMP

SN: 10196-UP

2шт.

Выбрано товаров: 38