Запчасти Komatsu D58E-1 ГУСЕНИЦЫ (СМАЗЫВ. ТИПА) (ОДИНОЧН. ГРУНТОЗАЦЕП) ХОДОВАЯ

Схема запчастей Komatsu D58E-1 - ГУСЕНИЦЫ (СМАЗЫВ. ТИПА) (ОДИНОЧН. ГРУНТОЗАЦЕП) ХОДОВАЯ
FIT
1:1
100%

Артикул

Название

Примечание

Количество

|$$1

460MM WIDE

-1шт.

|$1

130-32-02613

TRACK SHOE ASS'Y

SN: 81982-UP

1шт.

|$2

0

TRACK SHOE ASS'Y

SN: .-81981

1шт.

|$3

0

TRACK SHOE ASS'Y

SN: 80888-.

1шт.

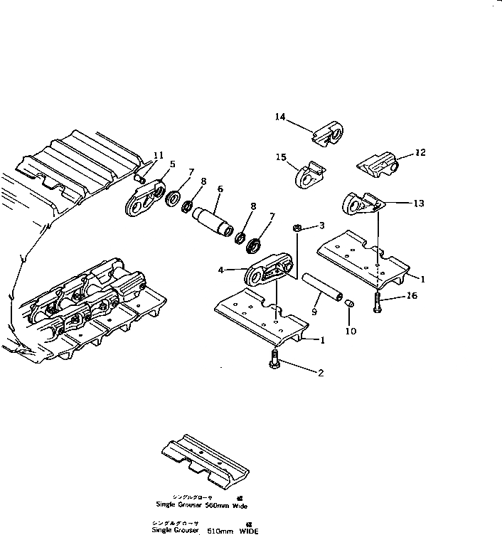
1

130-32-11280

SHOE,TRACK

SN: 80888-UP

82шт.

2

205-32-51121

BOLT, SHOE (KIT)

SN: 81982-UP

312шт.

2

205-32-51120

BOLT, SHOE (KIT)

SN: 80888-81981

312шт.

3

203-32-51220

NUT,SHOE (KIT)

SN: 81982-UP

312шт.

3

01803-01622

NUT, SHOE (KIT)

SN: 80888-81981

312шт.

|$9

131-32-00082

TRACK LINK ASS'Y

SN: .-UP

1шт.

|$10

0

TRACK LINK ASS'Y

SN: 80888-.

1шт.

4

130-32-11126

LINK,TRACK, L.H.

SN: 80888-UP

78шт.

5

130-32-11136

LINK,TRACK, R.H.

SN: 80888-UP

78шт.

6

130-32-21141

BUSHING

SN: .-UP

82шт.

6

0

BUSHING

SN: 80888-.

82шт.

7

130-32-21160

SEAL ASS'Y

SN: 80888-UP

164шт.

8

130-32-21190

SPACER

SN: 80888-UP

164шт.

9

130-32-21150

PIN

SN: 80888-UP

82шт.

10

07059-11830

PLUG,LARGE

SN: 80888-UP

82шт.

11

07059-20721

PLUG,SMALL

SN: 80888-UP

82шт.

12

130-32-21221

LINK, MASTER,L.H., PIN SIDE

SN: 80888-UP

4шт.

13

130-32-21231

LINK, MASTER,L.H., BUSHING SIDE

SN: 80888-UP

4шт.

14

130-32-21321

LINK, MASTER,R.H., PIN SIDE

SN: 80888-UP

4шт.

15

130-32-21331

LINK, MASTER,R.H., BUSHING SIDE

SN: 80888-UP

4шт.

16

130-32-21252

BOLT, MASTER,MASTER LINK

SN: 80888-UP

16шт.

|$$26

510MM WIDE

-1шт.

1

130-32-02633

TRACK SHOE ASS'Y

SN: 81982-UP

1шт.

1

0

TRACK SHOE ASS'Y

SN: .-81981

1шт.

1

0

TRACK SHOE ASS'Y

SN: 80888-.

1шт.

1

130-32-11270

SHOE,TRACK

SN: 80888-UP

82шт.

2

205-32-51121

BOLT, SHOE (KIT)

SN: 81982-UP

312шт.

2

205-32-51120

BOLT, SHOE (KIT)

SN: 80888-81981

312шт.

3

203-32-51220

NUT,SHOE (KIT)

SN: 81982-UP

312шт.

3

01803-01622

NUT, SHOE (KIT)

SN: 80888-81981

312шт.

4

131-32-00082

TRACK LINK ASS'Y

SN: .-UP

1шт.

4

0

TRACK LINK ASS'Y

SN: 80888-.

1шт.

|$$37

SERVICE KIT

-1шт.

2

205-32-05011

SHOE BOLT AND NUT K.

SN: 81982-UP

1шт.

2

0

SHOE BOLT AND NUT K.

SN: 80888-81981

1шт.

2

205-32-51121

BOLT, SHOE

SN: 81982-UP

50шт.

2

205-32-51120

BOLT, SHOE

SN: 80888-81981

50шт.

3

203-32-51220

NUT,SHOE

SN: 81982-UP

50шт.

3

01803-01622

NUT, SHOE

SN: 80888-81981

50шт.

|$$44

OVERSIZE PARTS

-1шт.

|$$45

SELECT AS REQUIRED NOT NECESSARY TO USE ALL OF THE OVERSIZE PARTS.

-1шт.

|$$46

0.10MM OVERSIZE

-1шт.

6

130-98-09211

BUSHING

SN: .-UP

-2шт.

6

0

BUSHING

SN: 80888-.

-2шт.

9

130-98-09070

PIN

SN: 80888-UP

-2шт.

|$$50

0.18MM OVERSIZE

-1шт.

6

130-98-09221

BUSHING

SN: .-UP

-2шт.

6

0

BUSHING

SN: 80888-.

-2шт.

9

130-98-09080

PIN

SN: 80888-UP

-2шт.

Выбрано товаров: 53