Запчасти Komatsu D58E-1A КАПОТ И БОКОВ. КРЫШКА (СПЕЦ-Я TBG)(№8888-87) ЧАСТИ КОРПУСА

Схема запчастей Komatsu D58E-1A - КАПОТ И БОКОВ. КРЫШКА (СПЕЦ-Я TBG)(№8888-87) ЧАСТИ КОРПУСА
FIT
1:1
100%

Артикул

Название

Примечание

Количество

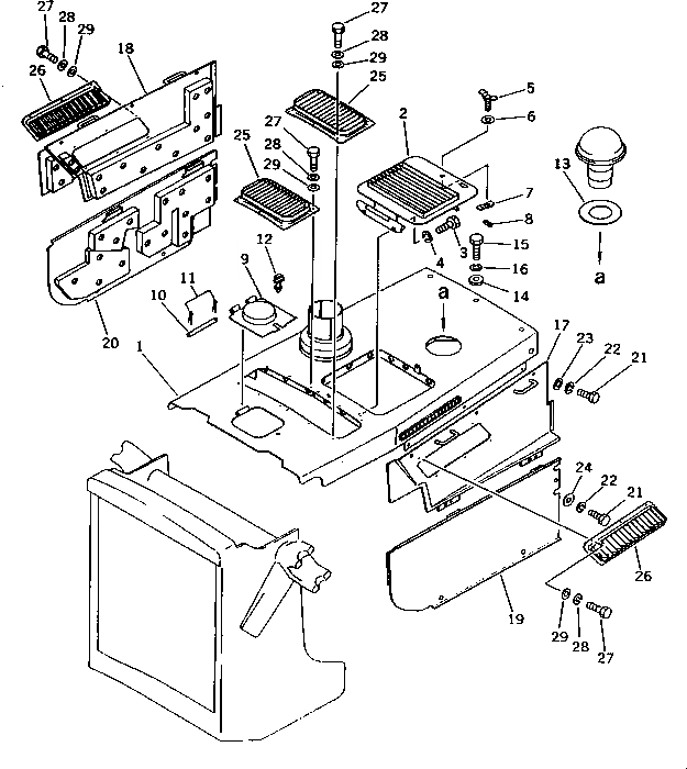
1

134-A62-1750

HOOD,ENGINE

SN: 80888-82372

1шт.

2

130-A62-3281

COVER

SN: 80888-82372

1шт.

3

01010-51025

BOLT

SN: 80888-82372

2шт.

4

01602-21030

WASHER,SPRING

SN: 80888-82372

2шт.

5

135-54-31290

HANDLE

SN: 80888-82372

1шт.

6

01643-31032

WASHER

SN: 80888-82372

1шт.

7

135-54-31310

STOPPER

SN: 80888-82372

1шт.

8

04025-00316

PIN,SPRING

SN: 80888-82372

1шт.

9

130-54-61140

COVER

SN: 80888-82372

1шт.

10

131-54-11270

PIN

SN: 80888-82372

1шт.

11

04050-11610

PIN,COTTER

SN: 80888-82372

2шт.

12

09459-00000

LOCK

SN: 80888-82372

1шт.

13

130-A46-1120

COVER

SN: 80888-82372

1шт.

14

120-54-31351

WASHER

SN: 80888-82372

3шт.

15

01010-51235

BOLT

SN: 80888-82372

3шт.

16

01602-21236

WASHER,SPRING

SN: 80888-82372

3шт.

17

134-A62-1760

COVER,L.H.

SN: 80888-82372

1шт.

18

134-A62-1770

COVER,R.H.

SN: 80888-82372

1шт.

19

130-A62-3310

COVER,L.H.

SN: 80888-82372

1шт.

20

130-A62-3350

COVER,R.H.

SN: 80888-82372

1шт.

21

01010-51225

BOLT

SN: 80888-82372

14шт.

22

01602-21236

WASHER,SPRING

SN: 80888-82372

14шт.

23

01643-31232

WASHER

SN: 80888-82372

10шт.

24

130-54-61230

WASHER

SN: 80888-82372

4шт.

25

130-A62-1240

COVER

SN: 80888-82372

2шт.

26

130-A62-3470

COVER

SN: 80888-82372

2шт.

27

01010-50820

BOLT

SN: 80888-82372

24шт.

28

01602-20825

WASHER,SPRING

SN: 80888-82372

24шт.

29

01643-30823

WASHER

SN: 80888-82372

24шт.

Выбрано товаров: 29