Запчасти Komatsu D58E-1A КОРПУС БЛОКА УПРАВЛЕНИЯ ПОВОРОТОМ И ОСНОВНАЯ РАМА ОСНОВН. РАМА И КОМПОНЕНТЫ

Схема запчастей Komatsu D58E-1A - КОРПУС БЛОКА УПРАВЛЕНИЯ ПОВОРОТОМ И ОСНОВНАЯ РАМА ОСНОВН. РАМА И КОМПОНЕНТЫ
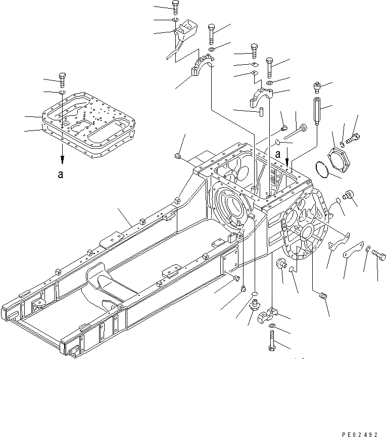
1
2
2
3
4
5
6
7
7
8
8
9
10
11
12
13
14
15
16
17
18
19
20
21
22
23
24
25
26
27
28
28
29
29
29
29
30
31
32
33
34
35
36
37
FIT
1:1
100%

Артикул

Название

Примечание

Количество

1

134-21-31112

CASE AND FRAME

SN: 80888-UP

1шт.

1

130-22-12141

BUSHING (WELDED)

SN: 80888-UP

2шт.

2

07049-02430

PLUG

SN: 80888-UP

20шт.

3

131-21-41520

PLUG

SN: 80888-UP

4шт.

4

135-21-31240

RETAINER,L.H.

SN: 80888-UP

1шт.

5

135-21-31220

RETAINER,R.H.

SN: 80888-UP

1шт.

6

04020-00616

PIN,DOWEL

SN: 80888-UP

2шт.

7

01019-22000

BOLT

SN: 80888-UP

4шт.

8

01643-32060

WASHER

SN: 80888-UP

4шт.

9

01010-30816

BOLT

SN: 80888-UP

2шт.

10

130-21-12322

LOCK

SN: 80888-UP

2шт.

11

130-21-12330

LOCK

SN: 80888-UP

2шт.

12

130-21-61422

FILLER

SN: 80888-UP

1шт.

13

01010-31020

BOLT

SN: 80888-UP

2шт.

14

01602-01030

WASHER,SPRING

SN: 80888-UP

2шт.

15

131-21-41290

CAP

SN: 80888-UP

4шт.

16

01010-32280

BOLT

SN: 80888-UP

8шт.

17

01643-32260

WASHER

SN: 80888-UP

8шт.

18

135-21-31230

COVER

SN: 80888-UP

2шт.

19

130-21-61281

GASKET,L.H.

SN: 82145-UP

1шт.

19

130-21-61280

GASKET,L.H.

SN: 80888-82144

1шт.

19

130-21-61291

GASKET,R.H.

SN: 82145-UP

1шт.

19

130-21-61290

GASKET,R.H.

SN: 80888-82144

1шт.

20

01010-31425

BOLT

SN: 80888-UP

4шт.

21

01602-01442

WASHER,SPRING

SN: 80888-UP

4шт.

22

131-21-41222

COVER

SN: 80888-UP

1шт.

23

07000-05185

O-RING

SN: 80888-UP

1шт.

24

01010-31430

BOLT

SN: 80888-UP

6шт.

25

01602-01442

WASHER,SPRING

SN: 80888-UP

6шт.

26

134-21-31140

GAUGE

SN: 80888-UP

1шт.

27

135-27-11151

PLUG

SN: 80888-UP

2шт.

28

07044-13620

PLUG

SN: 80888-UP

3шт.

29

07002-03634

O-RING

SN: 80888-UP

6шт.

30

130-21-71380

COVER

SN: 80888-UP

1шт.

31

130-21-71391

GASKET

SN: 82145-UP

1шт.

31

130-21-71390

GASKET

SN: 80888-82144

1шт.

32

01010-51440

BOLT

SN: 80888-UP

8шт.

33

01602-21442

WASHER,SPRING

SN: 80888-UP

8шт.

34

07049-01215

PLUG

SN: 80888-UP

3шт.

35

07049-02025

PLUG

SN: 80888-UP

4шт.

36

130-21-71440

NIPPLE

SN: 80888-UP

2шт.

37

07030-10252

BREATHER

SN: 80888-UP

2шт.

Выбрано товаров: 42