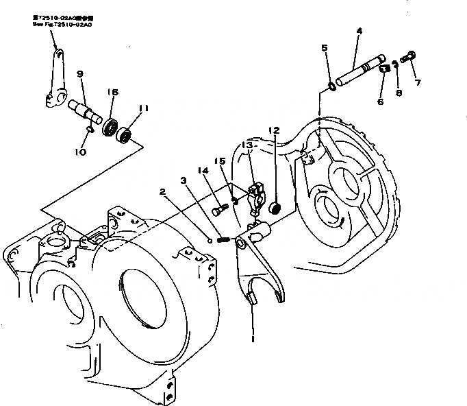
Запчасти Komatsu D58E-1B ЛЕБЕДКА ВИЛКА ПЕРЕКЛЮЧЕНИЯ РАБОЧЕЕ ОБОРУДОВАНИЕ

Схема запчастей Komatsu D58E-1B - ЛЕБЕДКА ВИЛКА ПЕРЕКЛЮЧЕНИЯ РАБОЧЕЕ ОБОРУДОВАНИЕ
FIT
1:1
100%

Артикул

Название

Примечание

Количество

1

124-960-2810

FORK

SN: 80888-UP

1шт.

2

04260-00952

BALL

SN: 80888-UP

1шт.

3

130-961-5730

SPRING

SN: 80888-UP

1шт.

4

124-960-2820

SHAFT

SN: 80888-UP

1шт.

5

07000-02020

O-RING

SN: 80888-UP

1шт.

6

130-901-3140

LOCK

SN: 80888-UP

1шт.

7

01010-80820

BOLT

SN: 80888-UP

2шт.

8

01602-20825

WASHER,SPRING

SN: 80888-UP

2шт.

9

112-961-1760

SHAFT

SN: 80888-UP

1шт.

10

04010-00722

KEY

SN: 80888-UP

1шт.

11

06120-03520

BEARING

SN: 80888-UP

1шт.

12

06120-02520

BEARING

SN: 80888-UP

1шт.

13

124-960-2830

LEVER

SN: 80888-UP

1шт.

14

01010-81245

BOLT

SN: 80888-UP

1шт.

15

01602-21236

WASHER,SPRING

SN: 80888-UP

1шт.

16

07012-00035

SEAL,OIL

SN: 80888-UP

1шт.

Выбрано товаров: 16