Запчасти Komatsu D58P-1 ОПОРНЫЙ КАТОК(№888-8) ХОДОВАЯ

Схема запчастей Komatsu D58P-1 - ОПОРНЫЙ КАТОК(№888-8) ХОДОВАЯ
FIT
1:1
100%

Артикул

Название

Примечание

Количество

|$1

0

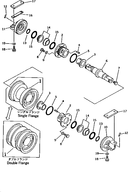
TRACK ROLLER ASS'Y,SINGLE FLANGE

SN: 81065-81452

10шт.

|$$2

(131-30-00343,01010-81665(4))

-1шт.

|$3

0

TRACK ROLLER ASS'Y,SINGLE FLANGE

SN: 80588-81064

10шт.

|$$4

(131-30-00343,01010-81665(4))

-1шт.

|$5

0

TRACK ROLLER ASS'Y,DOUBLE FLANGE

SN: 81065-81452

6шт.

|$$6

(131-30-00353,01010-81665(4))

-1шт.

|$7

0

TRACK ROLLER ASS'Y,DOUBLE FLANGE

SN: 80588-81064

6шт.

|$$8

(131-30-00353,01010-81665(4))

-1шт.

1

140-30-16240

ROLLER,SINGLE FLANGE

SN: 81065-81452

1шт.

1

0

ROLLER,SINGLE FLANGE

SN: 80588-81064

1шт.

1

140-30-16260

ROLLER,DOUBLE FLANGE

SN: 81065-81452

1шт.

1

0

ROLLER,DOUBLE FLANGE

SN: 80588-81064

1шт.

|$13

131-30-00110

BUSHING ASS'Y

SN: 80588-81452

2шт.

2

0

BUSHING

SN: 80588-81452

1шт.

3

131-30-46130

BUSHING

SN: 80588-81452

1шт.

4

141-30-36310

PIN,ROLL

SN: 80588-81452

2шт.

5

07000-03092

O-RING

SN: 80588-81452

2шт.

6

141-30-16111

SHAFT

SN: 80588-81452

1шт.

7

07052-11624

PLUG

SN: 80588-81452

1шт.

8

01010-31025

BOLT

SN: 80588-81452

12шт.

9

01602-01030

WASHER,SPRING

SN: 80588-81452

12шт.

10

140-30-16162

COLLAR

SN: 80588-81452

1шт.

11

140-30-16170

COLLAR

SN: 80588-81452

1шт.

12

130-09-16740

RING

SN: 80588-81452

2шт.

13

07000-03045

O-RING

SN: 80588-81452

2шт.

|$26

140-30-00141

FLOATING SEAL ASS'Y

SN: 80588-81452

2шт.

14

0

RING,SEAL

SN: 80588-81452

2шт.

15

0

O-RING

SN: 80588-81452

2шт.

16

130-30-16120

LOCK

SN: 80588-81452

16шт.

17

13F-30-21230

PLATE

SN: 80588-81452

32шт.

18

01010-51665

BOLT

SN: 80588-81452

64шт.

19

01643-31645

WASHER

SN: 80588-81452

64шт.

Выбрано товаров: 32