Запчасти Komatsu D58P-1 FВОЗД. LEAD (ДЛЯ ТЯГОВ. ЛЕБЕДКИ) РАБОЧЕЕ ОБОРУДОВАНИЕ

Схема запчастей Komatsu D58P-1 - FВОЗД. LEAD (ДЛЯ ТЯГОВ. ЛЕБЕДКИ) РАБОЧЕЕ ОБОРУДОВАНИЕ
FIT
1:1
100%

Артикул

Название

Примечание

Количество

|$1

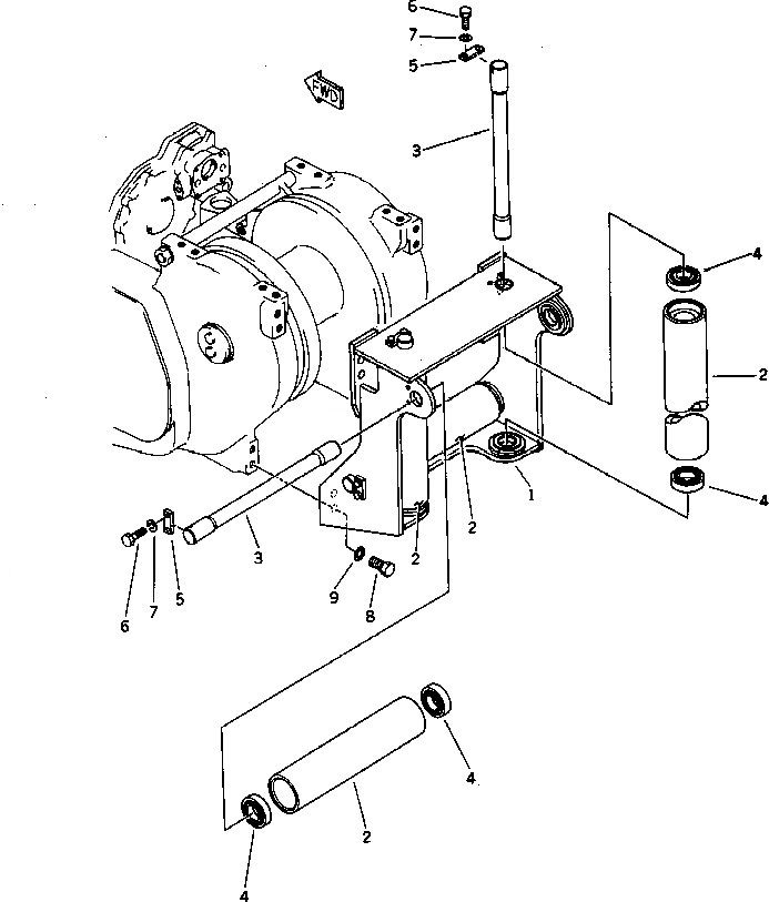
124-960-0051

FAIR LEAD ASS'Y

SN: 80588-UP

1шт.

1

124-960-3110

FRAME

SN: 80588-UP

1шт.

2

124-960-3130

ROLLER

SN: 80588-UP

4шт.

3

124-960-3120

SHAFT

SN: 80588-UP

4шт.

4

06044-06210

BEARING

SN: 80588-UP

8шт.

5

04082-00212

LOCK

SN: 80588-UP

4шт.

6

01010-81225

BOLT

SN: 80588-UP

8шт.

7

01602-21236

WASHER,SPRING

SN: 80588-UP

8шт.

8

01010-82045

BOLT

SN: 80588-UP

8шт.

9

01643-32060

WASHER

SN: 80588-UP

8шт.

Выбрано товаров: 10