Запчасти Komatsu D58P-1 КЛАПАН УПРАВЛЕНИЯ ТРАНСМИССИЕЙ (/)(№888-88) СИЛОВАЯ ПЕРЕДАЧА И КОНЕЧНАЯ ПЕРЕДАЧА

Схема запчастей Komatsu D58P-1 - КЛАПАН УПРАВЛЕНИЯ ТРАНСМИССИЕЙ (/)(№888-88) СИЛОВАЯ ПЕРЕДАЧА И КОНЕЧНАЯ ПЕРЕДАЧА
FIT
1:1
100%

Артикул

Название

Примечание

Количество

|$1

134-15-00310

TRANSMISSION ASS'Y

SN: 81059-@

1шт.

|$2

134-15-00203

TRANSMISSION ASS'Y

SN: 80588-81058

1шт.

|$$3

THESE ASSEMBLY CONSIST OF SOME FIGS. BE CAREFUL WHEN ORDERING THE PARTS.

-1шт.

|$4

134-15-00210

CONTROL VALVE ASS'Y

SN: 80588-81058

1шт.

|$$5

THIS ASSEMBLY CONSISTS OF ALL PARTS SHOWN IN FIGS.F2320-58A0 AND F2320-59A0.

-1шт.

|$6

125-15-00510

BODY ASS'Y

SN: 80588-81058

1шт.

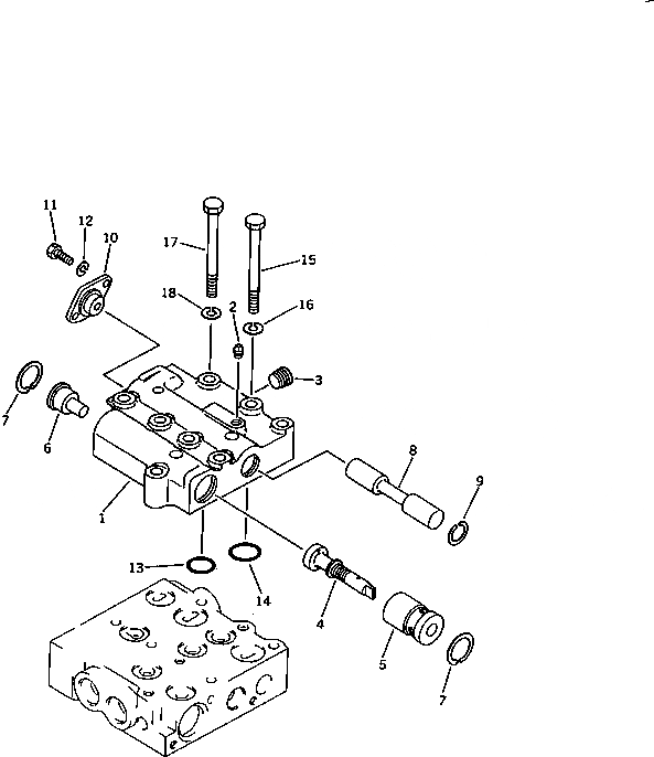
1

0

BODY

SN: 80588-81058

1шт.

2

07042-20108

PLUG

SN: 80588-@

1шт.

3

07043-00415

PLUG

SN: 80588-@

1шт.

4

134-15-15320

SPOOL

SN: 80588-@

1шт.

5

134-15-15350

SLEEVE

SN: 80588-@

1шт.

6

125-15-25360

STOPPER

SN: 80588-81058

1шт.

7

04065-03212

RING,SNAP

SN: 80588-81058

2шт.

8

134-15-25390

SPACER

SN: 80588-81058

1шт.

9

04065-02512

RING,SNAP

SN: 80588-@

1шт.

10

134-15-25190

COVER

SN: 80588-@

1шт.

11

01010-50820

BOLT

SN: 80588-@

2шт.

12

01602-20825

WASHER,SPRING

SN: 80588-@

2шт.

13

07000-73025

O-RING

SN: 80588-@

5шт.

14

07000-73030

O-RING

SN: 80588-@

6шт.

15

01010-51055

BOLT

SN: 80588-@

4шт.

16

01602-21030

WASHER,SPRING

SN: 80588-@

4шт.

17

01011-81010

BOLT

SN: 81053-@

4шт.

17

0

BOLT

SN: 80588-81052

4шт.

18

01602-01030

WASHER,SPRING

SN: 80588-@

4шт.

Выбрано товаров: 25