Запчасти Komatsu D58P-1B КОРПУС ТРАНСМИССИИ КРЫШКАAND РЫЧАГ СИЛОВАЯ ПЕРЕДАЧА И КОНЕЧНАЯ ПЕРЕДАЧА

Схема запчастей Komatsu D58P-1B - КОРПУС ТРАНСМИССИИ КРЫШКАAND РЫЧАГ СИЛОВАЯ ПЕРЕДАЧА И КОНЕЧНАЯ ПЕРЕДАЧА
FIT
1:1
100%

Артикул

Название

Примечание

Количество

|$1

134-15-00310

TRANSMISSION ASS'Y

SN: 81059-UP

1шт.

|$2

134-15-00203

TRANSMISSION ASS'Y

SN: 80588-81058

1шт.

|$$3

THESE ASSEMBLY CONSIST OF SOME FIGS. BE CAREFUL WHEN ORDERING THE PARTS.

-1шт.

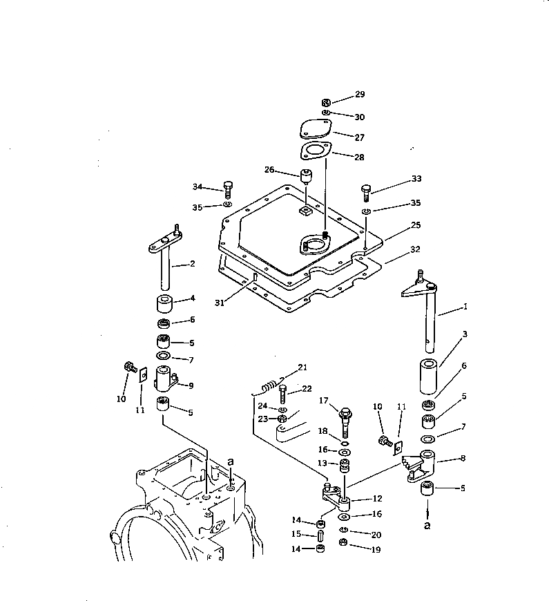
1

134-15-21411

LEVER

SN: 80588-UP

1шт.

2

134-15-11480

LEVER

SN: 80588-UP

1шт.

3

134-15-11430

COLLAR

SN: 80588-UP

1шт.

4

125-15-11430

COLLAR

SN: 80588-UP

1шт.

5

06120-02016

BEARING,NEEDLE

SN: 80588-UP

4шт.

6

144-15-29110

SEAL,OIL

SN: 80588-UP

2шт.

7

144-15-25570

WASHER

SN: 80588-UP

2шт.

8

135-15-31420

LEVER

SN: 80588-UP

1шт.

9

125-15-11492

LEVER

SN: 80588-UP

1шт.

10

125-15-11530

BOLT

SN: 80588-UP

2шт.

11

125-15-11520

LOCK

SN: 80588-UP

2шт.

12

125-15-11440

LEVER

SN: 80588-UP

1шт.

13

144-15-25670

BUSHING

SN: 80588-UP

1шт.

14

144-15-29121

BEARING

SN: 81543-UP

2шт.

14

0

BEARING

SN: 80588-81542

2шт.

15

144-15-25691

PIN,ROLL

SN: 80588-UP

1шт.

16

175-15-45660

WASHER

SN: 80588-UP

2шт.

17

134-15-21450

BOLT

SN: 80588-UP

1шт.

18

07000-72015

O-RING

SN: 80588-UP

1шт.

19

01580-11008

NUT

SN: 80588-UP

1шт.

20

01602-21030

WASHER,SPRING

SN: 80588-UP

1шт.

21

135-15-31470

SPRING

SN: 80588-UP

1шт.

22

125-15-11461

BOLT

SN: 80588-UP

1шт.

23

01580-11008

NUT

SN: 80588-UP

1шт.

24

01602-21030

WASHER,SPRING

SN: 80588-UP

1шт.

25

134-15-21610

COVER

SN: 80588-UP

1шт.

26

07030-10252

BREATHER

SN: 80588-UP

1шт.

27

125-15-21640

PLATE

SN: 80588-UP

1шт.

28

113-15-11641

GASKET

SN: 81349-UP

1шт.

28

113-15-11640

GASKET

SN: 80588-81348

1шт.

29

01580-11008

NUT

SN: 80588-UP

1шт.

30

01602-21030

WASHER,SPRING

SN: 80588-UP

2шт.

31

04020-00820

PIN,DOWEL

SN: 80588-UP

2шт.

32

135-15-31621

GASKET

SN: 81261-UP

1шт.

32

135-15-31620

GASKET

SN: 80588-81260

1шт.

33

01010-51035

BOLT

SN: 80588-UP

4шт.

34

01010-51025

BOLT

SN: 80588-UP

10шт.

35

01602-21030

WASHER,SPRING

SN: 80588-UP

14шт.

Выбрано товаров: 41