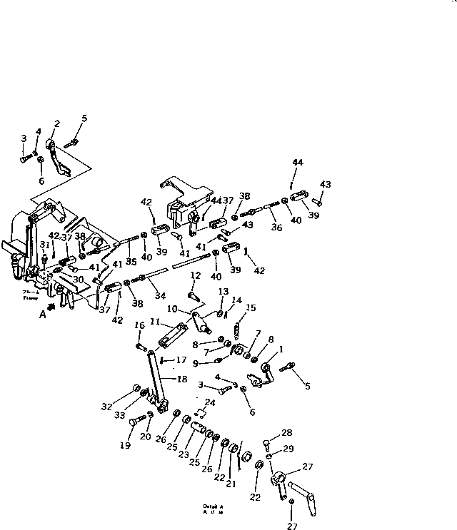
Запчасти Komatsu D58P-1C ПЕДАЛЬ ТОРМОЗА И МЕХАНИЗМ КАБИНА ОПЕРАТОРА И СИСТЕМА УПРАВЛЕНИЯ

Схема запчастей Komatsu D58P-1C - ПЕДАЛЬ ТОРМОЗА И МЕХАНИЗМ КАБИНА ОПЕРАТОРА И СИСТЕМА УПРАВЛЕНИЯ
FIT
1:1
100%

Артикул

Название

Примечание

Количество

1

125-43-33711

PEDAL,L.H.

SN: 80588-UP

1шт.

2

125-43-33721

PEDAL,R.H.

SN: 80588-UP

1шт.

3

01010-51030

BOLT

SN: 80588-UP

2шт.

4

01602-21030

WASHER,SPRING

SN: 80588-UP

2шт.

5

09311-31237

BUMPER

SN: 80588-UP

2шт.

6

01580-11210

NUT

SN: 80588-UP

2шт.

7

06120-03020

BEARING,NEEDLE

SN: 80588-UP

4шт.

8

06122-03004

SEAL,BEARING

SN: 80588-UP

4шт.

9

07020-00001

FITTING,GREASE

SN: 80588-UP

2шт.

10

144-43-31360

LEVER

SN: 80588-UP

2шт.

11

144-43-31370

YOKE

SN: 80588-UP

2шт.

12

120-43-34782

PIN

SN: 80588-UP

2шт.

13

01643-31445

WASHER

SN: 80588-UP

2шт.

14

04050-14025

PIN,COTTER

SN: 80588-UP

2шт.

15

144-43-31411

SPRING

SN: 80588-UP

2шт.

16

04205-11438

PIN

SN: 80588-UP

2шт.

17

04050-14022

PIN,COTTER

SN: 80588-UP

2шт.

18

144-43-31380

LEVER

SN: 80588-UP

2шт.

19

01010-51250

BOLT

SN: 80588-UP

2шт.

20

01602-21236

WASHER,SPRING

SN: 80588-UP

2шт.

21

06120-05025

BEARING,NEEDLE

SN: 80588-UP

2шт.

22

06122-05004

SEAL,BEARING

SN: 80588-UP

4шт.

23

120-43-39291

SHAFT

SN: 80588-UP

2шт.

24

04010-00725

KEY

SN: 80588-UP

4шт.

25

06120-02520

BEARING,NEEDLE

SN: 80588-UP

4шт.

26

06122-02504

SEAL,BEARING

SN: 80588-UP

4шт.

27

120-43-34821

LEVER

SN: 80588-UP

2шт.

28

01010-51250

BOLT

SN: 80588-UP

2шт.

29

01602-21236

WASHER,SPRING

SN: 80588-UP

2шт.

30

07020-00001

FITTING,GREASE

SN: 80588-UP

1шт.

31

07020-00000

FITTING,GREASE

SN: 80588-UP

1шт.

32

06120-02016

BEARING,NEEDLE

SN: 80588-UP

2шт.

33

06122-02004

SEAL,BEARING

SN: 80588-UP

2шт.

34

130-43-61240

ROD

SN: 80588-UP

1шт.

35

04248-31470

ROD

SN: 80588-UP

1шт.

36

04248-31446

ROD

SN: 80588-UP

1шт.

37

04211-21478

YOKE

SN: 80588-UP

3шт.

38

01582-11411

NUT

SN: 80588-UP

3шт.

39

04221-21478

YOKE,L.H. THREAD

SN: 80588-UP

3шт.

40

01508-41408

NUT,L.H. THREAD

SN: 80588-UP

3шт.

41

04205-11438

PIN

SN: 80588-UP

4шт.

42

04050-14022

PIN,COTTER

SN: 80588-UP

4шт.

43

04205-11028

PIN

SN: 80588-UP

2шт.

44

04050-13018

PIN,COTTER

SN: 80588-UP

2шт.

Выбрано товаров: 44