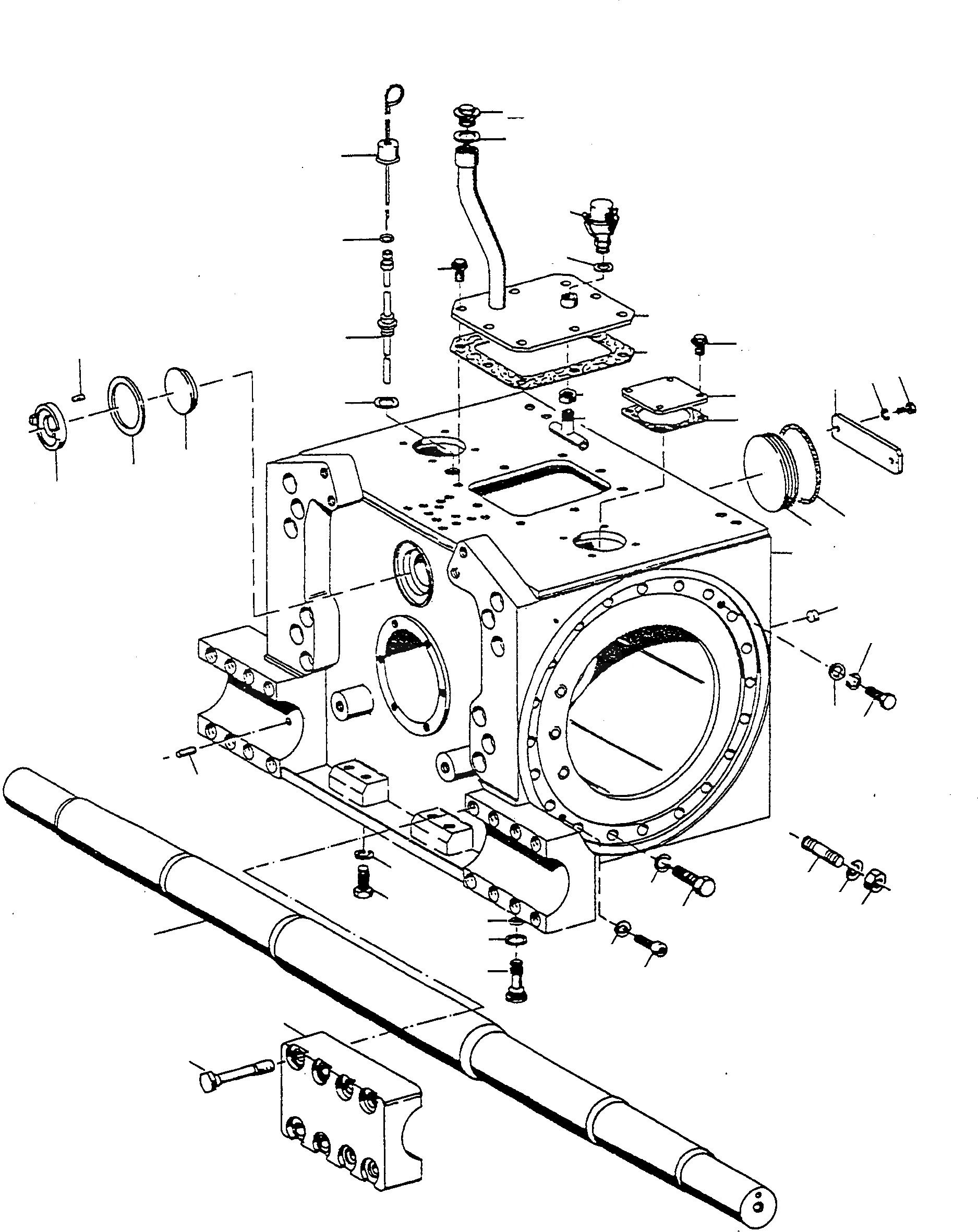
Запчасти Komatsu D600D КОНЕЧНАЯ ПЕРЕДАЧА ТРАНСМИССИЯ И ЗАДН. МОСТ

Схема запчастей Komatsu D600D - КОНЕЧНАЯ ПЕРЕДАЧА ТРАНСМИССИЯ И ЗАДН. МОСТ
29
18
28
19
34
17
33
17
15
32
14
13
40
7A
10
6
5
9A
11
10
9B
31
35
39
38
37
23
12
27
26
30
16
20
21
22
25
24
1
2
8
7
42
36
9
41
3
4
FIT
1:1
100%

Артикул

Название

Примечание

Количество

1

3089574M91

HOUSING

DeutschDesc: GEHAEUSE

1шт.

2

3092954M91

STEERING CASE

EnglischBem: FOR SUPPLEMENTARY GEARSET

1шт.

3

2905087M1

CLAMPING DEVICE

EnglischBem: NOTE: Pos. (3) included in Pos. (1) and (2) Kit

2шт.

4

1444085X1

SCREW

EnglischBem: NOTE: Pos. (4) included in Pos. (1) and (2) Kit

16шт.

5

1443542X1

SCREW

DeutschDesc: SCHRAUBE

2шт.

6

1444351X1

DISC

DeutschDesc: SCHEIBE

2шт.

7

3004314X1

SCREW

DeutschDesc: SCHRAUBE

2шт.

7A

1443796X1

SPRING WASHER

DeutschDesc: FEDERRING

2шт.

8

1442851X1

DISC

DeutschDesc: SCHEIBE

2шт.

9

3003902X1

SCREW

DeutschDesc: SCHRAUBE

28шт.

9A

3092160M1

STUD BOLT

DeutschDesc: STIFTSCHRAUBE

12шт.

9B

1444304X1

NUT

DeutschDesc: MUTTER

12шт.

10

3002149X1

SPRING WASHER

DeutschDesc: FEDERRING

40шт.

11

3071958M1

COVER

DeutschDesc: DECKEL

1шт.

12

2903007M1

GASKET

DeutschDesc: DICHTUNG

1шт.

13

3071960M91

TUBE

DeutschDesc: ROHR

1шт.

14

1444310X1

NUT

DeutschDesc: MUTTER

1шт.

15

2903011M1

COVER

DeutschDesc: DECKEL

2шт.

16

2903012M1

GASKET

DeutschDesc: DICHTUNG

2шт.

17

1444131X1

SCREW

DeutschDesc: SCHRAUBE

16шт.

18

2901201M91

FILTER

DeutschDesc: FILTER

1шт.

19

1442936X1

SEAL

DeutschDesc: DICHTRING

1шт.

20

3086757M1

COVER

EnglischBem: FOR SUPPLEMENTARY GEARSET

1шт.

21

3070984M1

SEAL

EnglischBem: FOR SUPPLEMENTARY GEARSET

1шт.

22

2976457M1

RING

EnglischBem: FOR SUPPLEMENTARY GEARSET

1шт.

23

3006403X1

GROOVE PIN

EnglischBem: FOR SUPPLEMENTARY GEARSET

1шт.

24

3089755M91

COVER

EnglischBem: FOR SUPPLEMENTARY GEARSET

1шт.

25

3007120X1

O-RING

EnglischBem: FOR SUPPLEMENTARY GEARSET

1шт.

26

3089756M1

SLAT

EnglischBem: FOR SUPPLEMENTARY GEARSET

1шт.

27

339139X1

SCREW

EnglischBem: FOR SUPPLEMENTARY GEARSET

2шт.

28

391265X1

SEAL

DeutschDesc: DICHTRING

1шт.

29

1444271X1

PLUG

DeutschDesc: VERSCHLUSSSTOPFEN

1шт.

30

391265X1

SEAL

DeutschDesc: DICHTRING

1шт.

31

3092582M91

PILOT

DeutschDesc: FUEHRUNG

1шт.

32

1443792X1

SPRING WASHER

EnglischBem: FOR SUPPLEMENTARY GEARSET

2шт.

33

1444716X1

O-RING

DeutschDesc: O-RING

1шт.

34

3092578M91

OIL DIPSTICK

DeutschDesc: OELMESSSTAB

1шт.

35

1444074X1

SCREW

DeutschDesc: SCHRAUBE

4шт.

36

3002149X1

SPRING WASHER

DeutschDesc: FEDERRING

4шт.

37

2903158M91

SCREW

DeutschDesc: SCHRAUBE

1шт.

38

391265X1

SEAL

DeutschDesc: DICHTRING

1шт.

39

1444718X1

O-RING

DeutschDesc: O-RING

1шт.

40

1444250X1

PLUG

DeutschDesc: VERSCHLUSSSTOPFEN

22шт.

41

3093539M1

AXLE

DeutschDesc: ACHSE

1шт.

42

1444431X1

GROOVE PIN

DeutschDesc: KERBSTIFT

1шт.

Выбрано товаров: 45