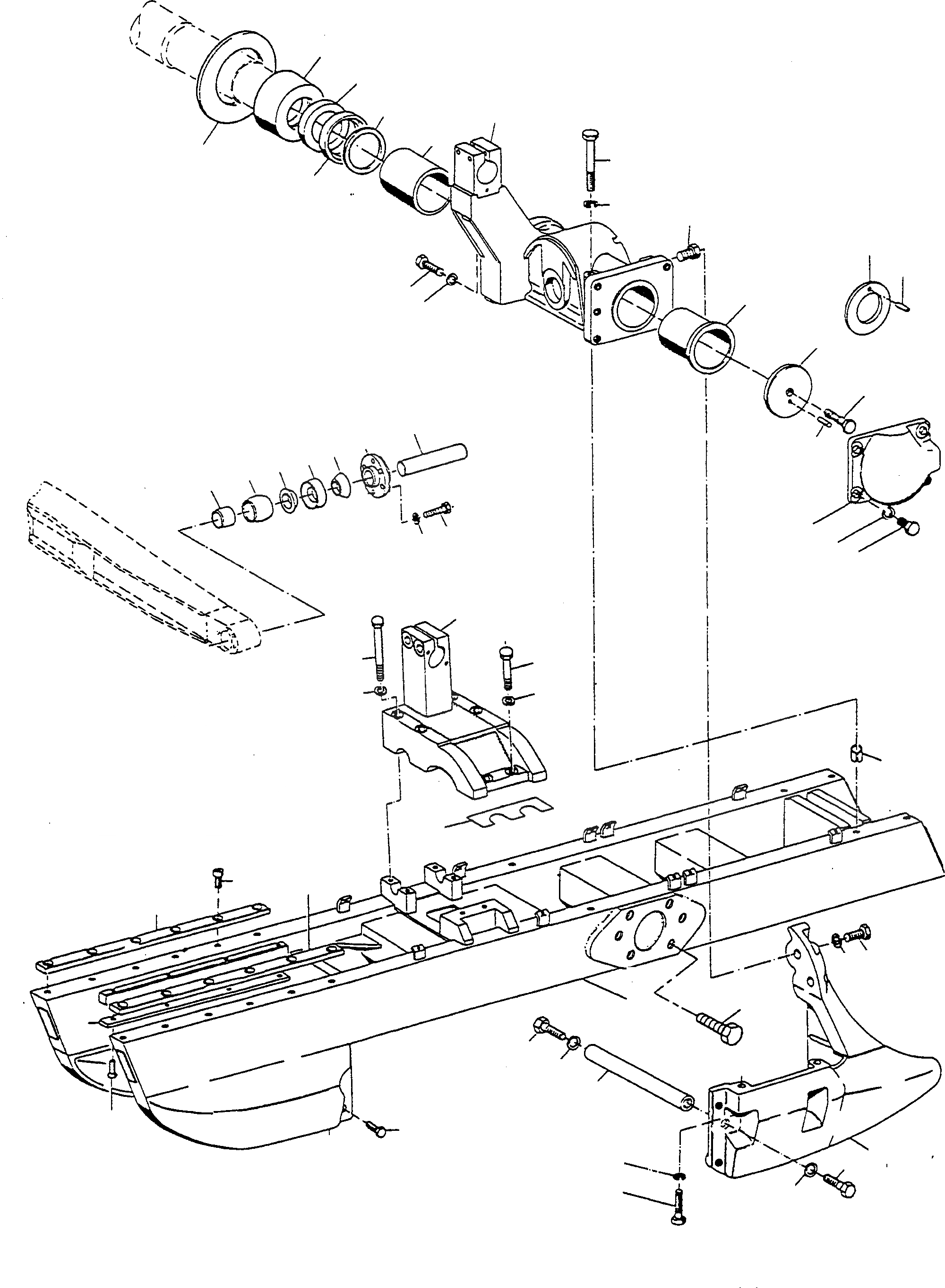
Запчасти Komatsu D600D НИЖН.CARRIAGE РАМА ТРАНСМИССИЯ И ЗАДН. МОСТ

Схема запчастей Komatsu D600D - НИЖН.CARRIAGE РАМА ТРАНСМИССИЯ И ЗАДН. МОСТ
31A
24
47
46
45
46
44
48
49
41
31
42
40
42
39A
1
30
21
28
22
27
23
29
25
20
51
52
32
25
33
34
50
35
43
36
37
38
39
26
11
10
10
18
19
2
53
3
8
4
15
17
14
9
7
5
13
12
15
17
6
16
17
FIT
1:1
100%

Артикул

Название

Примечание

Количество

1

3092594M91

FRAME

EnglischBem: LEFT 6-ROLLERS-UNDERCARRIAGE

1шт.

2

3092595M91

FRAME

EnglischBem: RIGHT 6-ROLLERS-UNDERCARRIAGE

1шт.

3

3092596M92

FRAME

EnglischBem: LEFT 7-ROLLERS UNDERCARRIAGE

1шт.

4

3092597M92

FRAME

EnglischBem: RIGHT 7-ROLLERS UNDERCARRIAGE

1шт.

5

2905008M2

DEFLECTOR

EnglischBem: NOTE: Pos. (5) included in Pos. (1) and (3) Kit

2шт.

6

2905009M2

DEFLECTOR

EnglischBem: NOTE: Pos. (6) included in Pos. (2) and (4) Kit

2шт.

7

1444060X1

SCREW

DeutschDesc: SCHRAUBE

8шт.

8

2905115M1

SLIDE RAIL

DeutschDesc: GLEITSCHIENE

4шт.

9

3002005X1

RIVET

DeutschDesc: NIET

16шт.

10

2905042M1

SLIDE RAIL

DeutschDesc: GLEITSCHIENE

4шт.

11

1444234X1

SCREW

DeutschDesc: SCHRAUBE

24шт.

12

3078393M92

DEFLECTOR

EnglischBem: LEFT

2шт.

13

3078394M92

DEFLECTOR

EnglischBem: RIGHT

2шт.

14

3078359M1

TIE ROD

DeutschDesc: ZUGANKER

2шт.

15

1444097X1

SCREW

DeutschDesc: SCHRAUBE

4шт.

16

1443676X1

SCREW

DeutschDesc: SCHRAUBE

8шт.

17

3002149X1

SPRING WASHER

DeutschDesc: FEDERRING

12шт.

18

1443539X1

SCREW

DeutschDesc: SCHRAUBE

8шт.

19

3002149X1

SPRING WASHER

DeutschDesc: FEDERRING

8шт.

20

3002001X1

SCREW

DeutschDesc: SCHRAUBE

8шт.

21

3092587M91

HOUSING

EnglischBem: LEFT

1шт.

22

3092588M91

HOUSING

EnglischBem: RIGHT

1шт.

23

1442834X1

SCREW

DeutschDesc: SCHRAUBE

8шт.

24

1443539X1

SCREW

DeutschDesc: SCHRAUBE

4шт.

25

3002149X1

SPRING WASHER

DeutschDesc: FEDERRING

12шт.

26

2999761M1

ADAPTER SLEEVES

DeutschDesc: SPANNHUELSE

8шт.

27

2909919M1

BUSHING

DeutschDesc: BUCHSE

2шт.

28

2999637M1

STRIPPER

DeutschDesc: ABSTREIFER

2шт.

29

3085428M1

RING

DeutschDesc: RING

2шт.

30

3085429M1

GASKET

DeutschDesc: DICHTUNG

2шт.

31

3093533M1

BUSHING

DeutschDesc: BUCHSE

2шт.

31A

2982436M1

SHEET

DeutschDesc: BLECH

-26шт.

32

2909957M1

BUSHING

DeutschDesc: BUCHSE

2шт.

33

2896029M1

DISC

DeutschDesc: SCHEIBE

2шт.

34

1444085X1

SCREW

DeutschDesc: SCHRAUBE

2шт.

35

1444431X1

GROOVE PIN

DeutschDesc: KERBSTIFT

2шт.

36

3097462M1

COVER

DeutschDesc: DECKEL

2шт.

37

3002149X1

SPRING WASHER

DeutschDesc: FEDERRING

8шт.

38

1443672X1

SCREW

DeutschDesc: SCHRAUBE

8шт.

39

3093522M91

CONSOLE

DeutschDesc: KONSOLE

2шт.

39A

2982294M1

EQUALIZER

DeutschDesc: AUSGLEICHELEMENT

-26шт.

39B

4000173M1

BLOCK

DeutschDesc: KLOTZ

2шт.

40

1444090X1

SCREW

DeutschDesc: SCHRAUBE

4шт.

41

1444027X1

SCREW

DeutschDesc: SCHRAUBE

8шт.

42

3002149X1

SPRING WASHER

DeutschDesc: FEDERRING

12шт.

43

3084064M1

INNER RACE

DeutschDesc: INNENRING

2шт.

44

3003580X1

BALL AND SOCKET JOIN

DeutschDesc: GELENKLAGER

2шт.

45

3080699M1

SEAL

DeutschDesc: DICHTRING

4шт.

46

3080698M1

THRUST WASHER

DeutschDesc: ANLAUFSCHEIBE

8шт.

47

3080663M1

COVER

DeutschDesc: DECKEL

4шт.

48

1443790X1

SPRING WASHER

DeutschDesc: FEDERRING

24шт.

49

339451X1

SCREW

DeutschDesc: SCHRAUBE

24шт.

50

3093538M1

AXLE

DeutschDesc: ACHSE

2шт.

51

2896030M2

DISC

DeutschDesc: SCHEIBE

2шт.

52

1444432X1

GROOVE PIN

DeutschDesc: KERBSTIFT

2шт.

Выбрано товаров: 55