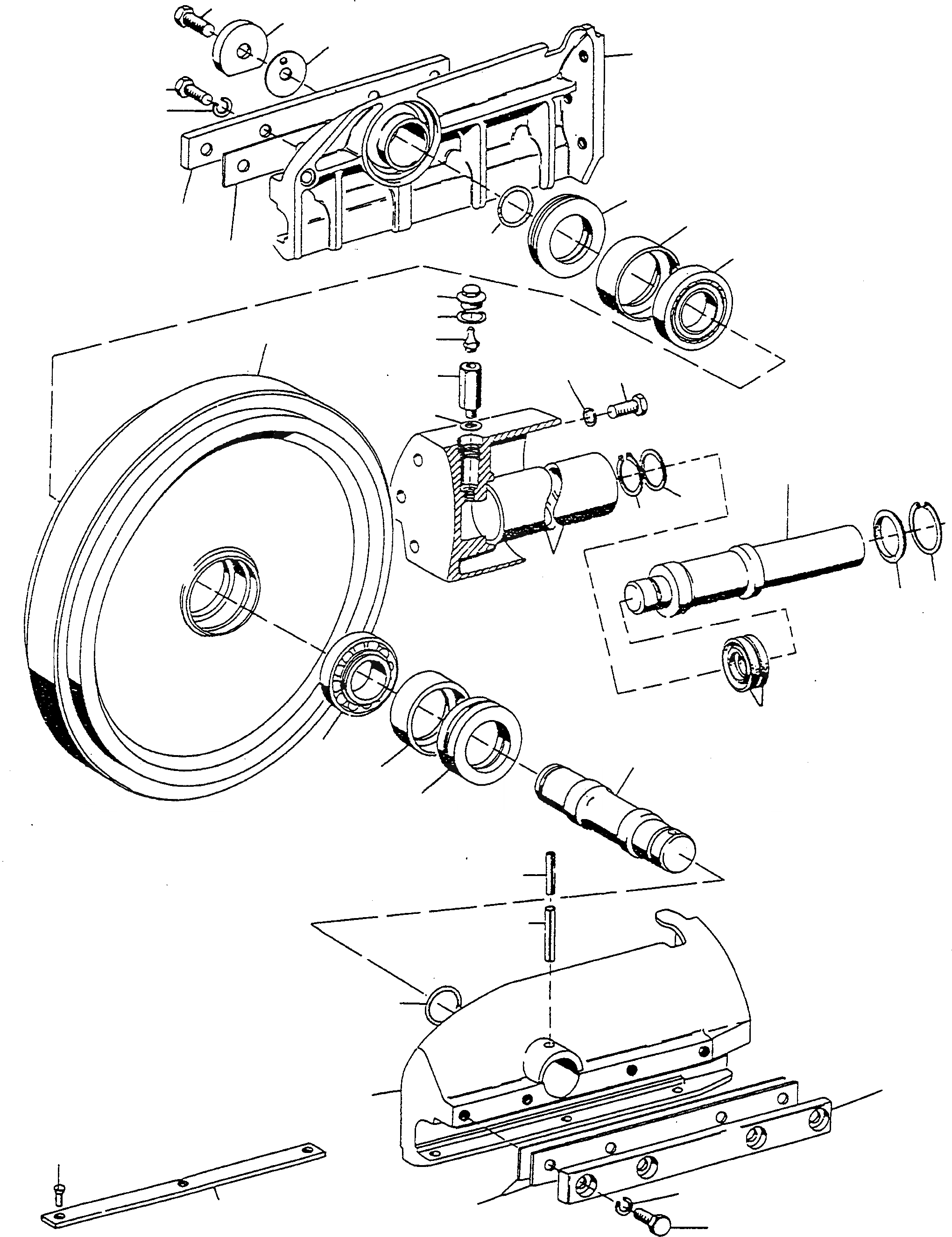
Запчасти Komatsu D600D ЛЕНИВЕЦ ТРАНСМИССИЯ И ЗАДН. МОСТ

Схема запчастей Komatsu D600D - ЛЕНИВЕЦ ТРАНСМИССИЯ И ЗАДН. МОСТ
15
14
11
12
8
13
33
34
6
35
5
3
4
32
25
24
1
23
20
19
22
21
26
28
27
18
31
30
29
4
2
5
6
17
16
3
35
7
10
34
32
9
33
FIT
1:1
100%

Артикул

Название

Примечание

Количество

1

3094635M91

IDLER

DeutschDesc: LEITRAD

2шт.

2

2880484M1

AXLE

EnglischBem: NOTE: Pos.(2) included in Pos.(36) Kit

2шт.

3

3007099X1

O-RING

EnglischBem: NOTE: Pos.(3) included in Pos.(36) Kit

4шт.

4

2999729M1

ROLLER BEARING

EnglischBem: NOTE: Pos.(4) included in Pos.(36) Kit

4шт.

5

2899118M1

RING

EnglischBem: NOTE: Pos.(5) included in Pos.(36) Kit

4шт.

6

2999891M1

GASKET

EnglischBem: NOTE: Pos.(6) included in Pos.(36) Kit

4шт.

7

3094045M1

FORK

DeutschDesc: GABEL

2шт.

8

3094046M1

FORK

DeutschDesc: GABEL

2шт.

9

2905058M1

SLIDE RAIL

DeutschDesc: GLEITSCHIENE

4шт.

10

390422X1

RIVET

DeutschDesc: NIET

12шт.

11

2909511M1

DISC

EnglischBem: THICKNESS 0,5 MM NOTE: Pos.(11) included in Pos.(36) Kit

-26шт.

12

2909510M1

DISC

EnglischBem: THICKNESS 0,3 MM NOTE: Pos.(12) included in Pos.(36) Kit

-26шт.

13

2909509M1

DISC

EnglischBem: THICKNESS 0,4 MM NOTE: Pos.(13) included in Pos.(36) Kit

-26шт.

14

2909937M1

THRUST PLATE

EnglischBem: NOTE: Pos.(14) included in Pos.(36) Kit

2шт.

15

1444074X1

SCREW

EnglischBem: NOTE: Pos.(15) included in Pos.(36) Kit

2шт.

16

1444440X1

ADAPTER SLEEVES

EnglischBem: NOTE: Pos.(16) included in Pos.(36) Kit

2шт.

17

1444443X1

ADAPTER SLEEVES

EnglischBem: NOTE: Pos.(17) included in Pos.(36) Kit

2шт.

18

3094021M91

CYLINDER

DeutschDesc: ZYLINDER

2шт.

19

391678X1

SCREW

DeutschDesc: SCHRAUBE

12шт.

20

1443796X1

SPRING WASHER

DeutschDesc: FEDERRING

12шт.

21

1440997X1

SEAL

DeutschDesc: DICHTRING

2шт.

22

2905203M92

LUBRICATION NIPPLE

DeutschDesc: SCHMIERNIPPEL

2шт.

23

339608X1

LUBRICATION NIPPLE

DeutschDesc: SCHMIERNIPPEL

2шт.

24

391305X1

SEAL

DeutschDesc: DICHTRING

2шт.

25

1443753X1

SCREW

DeutschDesc: SCHRAUBE

2шт.

26

2905084M1

CYLINDER ROD

DeutschDesc: KOLBENSTANGE

2шт.

27

339605X1

CIRCLIP

DeutschDesc: SICHERUNGSRING

2шт.

28

2895952M1

DISC

DeutschDesc: SCHEIBE

2шт.

29

2998516M91

PACKING ASSEMBLY

DeutschDesc: DACHMANSCHETTENSATZ

2шт.

30

2999665M1

STRIPPER

DeutschDesc: ABSTREIFER

2шт.

31

1444481X1

SNAP RING

DeutschDesc: SPRENGRING

2шт.

32

2909928M1

ADJ SLIDE

EnglischBem: THICKNESS 0,5 MM

-26шт.

33

391706X1

SCREW

DeutschDesc: SCHRAUBE

16шт.

34

1443796X1

SPRING WASHER

DeutschDesc: FEDERRING

16шт.

35

2905163M1

SLIDE RAIL

DeutschDesc: GLEITSCHIENE

4шт.

36

2963815M91

REPAIR KIT

DeutschDesc: REPARATURSATZ

1шт.

Выбрано товаров: 36