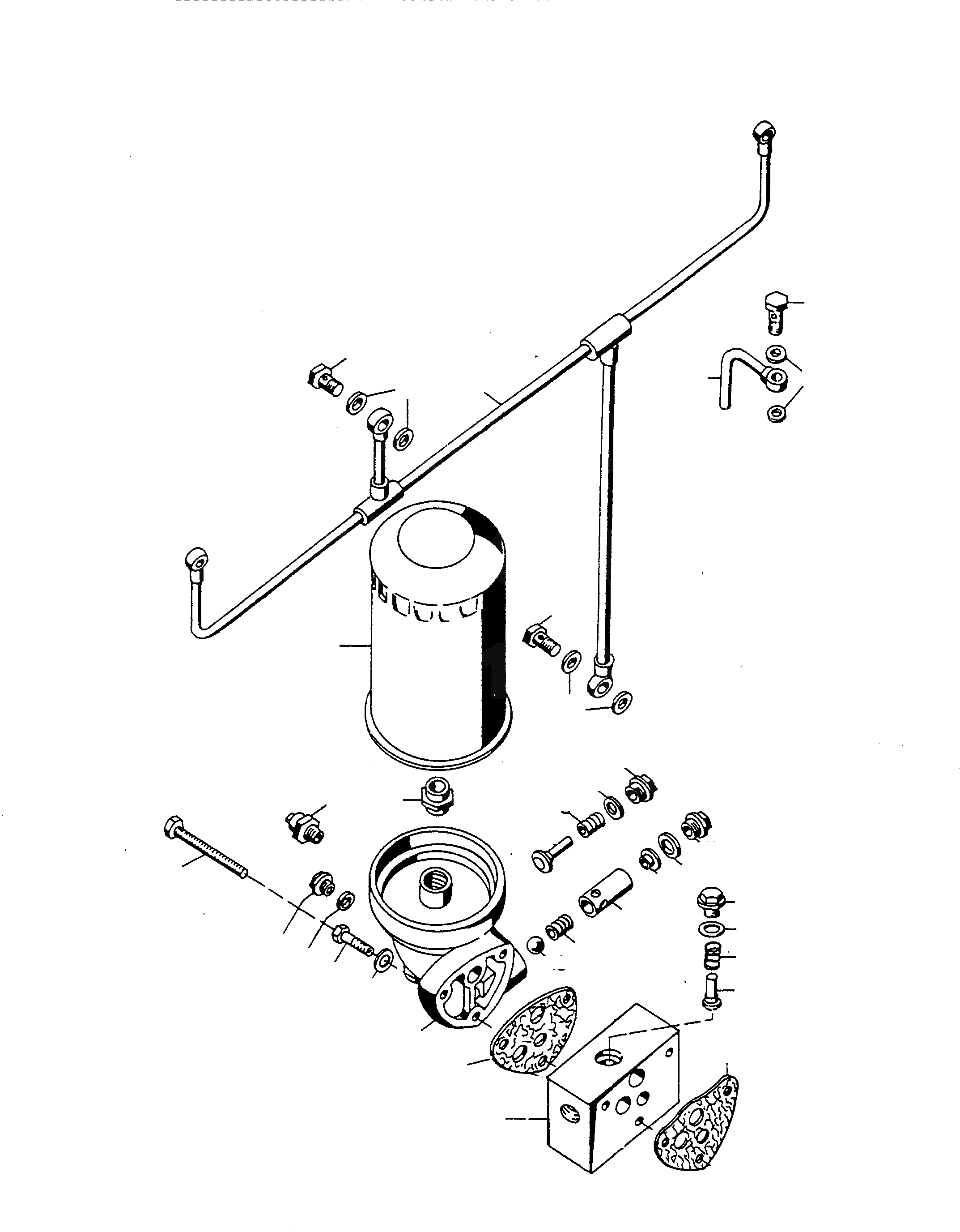
Запчасти Komatsu D600D МАСЛ. ФИЛЬТР ДВИГАТЕЛЬ, АКСЕССУАРЫ И ЭЛЕКТРИЧ. СИСТЕМА

Схема запчастей Komatsu D600D - МАСЛ. ФИЛЬТР ДВИГАТЕЛЬ, АКСЕССУАРЫ И ЭЛЕКТРИЧ. СИСТЕМА
7
11
13
2
16
19
6
5
21
4
1
3
27
4
17
18
10
28
31
12
17
14
18
22
15
20
23
24
25
21
9
30
26
29
FIT
1:1
100%

Артикул

Название

Примечание

Количество

1

2872742M91

PIPE

DeutschDesc: ROHRLEITUNG

1шт.

2

1444756X1

BANJO BOLT

DeutschDesc: HOHLSCHRAUBE

3шт.

3

2999617M1

BANJO BOLT

DeutschDesc: HOHLSCHRAUBE

1шт.

4

1440993X1

SEAL

DeutschDesc: DICHTRING

8шт.

5

2871029M91

PIPE

DeutschDesc: ROHRLEITUNG

3шт.

6

391376X1

SEAL

DeutschDesc: DICHTRING

6шт.

7

2999609M1

BANJO BOLT

DeutschDesc: HOHLSCHRAUBE

3шт.

8

NOT USED

DeutschDesc: NICHT VERWENDET

-1шт.

9

2871715M1

FILTER HEAD

DeutschDesc: FILTERKOPF

1шт.

10

2871720M1

STUD

DeutschDesc: STUTZEN

1шт.

11

1443859X1

SCREW

DeutschDesc: SCHRAUBE

1шт.

12

391313X1

SEAL

DeutschDesc: DICHTRING

1шт.

13

2871718M1

SPRING SEAT

DeutschDesc: FEDERTELLER

1шт.

14

2871716M1

PILOT

DeutschDesc: FUEHRUNG

1шт.

15

2871717M1

SPRING

DeutschDesc: FEDER

1шт.

16

1443829X1

BALL

DeutschDesc: KUGEL

1шт.

17

2862664M1

PLUG

DeutschDesc: VERSCHLUSSSTOPFEN

2шт.

18

390855X1

SEAL

DeutschDesc: DICHTRING

2шт.

19

2862662M1

SPRING

DeutschDesc: FEDER

1шт.

20

2972248M1

SPRING

DeutschDesc: FEDER

1шт.

21

2862663M1

POPPET

DeutschDesc: VENTILKEGEL

2шт.

22

1444266X1

PLUG

DeutschDesc: VERSCHLUSSSTOPFEN

1шт.

23

1440993X1

SEAL

DeutschDesc: DICHTRING

1шт.

24

NOT USED

DeutschDesc: NICHT VERWENDET

-1шт.

25

1443780X1

SPRING PLATE

DeutschDesc: FEDERSCHEIBE

3шт.

26

2871719M1

GASKET

DeutschDesc: DICHTUNG

1шт.

27

2871722M2

FILTER

DeutschDesc: FILTER

1шт.

28

2992199M1

OIL SWITCH

DeutschDesc: OELDRUCKSCHALTER

1шт.

29

2972246M1

CONSOLE

DeutschDesc: KONSOLE

1шт.

30

2972247M1

GASKET

DeutschDesc: DICHTUNG

1шт.

31

1443652X1

SCREW

DeutschDesc: SCHRAUBE

3шт.

Выбрано товаров: 31