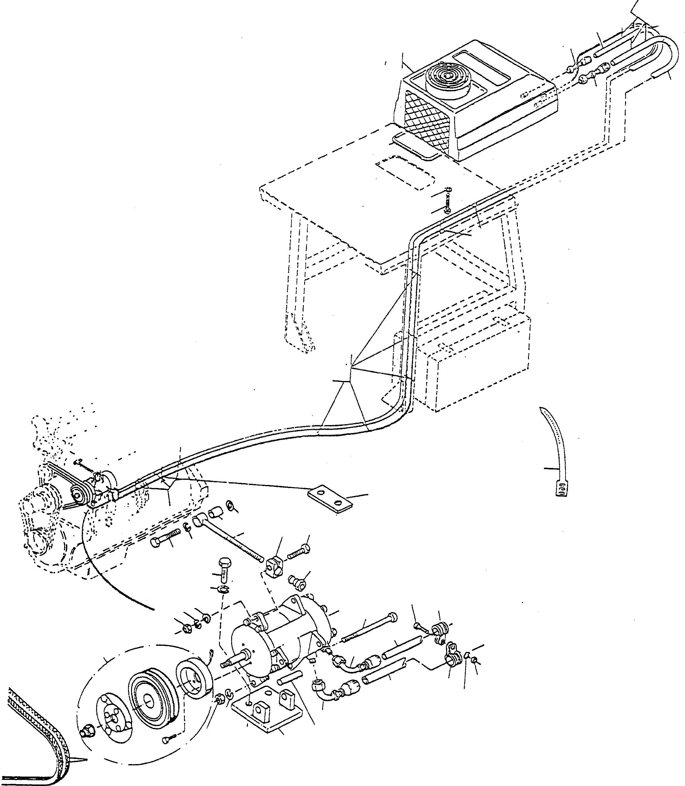
Запчасти Komatsu D600D КОНДИЦ. ВОЗДУХА, EXECUTION II ВЕНТИЛЯТОР В КРЫШЕ С ФИЛЬТР.

Схема запчастей Komatsu D600D - КОНДИЦ. ВОЗДУХА, EXECUTION II ВЕНТИЛЯТОР В КРЫШЕ С ФИЛЬТР.
34
41
35
27
43
35
33
34
19
14
8A
39
7A
40
7B
10
11
28
32
42
35
44
34
45
35
26
20
16
22
21
15
12
13
36
34
1
8
7
9
27
31
2
38
35
28
37
30
25
FIT
1:1
100%

Артикул

Название

Примечание

Количество

1

3092916M91

COMPACTOR

DeutschDesc: VERDICHTER

1шт.

2

4915423M91

NOT USED

DeutschDesc: NICHT VERWENDET

-1шт.

3

NOT USED

DeutschDesc: NICHT VERWENDET

-1шт.

4

NOT USED

DeutschDesc: NICHT VERWENDET

-1шт.

5

NOT USED

DeutschDesc: NICHT VERWENDET

-1шт.

6

NOT USED

DeutschDesc: NICHT VERWENDET

-1шт.

7

3002812X1

SCREW

DeutschDesc: SCHRAUBE

1шт.

7A

339402X1

NUT

DeutschDesc: MUTTER

1шт.

7B

1443790X1

SPRING WASHER

DeutschDesc: FEDERRING

1шт.

8

1443789X1

SPRING WASHER

DeutschDesc: FEDERRING

1шт.

8A

390972X1

PLAIN WASHER

DeutschDesc: UNTERLEGSCHEIBE

1шт.

9

339169X1

NUT

DeutschDesc: MUTTER

1шт.

10

4020979M91

BRACKET

DeutschDesc: HALTER

1шт.

11

3092920M91

DISTANCE PIECE

DeutschDesc: DISTANZSTUECK

1шт.

12

339299X1

SCREW

DeutschDesc: SCHRAUBE

2шт.

13

1443792X1

SPRING WASHER

DeutschDesc: FEDERRING

2шт.

14

2872750M1

BRACKET

DeutschDesc: HALTER

1шт.

15

2872751M1

NUT

DeutschDesc: MUTTER

1шт.

16

339168X1

SCREW

DeutschDesc: SCHRAUBE

1шт.

17

NOT USED

DeutschDesc: NICHT VERWENDET

-1шт.

18

NOT USED

DeutschDesc: NICHT VERWENDET

-1шт.

19

2871821M91

SCREW

DeutschDesc: SCHRAUBE

1шт.

20

2872762M1

TUBE

DeutschDesc: ROHR

1шт.

21

339132X1

SCREW

DeutschDesc: SCHRAUBE

1шт.

22

1443789X1

SPRING WASHER

DeutschDesc: FEDERRING

1шт.

23

NOT USED

DeutschDesc: NICHT VERWENDET

-1шт.

24

NOT USED

DeutschDesc: NICHT VERWENDET

-1шт.

25

3002570X1

V-BELT

DeutschDesc: KEILRIEMEN

1шт.

26

391039X1

PLAIN WASHER

DeutschDesc: UNTERLEGSCHEIBE

1шт.

27

3243218M1

HOSE

EnglischBem: 6500 MM

1шт.

28

3243219M1

HOSE

EnglischBem: 6500 MM

1шт.

29

NOT USED

DeutschDesc: NICHT VERWENDET

-1шт.

30

NOT USED

DeutschDesc: NICHT VERWENDET

-1шт.

31

3092910M1

UNION

DeutschDesc: VERSCHRAUBUNG

1шт.

32

3243220M1

UNION

DeutschDesc: VERSCHRAUBUNG

1шт.

33

3092907M1

UNION

DeutschDesc: VERSCHRAUBUNG

1шт.

34

1444658X1

HOLDING CLAMP

DeutschDesc: HALTESCHELLE

15шт.

35

1444663X1

HOLDING CLAMP

DeutschDesc: HALTESCHELLE

15шт.

36

339804X1

SCREW

DeutschDesc: SCHRAUBE

15шт.

37

1443791X1

SPRING WASHER

DeutschDesc: FEDERRING

15шт.

38

339030X1

NUT

DeutschDesc: MUTTER

15шт.

39

4003473M91

AIR CONDITIONER

DeutschDesc: KLIMAANLAGE

1шт.

|$49

AIR CONDITIONER

DeutschDesc: KLIMAANLAGE

-3шт.

40

4003472M91

AIR CONDITIONER

DeutschDesc: KLIMAANLAGE

1шт.

|$50

AIR CONDITIONER

DeutschDesc: KLIMAANLAGE

-3шт.

41

4003584M1

SEALING

DeutschDesc: ABDICHTUNG

1шт.

42

1443790X1

SPRING WASHER

DeutschDesc: FEDERRING

4шт.

43

339018X1

SCREW

DeutschDesc: SCHRAUBE

4шт.

44

2999878M1

BRACE

DeutschDesc: HALTEBAND

30шт.

45

4020976M1

BRACKET

DeutschDesc: HALTER

1шт.

Выбрано товаров: 50