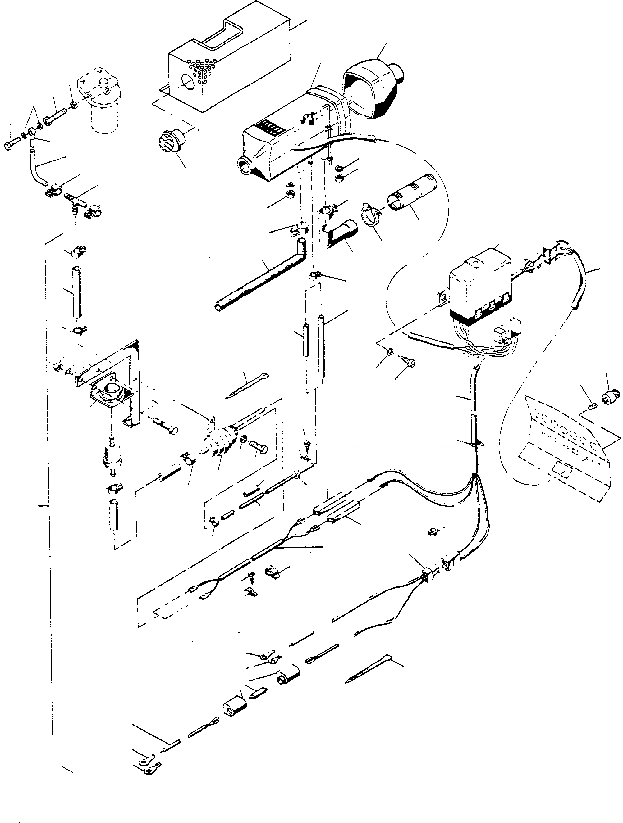
Запчасти Komatsu D600D ДОПОЛН. ОБОГРЕВ., СПЕЦ. ОБОРУД-Е ШАССИ И SUPERSTRUCTURE

Схема запчастей Komatsu D600D - ДОПОЛН. ОБОГРЕВ., СПЕЦ. ОБОРУД-Е ШАССИ И SUPERSTRUCTURE
3
2
1
55
37
38
30
14
39
45
43
41
42
34
62
48
22
24
18
61
60
59
58
57
7
55
6
4
56
10
7
6
13
8
12
55
9
11
17
36
48
47
51
54
53
16
19
15
20
50
52
40
21
49
46
44
47
31
47
5
31
36
32
23
33
35
25
30
26
27
28
29
FIT
1:1
100%

Артикул

Название

Примечание

Количество

1

3094088M91

HEATER

DeutschDesc: HEIZUNG

1шт.

2

NOT USED

DeutschDesc: NICHT VERWENDET

-1шт.

3

2988356M91

CASE

DeutschDesc: KASTEN

1шт.

4

NOT USED

DeutschDesc: NICHT VERWENDET

-1шт.

5

3094089M91

REPAIR KIT

DeutschDesc: REPARATURSATZ

1шт.

06

NOT USED

DeutschDesc: NICHT VERWENDET

-1шт.

07

NOT USED

DeutschDesc: NICHT VERWENDET

-1шт.

08

NOT USED

DeutschDesc: NICHT VERWENDET

-1шт.

9

2988363M1

HOSE

DeutschDesc: SCHLAUCH

1шт.

10

NOT USED

DeutschDesc: NICHT VERWENDET

-1шт.

11

2988362M1

ANGLE

DeutschDesc: WINKEL

1шт.

12

2988364M1

CLIP

DeutschDesc: SCHELLE

1шт.

13

3095563M1

TUBE

DeutschDesc: ROHR

1шт.

14

NOT USED

DeutschDesc: NICHT VERWENDET

-1шт.

15

NOT USED

DeutschDesc: NICHT VERWENDET

-1шт.

16

NOT USED

DeutschDesc: NICHT VERWENDET

-1шт.

17

NOT USED

DeutschDesc: NICHT VERWENDET

-1шт.

18

3094651M91

SWITCH

DeutschDesc: SCHALTER

1шт.

19

2988361M1

BULB

DeutschDesc: GLUEHLAMPE

1шт.

20

2983014M1

TUBE

DeutschDesc: ROHR

1шт.

21

NOT USED

DeutschDesc: NICHT VERWENDET

-1шт.

22

NOT USED

DeutschDesc: NICHT VERWENDET

-1шт.

23

NOT USED

DeutschDesc: NICHT VERWENDET

-1шт.

24

NOT USED

DeutschDesc: NICHT VERWENDET

-1шт.

25

NOT USED

DeutschDesc: NICHT VERWENDET

-1шт.

26

NOT USED

DeutschDesc: NICHT VERWENDET

-1шт.

27

NOT USED

DeutschDesc: NICHT VERWENDET

-1шт.

28

NOT USED

DeutschDesc: NICHT VERWENDET

-1шт.

29

NOT USED

DeutschDesc: NICHT VERWENDET

-1шт.

30

NOT USED

DeutschDesc: NICHT VERWENDET

-1шт.

31

NOT USED

DeutschDesc: NICHT VERWENDET

-1шт.

32

NOT USED

DeutschDesc: NICHT VERWENDET

-1шт.

33

NOT USED

DeutschDesc: NICHT VERWENDET

-1шт.

34

NOT USED

DeutschDesc: NICHT VERWENDET

-1шт.

35

NOT USED

DeutschDesc: NICHT VERWENDET

-1шт.

36

NOT USED

DeutschDesc: NICHT VERWENDET

-1шт.

37

NOT USED

DeutschDesc: NICHT VERWENDET

-1шт.

38

NOT USED

DeutschDesc: NICHT VERWENDET

-1шт.

39

NOT USED

DeutschDesc: NICHT VERWENDET

-1шт.

40

NOT USED

DeutschDesc: NICHT VERWENDET

-1шт.

41

NOT USED

DeutschDesc: NICHT VERWENDET

-1шт.

42

NOT USED

DeutschDesc: NICHT VERWENDET

-1шт.

43

NOT USED

DeutschDesc: NICHT VERWENDET

-1шт.

44

NOT USED

DeutschDesc: NICHT VERWENDET

-1шт.

45

NOT USED

DeutschDesc: NICHT VERWENDET

-1шт.

46

NOT USED

DeutschDesc: NICHT VERWENDET

-1шт.

47

NOT USED

DeutschDesc: NICHT VERWENDET

-1шт.

48

NOT USED

DeutschDesc: NICHT VERWENDET

-1шт.

49

2931620M1

FUEL FILTER

DeutschDesc: KRAFTSTOFFILTER

1шт.

50

NOT USED

DeutschDesc: NICHT VERWENDET

-1шт.

51

NOT USED

DeutschDesc: NICHT VERWENDET

-1шт.

52

NOT USED

DeutschDesc: NICHT VERWENDET

-1шт.

53

NOT USED

DeutschDesc: NICHT VERWENDET

-1шт.

54

NOT USED

DeutschDesc: NICHT VERWENDET

-1шт.

55

NOT USED

DeutschDesc: NICHT VERWENDET

-1шт.

56

NOT USED

DeutschDesc: NICHT VERWENDET

-1шт.

57

NOT USED

DeutschDesc: NICHT VERWENDET

-1шт.

58

2862426M91

BANJO FITTING

DeutschDesc: RINGSTUECK

1шт.

59

2999609M1

BANJO BOLT

DeutschDesc: HOHLSCHRAUBE

1шт.

60

391376X1

SEAL

DeutschDesc: DICHTRING

2шт.

61

1444757X1

BANJO BOLT

DeutschDesc: HOHLSCHRAUBE

1шт.

62

390839X1

SEAL

DeutschDesc: DICHTRING

2шт.

Выбрано товаров: 62