Запчасти Komatsu D600D ГЕНЕРАТОР И СТАРТЕР ДВИГАТЕЛЬ, АКСЕССУАРЫ И ЭЛЕКТРИЧ. СИСТЕМА

Схема запчастей Komatsu D600D - ГЕНЕРАТОР И СТАРТЕР ДВИГАТЕЛЬ, АКСЕССУАРЫ И ЭЛЕКТРИЧ. СИСТЕМА
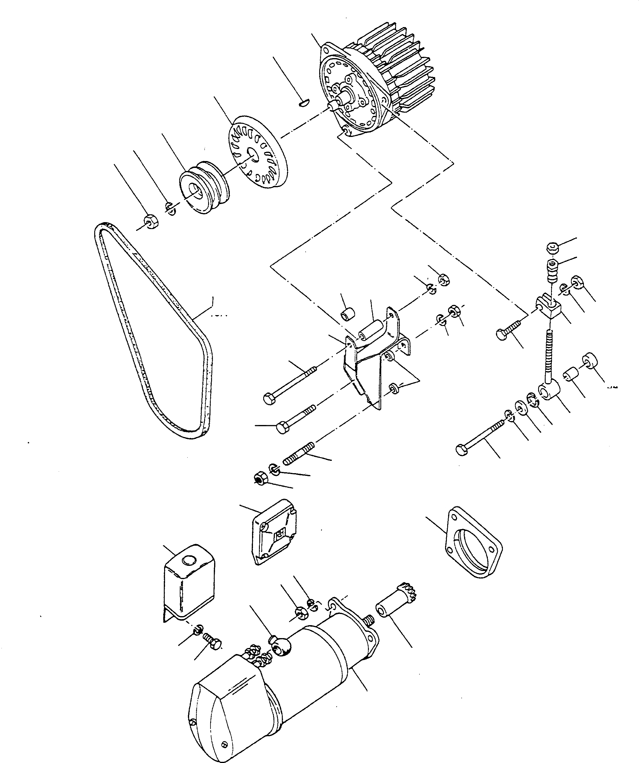
1
2
3
4
8A
15
18
34
35
38
36
36A
5
6
7
22
17
26
16
14
13
8
17
15
9
24
22
10
21
11
12
25
20
33
27
28
19
32
31
15
29
23
30
15
17
43
42
39
40
41
45
37
44
1
FIT
1:1
100%

Артикул

Название

Примечание

Количество

1

2872767M91

ALTERNATOR

EnglischBem: 35A

1шт.

|$47

ALTERNATOR

DeutschDesc: LICHTM.DREHSTROM

-3шт.

2

2871814M91

ALTERNATOR

EnglischBem: 18A

1шт.

|$48

ALTERNATOR

DeutschDesc: LICHTM.DREHSTROM

-3шт.

3

391728X1

WOODRUFF KEY

EnglischBem: NOTE: Pos. (3) included in Pos. (1) and (2) Kit

1шт.

4

2862841M1

FAN

EnglischBem: NOTE: Pos. (4) included in Pos. (1) and (2) Kit

1шт.

5

2871787M1

PULLEY

EnglischBem: NOTE: Pos. (5) included in Pos. (1) and (2) Kit

1шт.

6

1443794X1

SPRING WASHER

EnglischBem: NOTE: Pos. (6) included in Pos. (1) and (2) Kit

1шт.

7

1443757X1

NUT

EnglischBem: NOTE: Pos. (7) included in Pos. (1) and (2) Kit

1шт.

8

V-BELT

DeutschDesc: KEILRIEMENSATZ

1шт.

|$57

V-BELT

DeutschDesc: KEILRIEMENSATZ

-3шт.

9

2871818M91

BRACKET

DeutschDesc: HALTER

1шт.

10

3093438M91

BRACKET

EnglischBem: FOR ALTERNATOR 35A

1шт.

11

1443657X1

SCREW

DeutschDesc: SCHRAUBE

1шт.

12

1442487X1

SCREW

EnglischBem: FOR ALTERNATOR 35A

1шт.

13

2871796M1

TUBE

DeutschDesc: ROHR

1шт.

14

3093439M1

TUBE

EnglischBem: FOR ALTERNATOR 35A

1шт.

15

1443789X1

SPRING WASHER

DeutschDesc: FEDERRING

4шт.

16

1443790X1

SPRING WASHER

EnglischBem: FOR ALTERNATOR 35A

1шт.

17

339169X1

NUT

DeutschDesc: MUTTER

3шт.

18

339402X1

NUT

EnglischBem: FOR ALTERNATOR 35A

1шт.

19

339582X1

SCREW

DeutschDesc: SCHRAUBE

1шт.

20

2871792M1

BUSHING

DeutschDesc: BUCHSE

2шт.

21

1443790X1

SPRING WASHER

DeutschDesc: FEDERRING

1шт.

22

339402X1

NUT

DeutschDesc: MUTTER

2шт.

23

1443740X1

STUD BOLT

DeutschDesc: STIFTSCHRAUBE

1шт.

24

2872750M1

CLAMPING DEVICE

DeutschDesc: KLEMMVORRICHTUNG

1шт.

25

339011X1

SCREW

DeutschDesc: SCHRAUBE

1шт.

26

2872751M1

NUT

DeutschDesc: MUTTER

1шт.

27

2872766M91

EYE BOLT

DeutschDesc: AUGENSCHRAUBE

1шт.

28

2871821M91

EYE BOLT

EnglischBem: FOR ALTERNATOR 35A

1шт.

29

3002899X1

SCREW

DeutschDesc: SCHRAUBE

1шт.

30

1443654X1

SCREW

EnglischBem: FOR ALTERNATOR 35A

1шт.

31

391039X1

PLAIN WASHER

DeutschDesc: UNTERLEGSCHEIBE

1шт.

32

1443796X1

SPRING WASHER

DeutschDesc: FEDERRING

1шт.

33

2963569M1

BUSHING

DeutschDesc: BUCHSE

1шт.

34

2871797M1

BUSHING

DeutschDesc: BUCHSE

1шт.

35

2872757M1

BUSHING

EnglischBem: FOR ALTERNATOR 35A

1шт.

36

2871840M92

STARTERMOTOR

EnglischBem: SN: - 10 593 308

1шт.

|$49

STARTERMOTOR

DeutschDesc: ANLASSER

-3шт.

36A

3095297M91

STARTERMOTOR

EnglischBem: SN: 10 593 309 -

1шт.

|$50

STARTERMOTOR

DeutschDesc: ANLASSER

-3шт.

37

2871822M1

PINION

DeutschDesc: RITZEL

1шт.

38

2871830M1

FLANGE

DeutschDesc: FLANSCH

1шт.

39

1443790X1

SPRING WASHER

DeutschDesc: FEDERRING

3шт.

40

339402X1

NUT

DeutschDesc: MUTTER

3шт.

41

1444011X1

SECURITY CAP

DeutschDesc: SCHUTZKAPPE

2шт.

42

2871815M91

CONTROLLER

DeutschDesc: REGLER

1шт.

43

2945680M1

CONTROLLER

EnglischBem: FOR ALTERNATOR 35A

1шт.

44

339666X1

SCREW

DeutschDesc: SCHRAUBE

2шт.

45

1443791X1

SPRING WASHER

DeutschDesc: FEDERRING

2шт.

Выбрано товаров: 51