Запчасти Komatsu D600D ДВИГАТЕЛЬ, КРЕПЛЕНИЕ ДВИГАТЕЛЯ ДВИГАТЕЛЬ, АКСЕССУАРЫ И ЭЛЕКТРИЧ. СИСТЕМА

Схема запчастей Komatsu D600D - ДВИГАТЕЛЬ, КРЕПЛЕНИЕ ДВИГАТЕЛЯ ДВИГАТЕЛЬ, АКСЕССУАРЫ И ЭЛЕКТРИЧ. СИСТЕМА
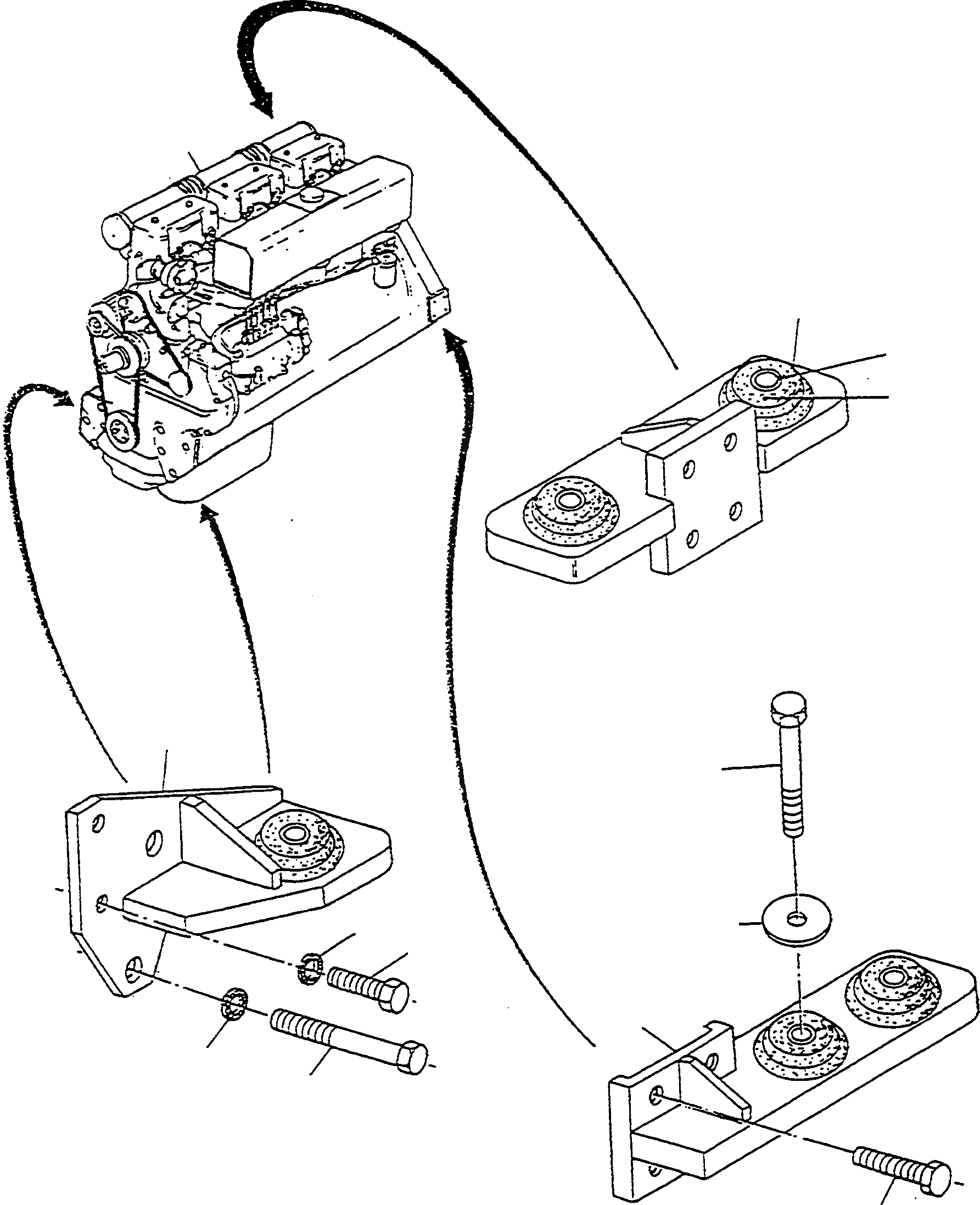
1
4A
6A
12
11
9
14
13
2
3
5
4
8
7
6
10
FIT
1:1
100%

Артикул

Название

Примечание

Количество

1

3095222M91

ENGINE

EnglischBem: D 962 K

1шт.

2

3094066M91

ENGINE CARRIER

EnglischBem: LEFT

1шт.

3

3094067M91

ENGINE CARRIER

EnglischBem: RIGHT

1шт.

4

339401X1

SCREW

DeutschDesc: SCHRAUBE

2шт.

4A

390799X1

SCREW

DeutschDesc: SCHRAUBE

2шт.

5

2993793X1

SPRING WASHER

DeutschDesc: FEDERRING

4шт.

6

2998767M1

SCREW

DeutschDesc: SCHRAUBE

3шт.

6A

1442831X1

SCREW

DeutschDesc: SCHRAUBE

1шт.

7

2994704M1

SPRING WASHER

DeutschDesc: FEDERRING

4шт.

8

3094077M91

ENGINE CARRIER

EnglischBem: LEFT

1шт.

9

3094078M91

ENGINE CARRIER

EnglischBem: RIGHT

1шт.

10

1444088X1

SCREW

DeutschDesc: SCHRAUBE

8шт.

11

1444031X1

SCREW

DeutschDesc: SCHRAUBE

4шт.

12

2948089M1

PLAIN WASHER

DeutschDesc: UNTERLEGSCHEIBE

6шт.

13

2977271M1

VIBRATION MOUNT

DeutschDesc: GUMMIMETALL

6шт.

14

2977272M1

SLEEVE

DeutschDesc: HUELSE

6шт.

Выбрано товаров: 0