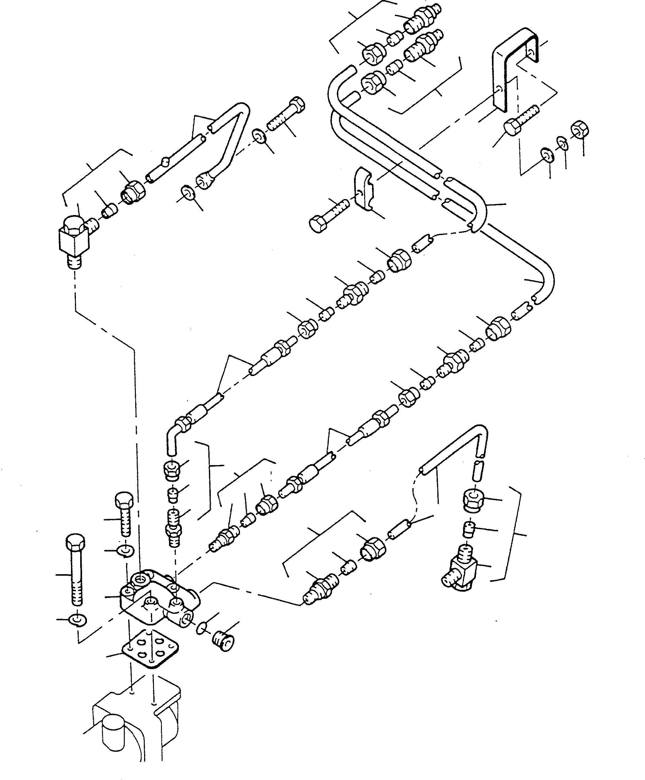
Запчасти Komatsu D600D CONVERTER МАСЛ. ОХЛАЖД-Е ДВИГАТЕЛЬ, АКСЕССУАРЫ И ЭЛЕКТРИЧ. СИСТЕМА

Схема запчастей Komatsu D600D - CONVERTER МАСЛ. ОХЛАЖД-Е ДВИГАТЕЛЬ, АКСЕССУАРЫ И ЭЛЕКТРИЧ. СИСТЕМА
33
34
22
36
35
34
36
35
33
12
37
13
38
8
14
10
43
42
11
41
40
9
32
14
39
29
30
28
31
27
26
29
30
28
25
27
26
24
22
20
23
23
21
10
21
19
3
15
17
11
8
18
5
16
9
4
1
7
6
5
2
FIT
1:1
100%

Артикул

Название

Примечание

Количество

1

2903298M1

HEAD

DeutschDesc: KOPF

1шт.

2

2909398M1

GASKET

DeutschDesc: DICHTUNG

1шт.

3

1444054X1

SCREW

DeutschDesc: SCHRAUBE

3шт.

4

339475X1

SCREW

DeutschDesc: SCHRAUBE

3шт.

5

1443790X1

SPRING WASHER

DeutschDesc: FEDERRING

4шт.

6

1444263X1

PLUG

DeutschDesc: VERSCHLUSSSTOPFEN

1шт.

7

391313X1

SEAL

DeutschDesc: DICHTRING

1шт.

8

3002467X91

UNION

DeutschDesc: VERSCHRAUBUNG

2шт.

9

NOT USED

DeutschDesc: NICHT VERWENDET

-1шт.

10

1442060X1

BOXNUT

DeutschDesc: UEBERWURFMUTTER

2шт.

11

1444691X1

OLIVE

DeutschDesc: SCHNEIDRING

2шт.

12

2978214M91

PIPE

DeutschDesc: ROHRLEITUNG

1шт.

13

2999614M1

BANJO BOLT

DeutschDesc: HOHLSCHRAUBE

1шт.

14

391313X1

SEAL

DeutschDesc: DICHTRING

2шт.

15

1442059X91

UNION

DeutschDesc: VERSCHRAUBUNG

1шт.

16

NOT USED

DeutschDesc: NICHT VERWENDET

-1шт.

17

1442060X1

BOXNUT

DeutschDesc: UEBERWURFMUTTER

1шт.

18

1444691X1

OLIVE

DeutschDesc: SCHNEIDRING

1шт.

19

2978215M91

PIPE

DeutschDesc: ROHRLEITUNG

1шт.

20

3002069X91

UNION

DeutschDesc: VERSCHRAUBUNG

2шт.

21

NOT USED

DeutschDesc: NICHT VERWENDET

-1шт.

22

391097X1

BOXNUT

DeutschDesc: UEBERWURFMUTTER

2шт.

23

1443841X1

OLIVE

DeutschDesc: SCHNEIDRING

2шт.

24

2999708M1

HOSE ASSEMBLY

DeutschDesc: SCHLAUCH VOLLST.

1шт.

25

2895583M91

HOSE ASSEMBLY

DeutschDesc: SCHLAUCH VOLLST.

1шт.

26

391097X1

BOXNUT

DeutschDesc: UEBERWURFMUTTER

2шт.

27

1443841X1

OLIVE

DeutschDesc: SCHNEIDRING

2шт.

28

3069151M8

STUD

DeutschDesc: STUTZEN

2шт.

29

1442060X1

BOXNUT

DeutschDesc: UEBERWURFMUTTER

2шт.

30

1444691X1

OLIVE

DeutschDesc: SCHNEIDRING

2шт.

31

2981705M1

TUBE

DeutschDesc: ROHR

1шт.

32

2981706M1

TUBE

DeutschDesc: ROHR

1шт.

33

1442059X91

UNION

DeutschDesc: VERSCHRAUBUNG

2шт.

34

NOT USED

DeutschDesc: NICHT VERWENDET

-1шт.

35

1442060X1

BOXNUT

DeutschDesc: UEBERWURFMUTTER

2шт.

36

1444691X1

OLIVE

DeutschDesc: SCHNEIDRING

2шт.

37

2981735M1

BRACKET

DeutschDesc: HALTER

1шт.

38

391176X1

SCREW

DeutschDesc: SCHRAUBE

1шт.

39

2891965M1

CLIP

DeutschDesc: SCHELLE

1шт.

40

390398X1

SCREW

DeutschDesc: SCHRAUBE

1шт.

41

390734X1

PLAIN WASHER

DeutschDesc: UNTERLEGSCHEIBE

1шт.

42

1443790X1

SPRING WASHER

DeutschDesc: FEDERRING

1шт.

43

339402X1

NUT

DeutschDesc: MUTTER

1шт.

Выбрано товаров: 43