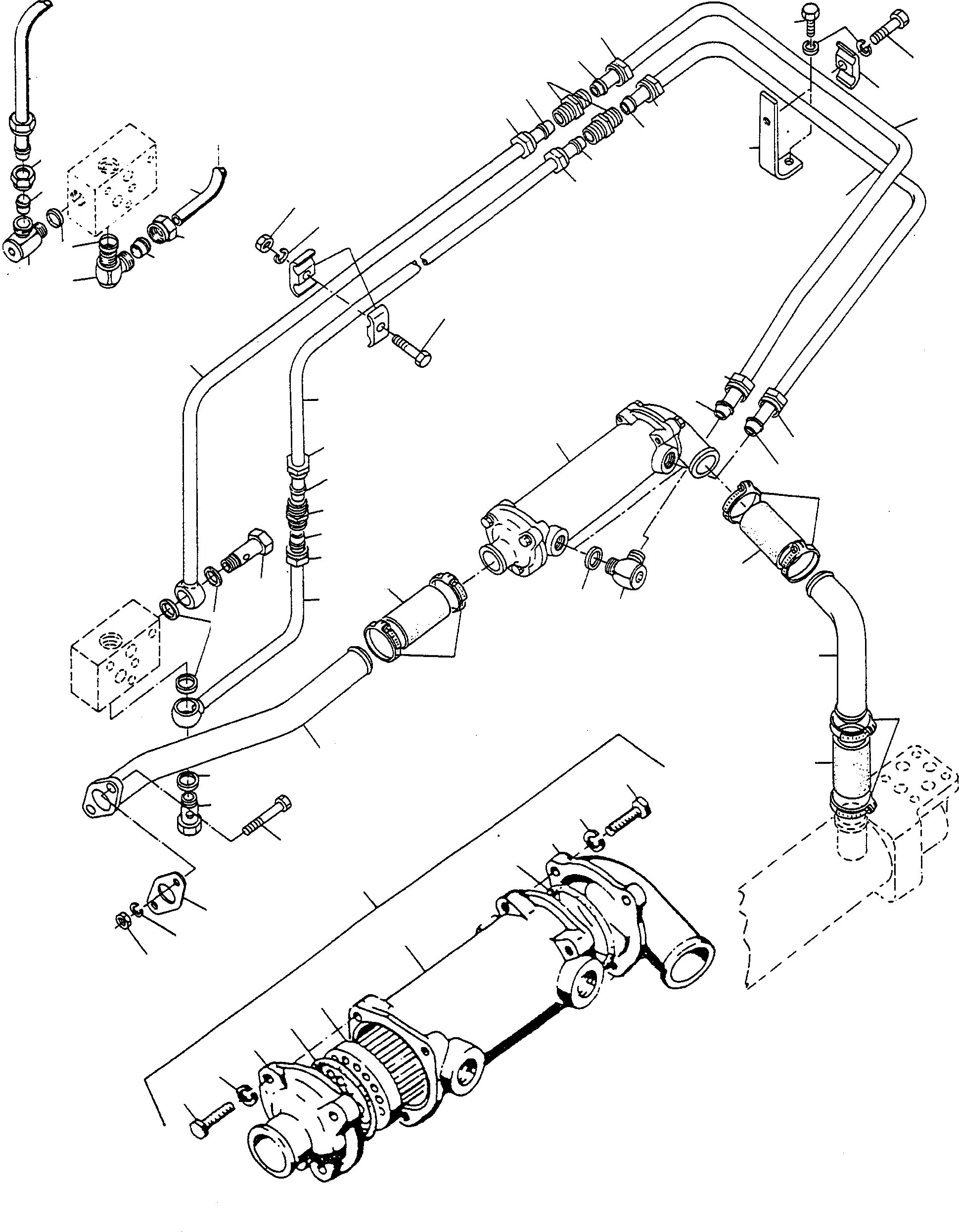
Запчасти Komatsu D600D ДВИГАТЕЛЬ МАСЛ. ОХЛАЖД-Е ДВИГАТЕЛЬ, АКСЕССУАРЫ И ЭЛЕКТРИЧ. СИСТЕМА

Схема запчастей Komatsu D600D - ДВИГАТЕЛЬ МАСЛ. ОХЛАЖД-Е ДВИГАТЕЛЬ, АКСЕССУАРЫ И ЭЛЕКТРИЧ. СИСТЕМА
13A
32
18A
35
2
25
10A
26
17
31
1C
27
1E
13
1G
15
1F
30
1A
1
14
1B
24
1C
22
1D
1G
1F
23
34
11
20
10
12
19
33
21
32
30
11
37
12
36
31
25
18
26
1
19
22
20
23
3
27
12
11
2
16
29
28
4
3
3
5
2
17
16
7
6
8
9
FIT
1:1
100%

Артикул

Название

Примечание

Количество

1

2972255M91

OIL COOLER

DeutschDesc: OELKUEHLER

1шт.

1A

2972256M1

HOUSING

DeutschDesc: GEHAEUSE

1шт.

1B

2972257M1

INSET

DeutschDesc: EINSATZ

1шт.

1C

2972258M1

GASKET

DeutschDesc: DICHTUNG

2шт.

1D

2972259M1

COVER

DeutschDesc: DECKEL

1шт.

1E

2972260M1

COVER

DeutschDesc: DECKEL

1шт.

1F

1441268X1

SCREW

DeutschDesc: SCHRAUBE

6шт.

1G

1443791X1

SPRING WASHER

DeutschDesc: FEDERRING

6шт.

2

1443882X1

HOSE

EnglischBem: GOODS SOLD BY METER 1443 912 X1 80 MM

3шт.

3

1444841X1

CLIP

DeutschDesc: SCHELLE

6шт.

4

2978207M91

TUBE

DeutschDesc: ROHR

1шт.

5

2972250M91

PIPE

DeutschDesc: ROHRLEITUNG

1шт.

6

1443853X1

GASKET

DeutschDesc: DICHTUNG

1шт.

7

1443655X1

SCREW

DeutschDesc: SCHRAUBE

2шт.

8

1443790X1

SPRING WASHER

DeutschDesc: FEDERRING

2шт.

9

339402X1

NUT

DeutschDesc: MUTTER

2шт.

10

2972261M91

TUBE

EnglischBem: SN: - 10 592 445

1шт.

10A

3093465M91

TUBE

DeutschDesc: ROHR

1шт.

11

1442060X1

BOXNUT

DeutschDesc: UEBERWURFMUTTER

1шт.

12

1444691X1

OLIVE

DeutschDesc: SCHNEIDRING

1шт.

13

2972267M91

TUBE

EnglischBem: SN: - 10 592 445

1шт.

13A

3093466M91

TUBE

DeutschDesc: ROHR

1шт.

14

1442060X1

BOXNUT

DeutschDesc: UEBERWURFMUTTER

1шт.

15

1444691X1

OLIVE

DeutschDesc: SCHNEIDRING

1шт.

16

2999614M1

BANJO BOLT

DeutschDesc: HOHLSCHRAUBE

2шт.

17

391313X1

SEAL

DeutschDesc: DICHTRING

4шт.

18

2972263M91

TUBE

EnglischBem: SN: - 10 592 445

1шт.

18A

3093463M91

TUBE

DeutschDesc: ROHR

1шт.

19

1442060X1

BOXNUT

DeutschDesc: UEBERWURFMUTTER

2шт.

20

1444691X1

OLIVE

DeutschDesc: SCHNEIDRING

2шт.

21

2972265M91

PIPE

DeutschDesc: ROHRLEITUNG

1шт.

22

1442060X1

BOXNUT

DeutschDesc: UEBERWURFMUTTER

2шт.

23

1444691X1

OLIVE

DeutschDesc: SCHNEIDRING

2шт.

24

2972269M91

PIPE

DeutschDesc: ROHRLEITUNG

1шт.

25

1442060X1

BOXNUT

DeutschDesc: UEBERWURFMUTTER

2шт.

26

1444691X1

OLIVE

DeutschDesc: SCHNEIDRING

2шт.

27

3000454X1

STUD

DeutschDesc: STUTZEN

3шт.

28

3000453X1

UNION

DeutschDesc: VERSCHRAUBUNG

2шт.

29

3000452X1

RING

DeutschDesc: RING

2шт.

30

2891965M1

CLIP

DeutschDesc: SCHELLE

3шт.

31

3002808X1

SCREW

DeutschDesc: SCHRAUBE

2шт.

32

1443790X1

SPRING WASHER

DeutschDesc: FEDERRING

3шт.

33

339402X1

NUT

DeutschDesc: MUTTER

1шт.

34

2972271M1

ANGLE

DeutschDesc: WINKEL

1шт.

35

339401X1

SCREW

DeutschDesc: SCHRAUBE

1шт.

36

3069190M8

UNION

EnglischBem: SN: - 10 592 445

2шт.

37

3004193X1

SEAL

EnglischBem: SN: - 10 592 445

2шт.

Выбрано товаров: 47