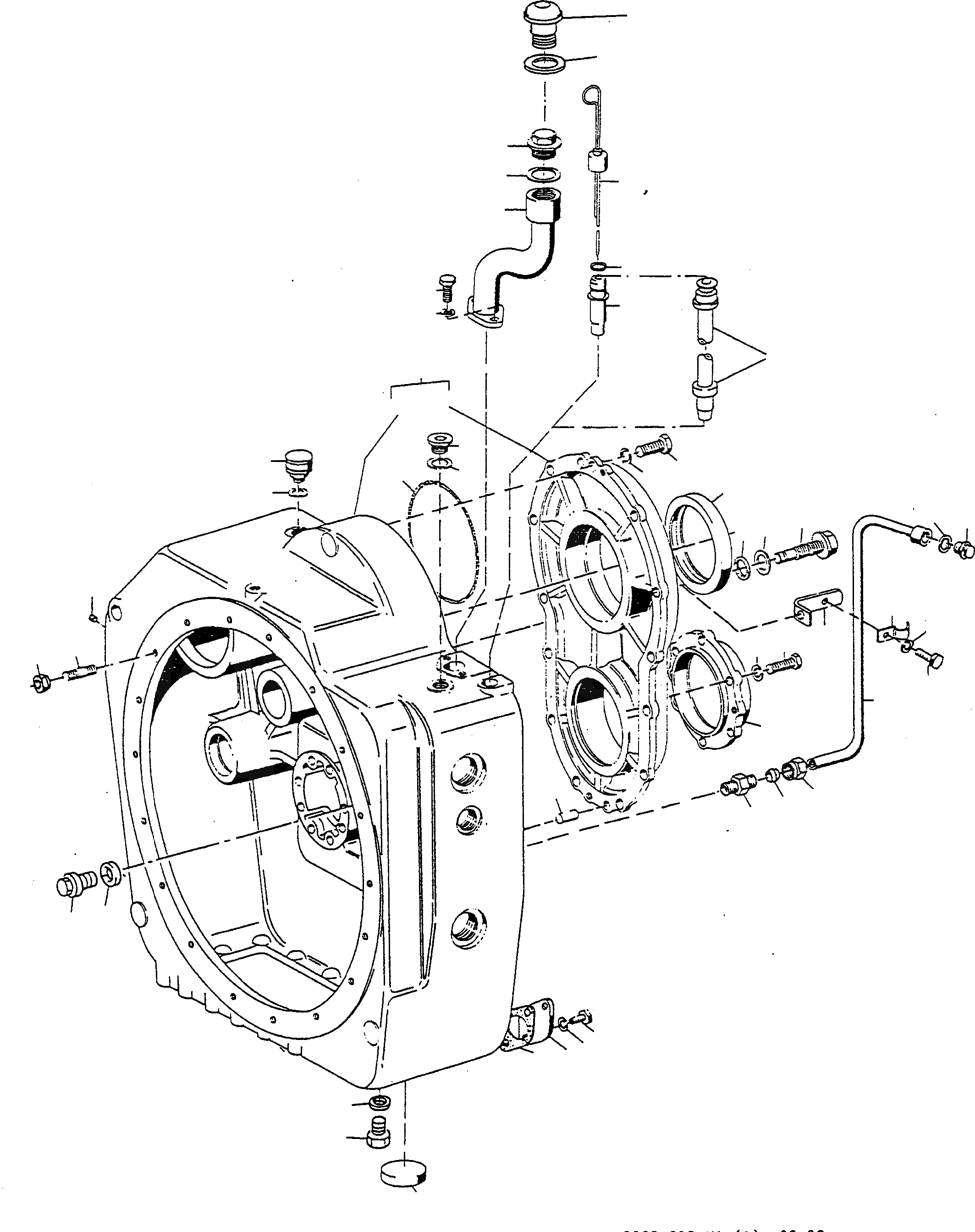
Запчасти Komatsu D600D CONVERTER ТРАНСМИССИЯ ТРАНСМИССИЯ И ЗАДН. МОСТ

Схема запчастей Komatsu D600D - CONVERTER ТРАНСМИССИЯ ТРАНСМИССИЯ И ЗАДН. МОСТ
25A
26A
19A
20A
48
44
25
26
19
22
21
23
20
24
1
3
2
15
17
4
14
16
5
11
18
43
12
13
7
27
46
45
9
28
10
29
47
42
8
6
41
40
39
31
30
37
38
35
36
33
32
34
FIT
1:1
100%

Артикул

Название

Примечание

Количество

1

2994137M91

TRANSMISSION HOUSING

DeutschDesc: GETRIEBEGEHAEUSE

1шт.

2

NOT USED

DeutschDesc: NICHT VERWENDET

-1шт.

3

NOT USED

DeutschDesc: NICHT VERWENDET

-1шт.

4

339761X1

SCREW

DeutschDesc: SCHRAUBE

13шт.

5

1443789X1

SPRING WASHER

DeutschDesc: FEDERRING

13шт.

6

1444405X1

DOWEL

DeutschDesc: ZYLINDERSTIFT

2шт.

7

1444763X1

O-RING

DeutschDesc: O-RING

1шт.

8

2889721M1

COVER

DeutschDesc: DECKEL

1шт.

9

339401X1

SCREW

DeutschDesc: SCHRAUBE

6шт.

10

1443790X1

SPRING WASHER

DeutschDesc: FEDERRING

6шт.

11

1444605X1

SEAL

DeutschDesc: DICHTRING

1шт.

12

2889737M1

SCREW

DeutschDesc: SCHRAUBE

1шт.

13

1440997X1

SEAL

DeutschDesc: DICHTRING

1шт.

14

1444812X1

O-RING

DeutschDesc: O-RING

1шт.

15

1444260X1

SCREW

DeutschDesc: SCHRAUBE

1шт.

16

1444747X1

SEAL

DeutschDesc: DICHTRING

1шт.

17

2999936M1

BREATHER

DeutschDesc: ENTLUEFTER

1шт.

18

391312X1

SEAL

DeutschDesc: DICHTRING

1шт.

19

2904321M91

OIL DIPSTICK

SN: 331620016

1шт.

19A

3091976M91

OIL DIPSTICK

SN: 331620017-UP

1шт.

20

2889704M1

GUIDE BUSH

SN: 331620016

1шт.

20A

3091966M91

TUBE

SN: 331620017-UP

1шт.

21

1444716X1

O-RING

DeutschDesc: O-RING

1шт.

22

2904320M91

FILLER

DeutschDesc: EINFUELLSTUTZEN

1шт.

23

339123X1

SCREW

DeutschDesc: SCHRAUBE

2шт.

24

1443789X1

SPRING WASHER

DeutschDesc: FEDERRING

2шт.

25

1444271X1

PLUG

DeutschDesc: VERSCHLUSSSTOPFEN

1шт.

25A

2869474M1

BREATHER

EnglischBem: SPECIAL EQUIPMENT

1шт.

26

391265X1

SEAL

DeutschDesc: DICHTRING

1шт.

26A

1444794X1

O-RING

EnglischBem: SPECIAL EQUIPMENT

1шт.

27

3004776X1

GRUB SCREW

DeutschDesc: GEWINDESTIFT

1шт.

28

391000X1

STUD BOLT

DeutschDesc: STIFTSCHRAUBE

18шт.

29

2999784M1

NUT

DeutschDesc: MUTTER

18шт.

30

1444270X1

SCREW

DeutschDesc: SCHRAUBE

1шт.

31

1440997X1

SEAL

DeutschDesc: DICHTRING

1шт.

32

2887056M1

SCREW

DeutschDesc: SCHRAUBE

1шт.

33

390855X1

SEAL

DeutschDesc: DICHTRING

1шт.

34

1444370X1

COVER

DeutschDesc: DECKEL

1шт.

35

2951067M1

COVER

DeutschDesc: DECKEL

1шт.

36

4700094X1

GASKET

EnglischBem: REPAIRS AND REPLACES 1444 761 X1

1шт.

37

339123X1

SCREW

DeutschDesc: SCHRAUBE

2шт.

38

1443789X1

SPRING WASHER

DeutschDesc: FEDERRING

2шт.

39

1441937X91

UNION

DeutschDesc: VERSCHRAUBUNG

1шт.

40

1444689X1

OLIVE

DeutschDesc: SCHNEIDRING

1шт.

41

1442015X1

BOXNUT

DeutschDesc: UEBERWURFMUTTER

1шт.

42

2904329M91

TUBE

DeutschDesc: ROHR

1шт.

43

1443750X1

SCREW

DeutschDesc: SCHRAUBE

1шт.

44

390839X1

SEAL

DeutschDesc: DICHTRING

1шт.

45

2904330M91

BRACKET

DeutschDesc: HALTER

1шт.

46

2893246M1

CLIP

DeutschDesc: SCHELLE

1шт.

47

339124X1

SCREW

DeutschDesc: SCHRAUBE

1шт.

48

1443789X1

SPRING WASHER

DeutschDesc: FEDERRING

1шт.

Выбрано товаров: 52