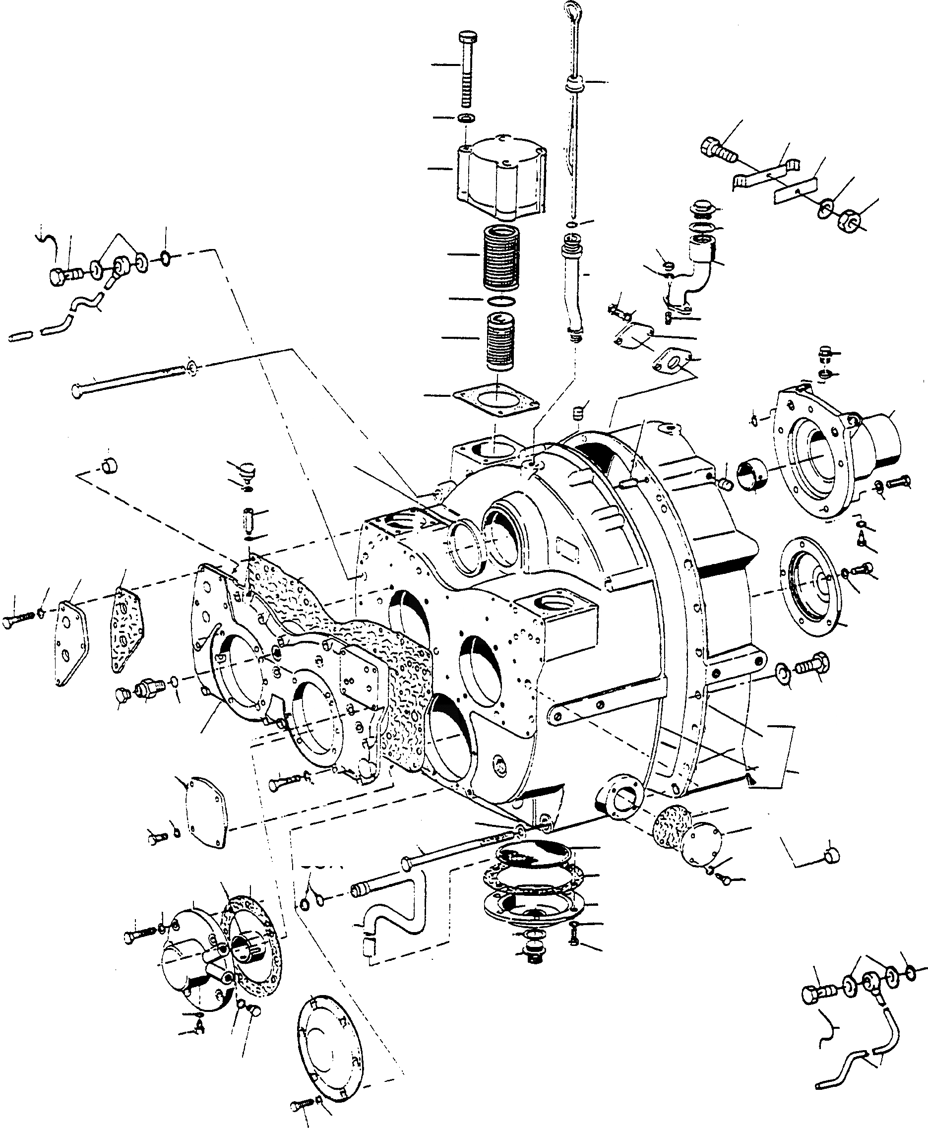
Запчасти Komatsu D600D POWERSHIFT ТРАНСМИССИЯ, КОЖУХ И КОМПОНЕНТЫ ТРАНСМИССИЯ И ЗАДН. МОСТ

Схема запчастей Komatsu D600D - POWERSHIFT ТРАНСМИССИЯ, КОЖУХ И КОМПОНЕНТЫ ТРАНСМИССИЯ И ЗАДН. МОСТ
24
74
79
69A
68
37A
41
41A
34
20
17
22
43
33
49
32
7
35
43
42
55A
59
58
36
60A
9
45
44
42
31
25
8
7
23
75
21
18
26
16
76
17
19
6
77
15
29
38
14
28
39
13
40
78
37
70
10
69
67
43
68
45
72
44
71
65
17
73
47
46
11
12
39
62
63
3
64
66
2
1
17
17
61
29
30
48
27
53
17
52
50
57
43
51
60
55
31
23
8
7
54
56
9
39
38
5
43
42
4
FIT
1:1
100%

Артикул

Название

Примечание

Количество

1

2889813M91

TRANSMISSION HOUSING

DeutschDesc: GETRIEBEGEHAEUSE

1шт.

02

NOT USED

DeutschDesc: NICHT VERWENDET

-1шт.

03

NOT USED

DeutschDesc: NICHT VERWENDET

-1шт.

4

1444409X1

DOWEL

DeutschDesc: ZYLINDERSTIFT

2шт.

5

2889779M91

PIPE

DeutschDesc: ROHRLEITUNG

1шт.

6

2889780M91

PIPE

DeutschDesc: ROHRLEITUNG

1шт.

7

2889528M1

BANJO BOLT

DeutschDesc: HOHLSCHRAUBE

2шт.

8

1440997X1

SEAL

DeutschDesc: DICHTRING

4шт.

9

WIRE

EnglischBem: Ш 1,8 MM

1шт.

10

1444255X1

SCREW

DeutschDesc: SCHRAUBE

2шт.

11

1441436X1

SCREW

DeutschDesc: SCHRAUBE

18шт.

12

391241X1

SPRING WASHER

DeutschDesc: FEDERRING

18шт.

13

1444239X1

GRUB SCREW

DeutschDesc: GEWINDESTIFT

1шт.

14

4700094X1

GASKET

EnglischBem: REPAIRS AND REPLACES 1444 761 X1

1шт.

15

2951067M1

COVER

DeutschDesc: DECKEL

1шт.

16

339123X1

SCREW

DeutschDesc: SCHRAUBE

2шт.

17

1443789X1

SPRING WASHER

DeutschDesc: FEDERRING

34шт.

18

3075290M91

PIPE

DeutschDesc: ROHRLEITUNG

1шт.

19

1444225X1

THREADED PIN

DeutschDesc: GEWINDEBOLZEN

2шт.

20

339169X1

NUT

DeutschDesc: MUTTER

2шт.

21

1443789X1

SPRING WASHER

DeutschDesc: FEDERRING

2шт.

22

3005645X1

SCREW

DeutschDesc: SCHRAUBE

1шт.

23

391265X1

SEAL

DeutschDesc: DICHTRING

2шт.

24

3091967M91

OIL DIPSTICK

DeutschDesc: OELMESSSTAB

1шт.

25

1444716X1

O-RING

DeutschDesc: O-RING

1шт.

26

3091961M91

TUBE

DeutschDesc: ROHR

1шт.

27

1444987X1

SCREW

EnglischBem: REPAIRS AND REPLACES 1444 037 X1

2шт.

28

3000877X1

SCREW

EnglischBem: REPAIRS AND REPLACES 1444 030 X1

2шт.

29

1444353X1

PLAIN WASHER

DeutschDesc: UNTERLEGSCHEIBE

4шт.

30

3076030M1

SLEEVE

DeutschDesc: HUELSE

4шт.

31

1444814X1

O-RING

DeutschDesc: O-RING

2шт.

32

2972277M1

PLATE

DeutschDesc: PLATTE

1шт.

33

2972276M1

CLIP

DeutschDesc: SCHELLE

1шт.

34

390379X1

SCREW

DeutschDesc: SCHRAUBE

1шт.

35

1443789X1

SPRING WASHER

DeutschDesc: FEDERRING

1шт.

36

339169X1

NUT

DeutschDesc: MUTTER

1шт.

37

3077054M1

COVER

DeutschDesc: DECKEL

1шт.

38

1443750X1

PLUG

DeutschDesc: VERSCHLUSSSTOPFEN

8шт.

39

390839X1

SEAL

DeutschDesc: DICHTRING

8шт.

40

1444781X1

O-RING

DeutschDesc: O-RING

2шт.

41

3070851M1

BUSHING

DeutschDesc: BUCHSE

1шт.

42

339401X1

SCREW

DeutschDesc: SCHRAUBE

17шт.

43

1443790X1

SPRING WASHER

DeutschDesc: FEDERRING

35шт.

44

1444129X1

SCREW

DeutschDesc: SCHRAUBE

3шт.

45

391376X1

SEAL

DeutschDesc: DICHTRING

3шт.

46

2889569M1

COVER

DeutschDesc: DECKEL

2шт.

47

1444233X1

SCREW

DeutschDesc: SCHRAUBE

10шт.

48

2889533M1

COVER

DeutschDesc: DECKEL

1шт.

49

2886969M1

GASKET

DeutschDesc: DICHTUNG

1шт.

50

339761X1

SCREW

DeutschDesc: SCHRAUBE

4шт.

51

2979444M1

COVER

DeutschDesc: DECKEL

1шт.

52

4400441M1

GASKET

EnglischBem: REPAIRS AND REPLACES 2889 529 M1

1шт.

53

2979445M1

SIEVE

DeutschDesc: SIEB

1шт.

54

2881785M1

PLUG

DeutschDesc: VERSCHLUSSSTOPFEN

1шт.

55

2979441M91

INTAKE

DeutschDesc: EINLASSLEITUNG

1шт.

55A

1444797X1

O-RING

DeutschDesc: O-RING

2шт.

56

2889660M1

COVER

DeutschDesc: DECKEL

1шт.

57

2889565M1

COVER

DeutschDesc: DECKEL

2шт.

58

4400440M1

GASKET

EnglischBem: REPAIRS AND REPLACES 2889 566 M1

2шт.

59

2889567M1

BUSHING

DeutschDesc: BUCHSE

2шт.

60

391561X1

SCREW

DeutschDesc: SCHRAUBE

8шт.

60A

2889659M1

COVER

DeutschDesc: DECKEL

1шт.

61

339123X1

SCREW

DeutschDesc: SCHRAUBE

4шт.

62

3002406X1

UNION

DeutschDesc: VERSCHRAUBUNG

1шт.

63

3004780X1

PLUG

DeutschDesc: VERSCHLUSSSTOPFEN

1шт.

64

2961737M1

COVER

DeutschDesc: DECKEL

1шт.

65

4400436M1

GASKET

EnglischBem: REPAIRS AND REPLACES 2889 540 M1

1шт.

66

339287X1

SCREW

DeutschDesc: SCHRAUBE

15шт.

67

4400220M1

TUBE

DeutschDesc: ROHR

1шт.

68

391312X1

SEAL

DeutschDesc: DICHTRING

2шт.

69

2999936M1

BREATHER

DeutschDesc: ENTLUEFTER

1шт.

69A

2996444M1

SEAL

DeutschDesc: DICHTRING

1шт.

70

2961731M1

PLUG

DeutschDesc: VERSCHLUSSSTOPFEN

1шт.

71

2961730M1

PLATE

DeutschDesc: PLATTE

1шт.

72

2997499M1

SEALING COMPOUND

DeutschDesc: DICHTUNGSMITTEL

1шт.

73

339291X1

SCREW

DeutschDesc: SCHRAUBE

5шт.

74

2951086M1

HOUSING

DeutschDesc: GEHAEUSE

1шт.

75

2951149M91

FILTER ELEMENT

DeutschDesc: FILTERELEMENT

1шт.

76

3007707X1

O-RING

DeutschDesc: O-RING

1шт.

77

2951150M91

TUBE

DeutschDesc: ROHR

1шт.

78

4400442M1

GASKET

EnglischBem: REPAIRS AND REPLACES 2886 968 M1

1шт.

79

1443653X1

SCREW

DeutschDesc: SCHRAUBE

4шт.

Выбрано товаров: 82