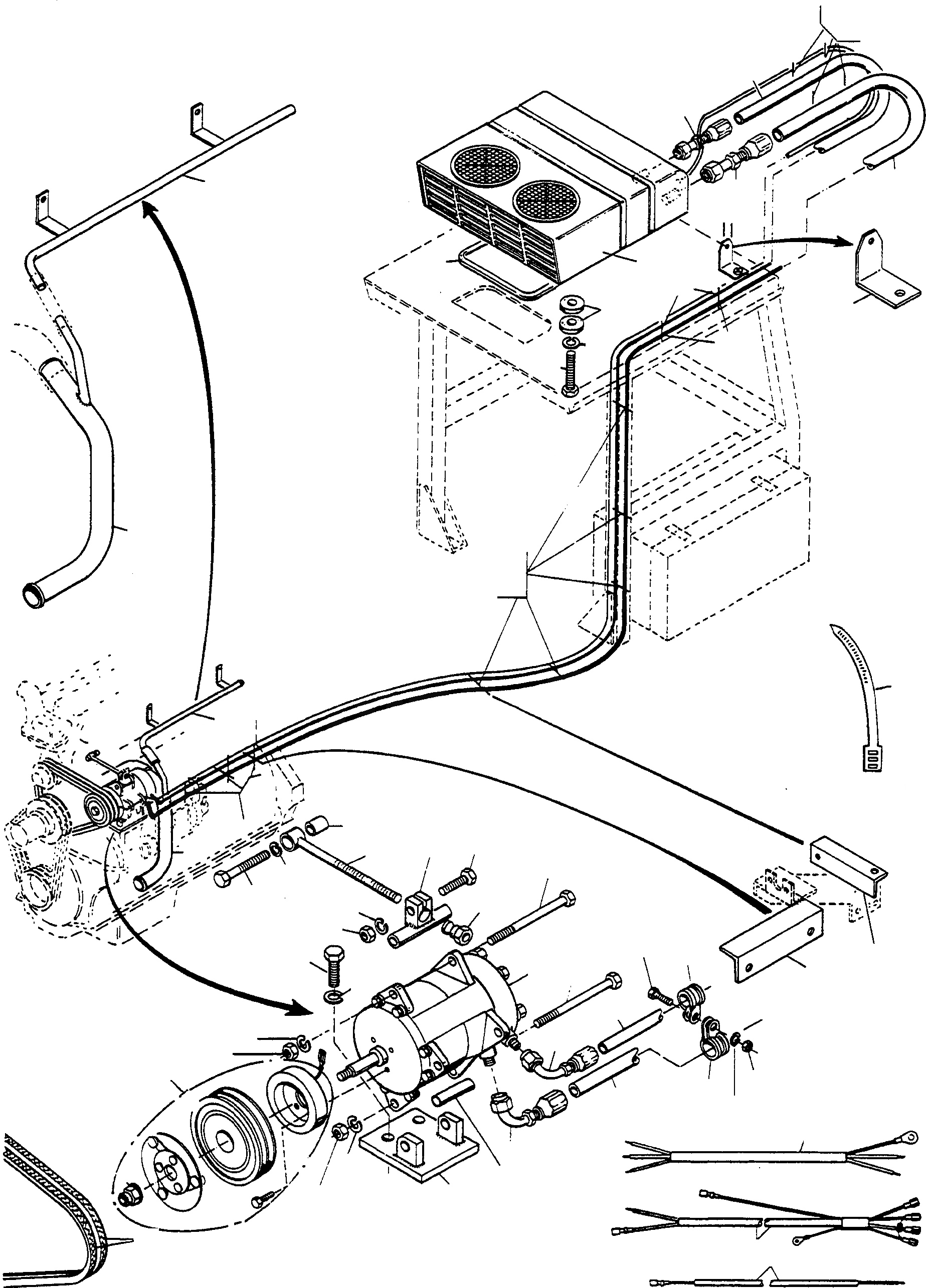
Запчасти Komatsu D600D Super КОНДИЦ. ВОЗДУХА, EXECUTION I ШАССИ И SUPERSTRUCTURE

Схема запчастей Komatsu D600D Super - КОНДИЦ. ВОЗДУХА, EXECUTION I ШАССИ И SUPERSTRUCTURE
34
23
44
35
40
28
33
29
24
32
41
34
42
39
35
8
43
34
35
22
24
34
35
20
16
14
23
19
7
22
21
15
18
17
36
12
34
27
1
26
7
13
28
8
31
9
2
38
35
29
37
30
8
11
10
9
25
46
45
FIT
1:1
100%

Артикул

Название

Примечание

Количество

1

3092916M91

COMPACTOR

DeutschDesc: VERDICHTER

1шт.

2

4915423M91

COUPLING/CLUTCH

DeutschDesc: KUPPLUNG

1шт.

03

NOT USED

DeutschDesc: NICHT VERWENDET

-1шт.

04

NOT USED

DeutschDesc: NICHT VERWENDET

-1шт.

05

NOT USED

DeutschDesc: NICHT VERWENDET

-1шт.

06

NOT USED

DeutschDesc: NICHT VERWENDET

-1шт.

7

3002812X1

SCREW

DeutschDesc: SCHRAUBE

1шт.

8

1443790X1

SPRING WASHER

DeutschDesc: FEDERRING

6шт.

9

339402X1

NUT

DeutschDesc: MUTTER

2шт.

10

2985185M91

BRACKET

DeutschDesc: HALTER

1шт.

11

3092920M91

DISTANCE PIECE

DeutschDesc: DISTANZSTUECK

1шт.

12

339139X1

SCREW

DeutschDesc: SCHRAUBE

2шт.

13

1443792X1

SPRING WASHER

DeutschDesc: FEDERRING

2шт.

14

2985196M91

BRACKET

DeutschDesc: HALTER

1шт.

15

2872751M1

NUT

DeutschDesc: MUTTER

1шт.

16

339009X1

SCREW

DeutschDesc: SCHRAUBE

1шт.

17

339169X1

NUT

DeutschDesc: MUTTER

1шт.

18

1443789X1

SPRING WASHER

DeutschDesc: FEDERRING

2шт.

19

2985195M91

SCREW

DeutschDesc: SCHRAUBE

1шт.

20

2963569M1

SPACER

DeutschDesc: ABSTANDSTUECK

1шт.

21

339337X1

SCREW

DeutschDesc: SCHRAUBE

1шт.

22

2999878M1

BRACE

DeutschDesc: HALTEBAND

30шт.

23

2988390M91

TUBE

DeutschDesc: ROHR

1шт.

24

2988388M91

TUBE

DeutschDesc: ROHR

1шт.

25

3002588X91

V-BELT

DeutschDesc: KEILRIEMENSATZ

1шт.

26

2988387M1

ANGLE

DeutschDesc: WINKEL

1шт.

27

2988386M1

ANGLE

DeutschDesc: WINKEL

1шт.

28

3243218M1

HOSE

DeutschDesc: SCHLAUCH

1шт.

29

3243219M1

HOSE

DeutschDesc: SCHLAUCH

1шт.

30

3092909M1

UNION

DeutschDesc: VERSCHRAUBUNG

1шт.

31

3092910M1

UNION

DeutschDesc: VERSCHRAUBUNG

1шт.

32

3243220M1

UNION

DeutschDesc: VERSCHRAUBUNG

1шт.

33

3092907M1

UNION

DeutschDesc: VERSCHRAUBUNG

1шт.

34

1444658X1

HOLDING CLAMP

DeutschDesc: HALTESCHELLE

12шт.

35

3002298X1

CLIP

DeutschDesc: SCHELLE

12шт.

36

339666X1

SCREW

DeutschDesc: SCHRAUBE

12шт.

37

1443791X1

SPRING WASHER

DeutschDesc: FEDERRING

12шт.

38

339030X1

NUT

DeutschDesc: MUTTER

12шт.

39

2978814M1

BRACKET

DeutschDesc: HALTER

1шт.

40

2984626M91

AIR CONDITIONER

DeutschDesc: KLIMAANLAGE

1шт.

|$48

AIR CONDITIONER

DeutschDesc: KLIMAANLAGE

-3шт.

40A

4917349M1

FILTER ELEMENT

DeutschDesc: FILTERELEMENT

1шт.

41

2978533M1

SEALING

DeutschDesc: ABDICHTUNG

1шт.

42

2978534M1

DISC

DeutschDesc: SCHEIBE

8шт.

43

339475X1

SCREW

DeutschDesc: SCHRAUBE

4шт.

44

3091846M91

HARNESS

DeutschDesc: KABELBAUM

1шт.

45

3091847M91

CABLE

DeutschDesc: KABEL

1шт.

46

3091845M91

HARNESS

DeutschDesc: KABELBAUM

1шт.

Выбрано товаров: 48