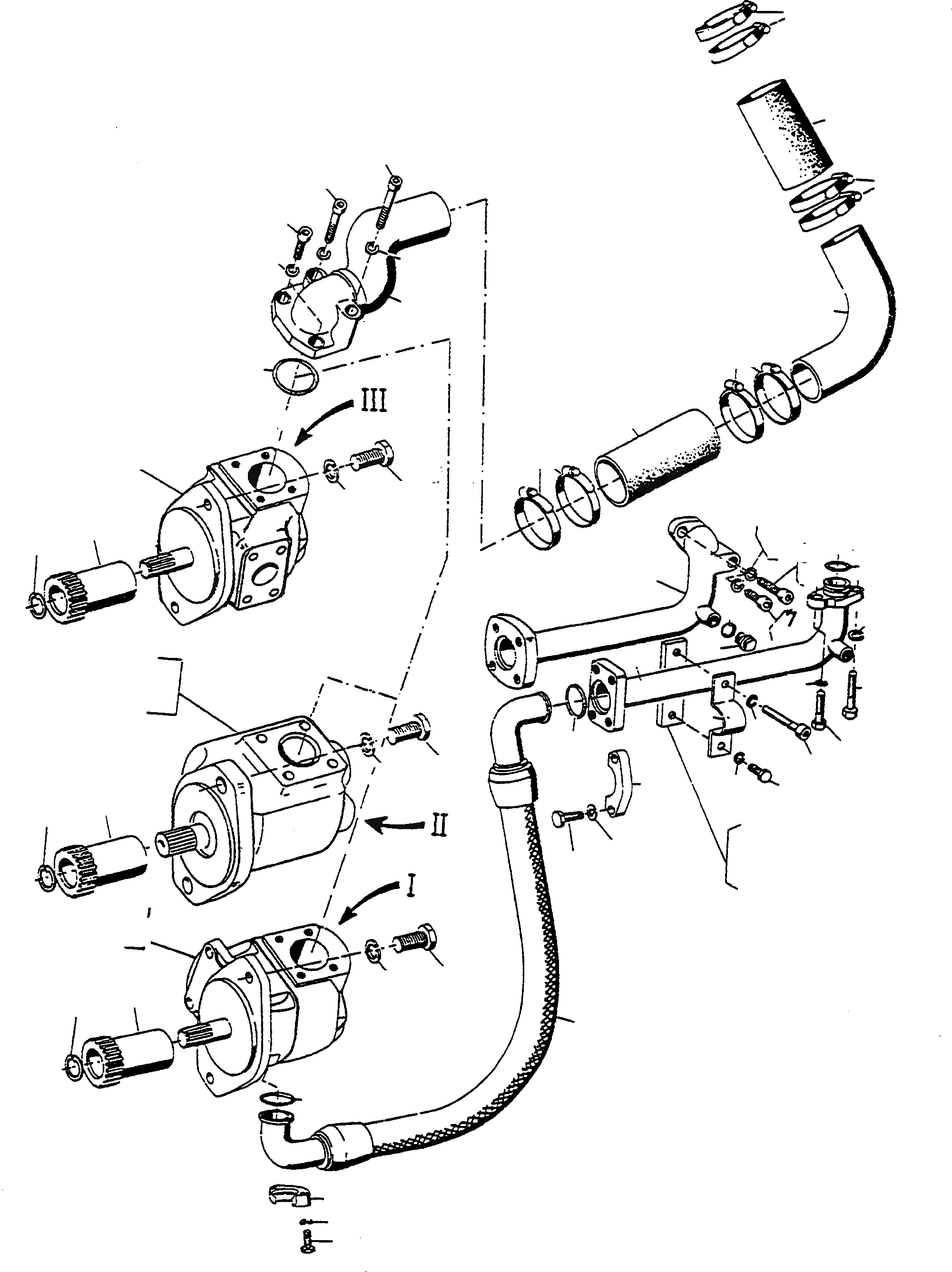
Запчасти Komatsu D600D Super НАСОСS ДЛЯ ГИДРАВЛИКА, ТРУБЫS ГИДРАВЛИКА

Схема запчастей Komatsu D600D Super - НАСОСS ДЛЯ ГИДРАВЛИКА, ТРУБЫS ГИДРАВЛИКА
40
27
45
5
28
43
27
27
35
27
34
33
36
36
31
29
32
30
46
41
9
38
39
10
1
6
2
4
13
8
14
3
44
13
11
18
21
37
12
19
40
41
23
22
20
38
39
15
25
16
24
17
42
40
41
38
39
26
37
23
25
24
FIT
1:1
100%

Артикул

Название

Примечание

Количество

1

1444823X1

O-RING

DeutschDesc: O-RING

1шт.

2

NOT USED

DeutschDesc: NICHT VERWENDET

-1шт.

3

2880642M91

PIPE

DeutschDesc: ROHRLEITUNG

1шт.

4

390839X1

SEAL

DeutschDesc: DICHTRING

1шт.

5

NOT USED

DeutschDesc: NICHT VERWENDET

-1шт.

6

NOT USED

DeutschDesc: NICHT VERWENDET

-1шт.

7

NOT USED

DeutschDesc: NICHT VERWENDET

-1шт.

8

NOT USED

DeutschDesc: NICHT VERWENDET

-1шт.

9

NOT USED

DeutschDesc: NICHT VERWENDET

-1шт.

10

NOT USED

DeutschDesc: NICHT VERWENDET

-1шт.

11

390580X1

SCREW

DeutschDesc: SCHRAUBE

2шт.

12

NOT USED

DeutschDesc: NICHT VERWENDET

-1шт.

13

1443790X1

SPRING WASHER

DeutschDesc: FEDERRING

2шт.

14

390820X1

PLUG

DeutschDesc: VERSCHLUSSSTOPFEN

1шт.

15

2903340M1

PLATE

DeutschDesc: PLATTE

-26шт.

16

2904360M1

PLATE

EnglischBem: THICKNESS 20 MM

-26шт.

17

2904362M1

PLATE

EnglischBem: THICKNESS 15 MM

-26шт.

18

1444646X1

HOLDING CLAMP

DeutschDesc: HALTESCHELLE

1шт.

19

390580X1

SCREW

DeutschDesc: SCHRAUBE

2шт.

20

339401X1

SCREW

DeutschDesc: SCHRAUBE

2шт.

21

1443790X1

SPRING WASHER

DeutschDesc: FEDERRING

2шт.

22

391241X1

SPRING WASHER

DeutschDesc: FEDERRING

2шт.

23

3004942X1

HALF FLANGE

DeutschDesc: HALBFLANSCH

4шт.

24

339451X1

SCREW

EnglischBem: FOR HYDRAULIC PUMP 4200 107 M91

8шт.

25

1443790X1

SPRING WASHER

DeutschDesc: FEDERRING

8шт.

26

2880673M91

HOSE ASSEMBLY

EnglischBem: FOR HYDRAULIC PUMP 3086 252 M91 1000 MM

1шт.

26A

2904373M91

HOSE ASSEMBLY

EnglischBem: FOR HYDRAULIC PUMP 2907 038 M91 965 MM

1шт.

26B

2995669X91

HOSE ASSEMBLY

EnglischBem: FOR HYDRAULIC PUMP 4200 107 M91

1шт.

27

2995076X1

CLIP

DeutschDesc: SCHELLE

8шт.

28

3092518M1

HOSE

EnglischBem: GOODS SOLD BY THE METER 2999 629 M1 130 MM

1шт.

29

4021085M91

TUBING

DeutschDesc: ROHRSTUTZEN

1шт.

30

3092519M1

HOSE

EnglischBem: GOODS SOLD BY THE METER 2999 629 M1 150 MM

1шт.

31

2903674M91

TUBING

EnglischBem: FOR HYDRAULIC PUMP 2907 038 M91

1шт.

31A

2880672M91

TUBING

EnglischBem: FOR HYDRAULIC PUMP 3086 252 M91

1шт.

31B

4001640M91

INTAKE

EnglischBem: SPECIAL EQUIPMENT

1шт.

32

1444792X1

O-RING

DeutschDesc: O-RING

1шт.

33

1443711X1

SCREW

DeutschDesc: SCHRAUBE

2шт.

33A

357910X1

SCREW

EnglischBem: FOR HYDRAULIC PUMP 4200 107 M91

2шт.

34

357920X1

SCREW

EnglischBem: FOR HYDRAULIC PUMP 4200 107 M91

1шт.

34A

1444177X1

SCREW

DeutschDesc: SCHRAUBE

1шт.

35

1444186X1

SCREW

DeutschDesc: SCHRAUBE

1шт.

35A

358988X1

SCREW

EnglischBem: FOR HYDRAULIC PUMP 4200 107 M91

1шт.

36

1440990X1

SPRING WASHER

DeutschDesc: FEDERRING

4шт.

37

1444849X1

O-RING

DeutschDesc: O-RING

2шт.

38

2906420M1

COUPLING/CLUTCH

EnglischBem: FOR HYDRAULIC PUMP 2907 038 M91

1шт.

38A

2949954M1

COUPLING/CLUTCH

EnglischBem: FOR HYDRAULIC PUMP 3086 252 M91 SPECIAL EQUIPMENT

1шт.

39

339361X1

CIRCLIP

EnglischBem: FOR HYDRAULIC PUMP 3086 252 M91 SPECIAL EQUIPMENT

1шт.

39A

1444473X1

CIRCLIP

EnglischBem: FOR HYDRAULIC PUMP 2907 038 M91

1шт.

40

391419X1

SCREW

EnglischBem: FOR HYDRAULIC PUMP 3086 252 M91 SPECIAL EQUIPMENT

2шт.

40A

391421X1

SCREW

EnglischBem: FOR HYDRAULIC PUMP 2907 038 M91

2шт.

41

1443796X1

SPRING WASHER

DeutschDesc: FEDERRING

2шт.

42

2907038M91

HYDRAULIC PUMP

DeutschDesc: HYDRAULIKPUMPE

1шт.

|$57

HYDRAULIC PUMP

DeutschDesc: HYDRAULIKPUMPE

-3шт.

43

NOT USED

DeutschDesc: NICHT VERWENDET

-1шт.

44

3086252M91

HYDRAULIC PUMP

DeutschDesc: HYDRAULIKPUMPE

1шт.

|$58

HYDRAULIC PUMP

DeutschDesc: HYDRAULIKPUMPE

-3шт.

45

NOT USED

DeutschDesc: NICHT VERWENDET

-1шт.

46

4200107M91

HYDRAULIC PUMP

EnglischBem: SPECIAL EQUIPMENT

1шт.

|$59

HYDRAULIC PUMP

DeutschDesc: HYDRAULIKPUMPE

-3шт.

Выбрано товаров: 59