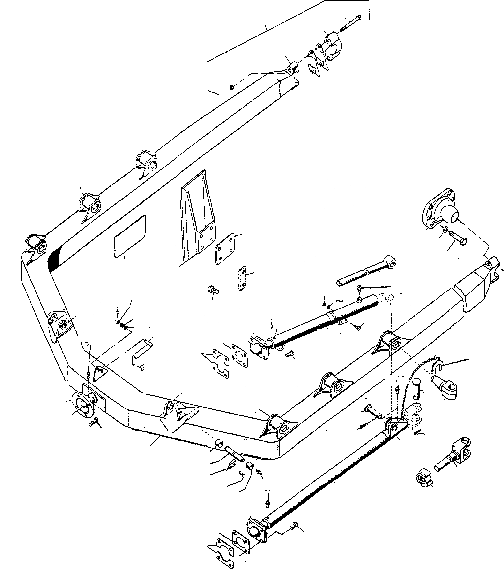
Запчасти Komatsu D600D Super THRUST РАМА, SWIVEL ЗАЩИТН. ГИДРАВЛИКА

Схема запчастей Komatsu D600D Super - THRUST РАМА, SWIVEL ЗАЩИТН. ГИДРАВЛИКА
4
14
59
11
10
13
41
49
54
10
37
12
49
60
10
48
51
45
17
15
16
58
18
20
19
57
56
43
10
48
46
54
55
60
2
53
44
48
52
42
40
48
34
50
33
55
3
29
8
5
28
38
7
39
30
9
35
1
21
22
31
23
10
48
24
32
47
21
36
50
6
FIT
1:1
100%

Артикул

Название

Примечание

Количество

1

4000201M91

FRAME

DeutschDesc: RAHMEN

1шт.

2

3093315M91

FORK BEARING

DeutschDesc: GABELLAGER

1шт.

3

3093316M91

FORK BEARING

DeutschDesc: GABELLAGER

1шт.

4

2988132M1

MOUNTING

DeutschDesc: HALTERUNG

3шт.

5

2988133M1

MOUNTING

DeutschDesc: HALTERUNG

3шт.

6

3089458M1

STRAP

DeutschDesc: LASCHE

1шт.

7

2907405M91

BALL PIN

DeutschDesc: KUGELBOLZEN

1шт.

8

2892106M1

BALL FLANGE

DeutschDesc: KUGELFLANSCH

1шт.

9

1443677X1

SCREW

DeutschDesc: SCHRAUBE

4шт.

10

339608X1

LUBRICATION NIPPLE

DeutschDesc: SCHMIERNIPPEL

11шт.

11

2908878M91

BEARING

DeutschDesc: LAGER

2шт.

12

NOT USED

DeutschDesc: NICHT VERWENDET

-1шт.

13

2908811M1

COVER

DeutschDesc: DECKEL

2шт.

14

1444085X1

SCREW

DeutschDesc: SCHRAUBE

4шт.

15

1443759X1

NUT

DeutschDesc: MUTTER

4шт.

16

2908813M1

DISC

EnglischBem: THICKNESS 1,0 MM

16шт.

17

2907455M1

DISC

EnglischBem: THICKNESS 0,5 MM

-26шт.

18

3085372M1

PIVOT

DeutschDesc: LAGERZAPFEN

2шт.

19

1444090X1

SCREW

DeutschDesc: SCHRAUBE

12шт.

20

2994705M1

SAFETY RING

DeutschDesc: SICHERHEITSRING

12шт.

21

2892303M1

TUBE

DeutschDesc: ROHR

4шт.

22

2892181M1

PIN

DeutschDesc: BOLZEN

2шт.

23

2951971M91

AXLE HOLDER

DeutschDesc: ACHSHALTER

2шт.

24

1444131X1

SCREW

DeutschDesc: SCHRAUBE

4шт.

25

NOT USED

DeutschDesc: NICHT VERWENDET

-1шт.

26

NOT USED

DeutschDesc: NICHT VERWENDET

-1шт.

27

4000198M91

ADJUSTER

DeutschDesc: EINSTELLVORRICHTUNG

2шт.

28

2988134M1

PIN

DeutschDesc: BOLZEN

2шт.

29

2892231M91

PIN

DeutschDesc: BOLZEN

2шт.

30

1444466X1

COTTER

DeutschDesc: SPLINT

2шт.

31

2985167M91

FORK HEAD

DeutschDesc: GABELKOPF

2шт.

32

4000194M91

STAY

DeutschDesc: STREBE

2шт.

33

2988135M1

FORK

DeutschDesc: GABEL

2шт.

34

1443944X1

CHAIN

DeutschDesc: KETTE

2шт.

34A

2995255X1

RING

DeutschDesc: RING

2шт.

35

2892166M1

HUB

DeutschDesc: NABE

2шт.

36

4000180M1

FLANGE

DeutschDesc: FLANSCH

2шт.

37

4000191M1

JOURNAL

DeutschDesc: ZAPFEN

2шт.

38

2892230M91

PIN

DeutschDesc: BOLZEN

2шт.

39

391447X1

COTTER

DeutschDesc: SPLINT

2шт.

40

4000195M91

STAY

DeutschDesc: STREBE

2шт.

41

4000180M1

FLANGE

DeutschDesc: FLANSCH

2шт.

42

4000191M1

JOURNAL

DeutschDesc: ZAPFEN

2шт.

43

2892171M1

ROD

DeutschDesc: STANGE

2шт.

44

1444061X1

SCREW

DeutschDesc: SCHRAUBE

4шт.

45

2994704M1

SPRING WASHER

DeutschDesc: FEDERRING

4шт.

46

339034X1

NUT

DeutschDesc: MUTTER

4шт.

47

2907358M1

NUT

DeutschDesc: MUTTER

2шт.

48

4002162M1

SECURITY CAP

DeutschDesc: SCHUTZKAPPE

11шт.

49

2892298M1

ADJ SLIDE

EnglischBem: THICKNESS 1,0 MM

8шт.

50

2892301M1

ADJ SLIDE

EnglischBem: THICKNESS 0,5 MM

-26шт.

51

1444083X1

SCREW

DeutschDesc: SCHRAUBE

8шт.

52

3089453M91

BRACKET

DeutschDesc: HALTER

1шт.

53

2868675M1

SPRING

DeutschDesc: FEDER

1шт.

54

390745X1

PLAIN WASHER

DeutschDesc: UNTERLEGSCHEIBE

2шт.

55

1443821X1

SAFETY PLUG

DeutschDesc: SICHERUNGSSTIFT

2шт.

56

2979537M91

BRACKET

EnglischBem: UP TO TRACK 610 - 660 MM

2шт.

57

2979544M1

PLATE

EnglischBem: UP TO TRACK 610 - 660 MM

2шт.

58

2979542M1

ADJ SLIDE

EnglischBem: UP TO TRACK 610 - 660 MM THICKNESS 2,0 MM

-26шт.

59

2979543M1

ADJ SLIDE

EnglischBem: UP TO TRACK 610 - 660 MM THICKNESS 1,0 MM

-26шт.

60

1443677X1

SCREW

EnglischBem: UP TO TRACK 610 - 660 MM

16шт.

Выбрано товаров: 61