Запчасти Komatsu D600D Super ЗАДН.-РЫХЛИТЕЛЬ, ЦИЛИНДР ЗАДН.-РЫХЛИТЕЛЬ, TEETH

Схема запчастей Komatsu D600D Super - ЗАДН.-РЫХЛИТЕЛЬ, ЦИЛИНДР ЗАДН.-РЫХЛИТЕЛЬ, TEETH
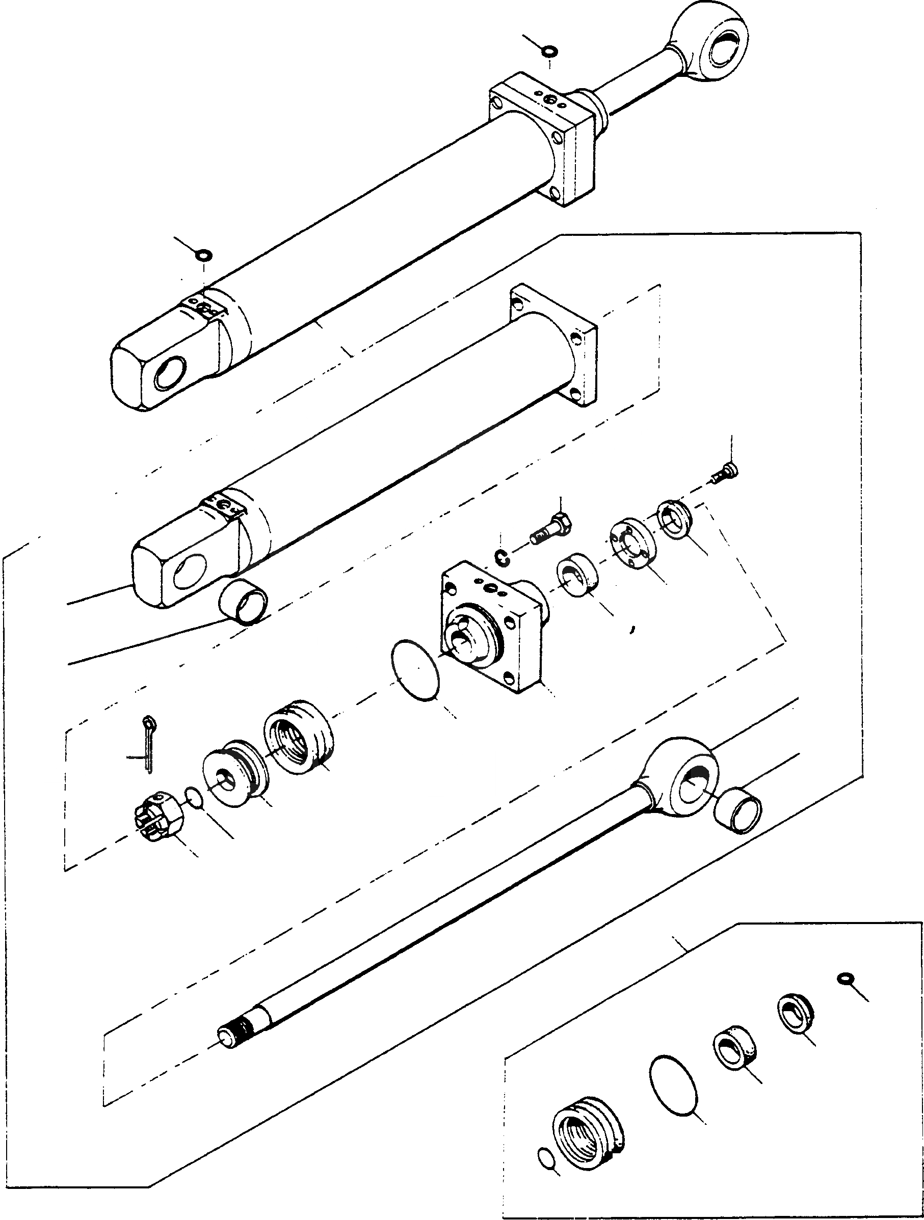
19
18
15
14
6
19
8A
6
9
19
1
12
13
7
2
8
3
4
10
11
5
14
16
17
20
8
11
16
FIT
1:1
100%

Артикул

Название

Примечание

Количество

1

3241055M91

CYLINDER

DeutschDesc: ZYLINDER

1шт.

2

3241087M91

BARREL

DeutschDesc: ZYLINDERROHR

1шт.

3

3241098M1

BUSHING

DeutschDesc: BUCHSE

1шт.

4

3241088M1

CYLINDER ROD

DeutschDesc: KOLBENSTANGE

1шт.

5

3241098M1

BUSHING

DeutschDesc: BUCHSE

1шт.

6

2999639M1

STRIPPER

EnglischBem: NOTE: Pos. (6) included in Pos. (1) and (20) Kit

1шт.

7

3241096M1

RETAINER

DeutschDesc: HALTERING

1шт.

8

2962777M1

SEAL

EnglischBem: 70X90X30 NOTE: Pos. (8) included in Pos. (1) and (20) Kit

1шт.

8A

2994828M1

SEAL

EnglischBem: 70X85X10 DOES NOT BELONGS TO MAINTENANCE KIT ORDER ADDIONAL

1шт.

9

339451X1

SCREW

DeutschDesc: SCHRAUBE

4шт.

10

3241089M1

FLANGE

DeutschDesc: FLANSCH

1шт.

11

3241094M1

O-RING

EnglischBem: NOTE: Pos. (11) included in Pos. (1) and (20) Kit

1шт.

12

3004339X1

SCREW

DeutschDesc: SCHRAUBE

4шт.

13

1443797X1

SPRING WASHER

DeutschDesc: FEDERRING

4шт.

14

3241097M1

GASKET

EnglischBem: NOTE: Pos. (14) included in Pos. (1) and (20) Kit

1шт.

15

3241090M1

PISTON

DeutschDesc: KOLBEN

1шт.

16

3241093M1

O-RING

EnglischBem: NOTE: Pos. (16) included in Pos. (1) and (20) Kit

1шт.

17

3241091M1

NUT

DeutschDesc: MUTTER

1шт.

18

1440728X1

COTTER

DeutschDesc: SPLINT

1шт.

19

3241069M1

O-RING

EnglischBem: NOTE: Pos. (19) included in Pos. (1) and (20) Kit

2шт.

20

3241120M91

GASKET KIT

DeutschDesc: DICHTUNGSSATZ

1шт.

Выбрано товаров: 21