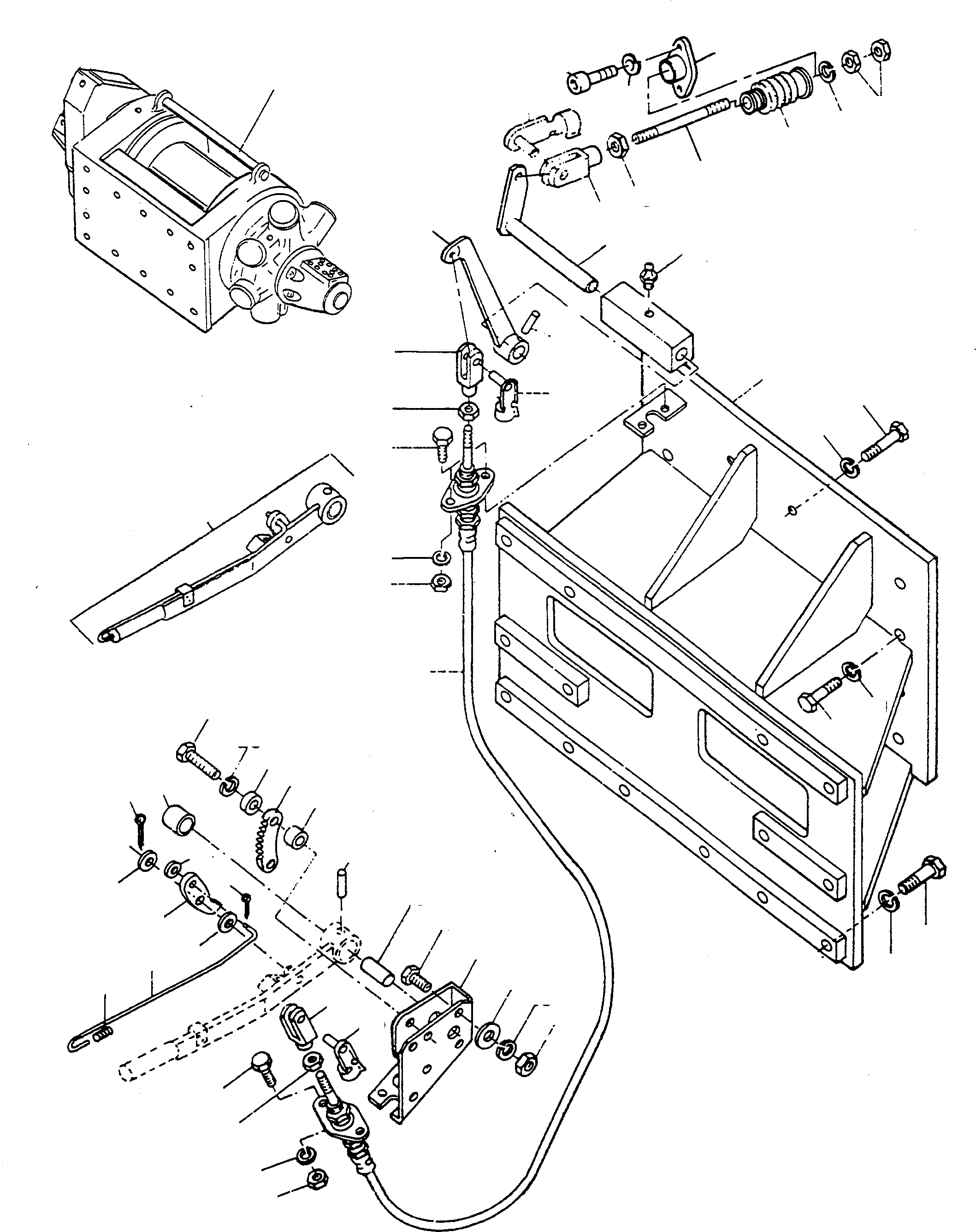
Запчасти Komatsu D600D Super КАБЕЛЬ ЛЕБЕДКА ОБОРУД-Е

Схема запчастей Komatsu D600D Super - КАБЕЛЬ ЛЕБЕДКА ОБОРУД-Е
1
46
5
20
19
18
17
16
15
11
10
24
25
28
47
12
45
13
14
31
44
34
30
48
39
43
40
42
41
37
36
35
38
24
29
25
32
23
30
26
2
27
28
22
21
2
8
9
4
3
4
7
33
6
26
23
27
FIT
1:1
100%

Артикул

Название

Примечание

Количество

1

2963169M91

WINCH

DeutschDesc: WINDE

1шт.

2

2976436M92

LEVER

DeutschDesc: HEBEL

1шт.

3

2922927M1

PAWL

DeutschDesc: SPERRKLINKE

1шт.

4

1444351X1

DISC

DeutschDesc: SCHEIBE

2шт.

5

339076X1

COTTER

DeutschDesc: SPLINT

1шт.

6

2922897M1

SPRING

DeutschDesc: FEDER

1шт.

7

3078328M1

ROD

DeutschDesc: STANGE

1шт.

8

390469X1

PLAIN WASHER

DeutschDesc: UNTERLEGSCHEIBE

1шт.

9

1444464X1

COTTER

DeutschDesc: SPLINT

1шт.

10

2976417M91

FULCRUM

DeutschDesc: STUETZBOCK

1шт.

11

339299X1

SCREW

DeutschDesc: SCHRAUBE

4шт.

12

391212X1

PLAIN WASHER

DeutschDesc: UNTERLEGSCHEIBE

4шт.

13

2994718M1

SPRING WASHER

DeutschDesc: FEDERRING

4шт.

14

339054X1

NUT

DeutschDesc: MUTTER

4шт.

15

3078343M1

PIN

DeutschDesc: BOLZEN

1шт.

16

391124X1

GROOVE PIN

DeutschDesc: KERBSTIFT

1шт.

17

3078329M1

TUBE

DeutschDesc: ROHR

2шт.

18

2882940M1

SEGMENT

DeutschDesc: SEGMENT

1шт.

19

2964382M1

TUBE

DeutschDesc: ROHR

2шт.

20

2994718M1

SPRING WASHER

DeutschDesc: FEDERRING

2шт.

21

1444073X1

SCREW

DeutschDesc: SCHRAUBE

2шт.

22

2994436M91

BOWDEN CABLE

DeutschDesc: BOWDENZUG

1шт.

23

339169X1

NUT

DeutschDesc: MUTTER

2шт.

24

339654X1

FORK HEAD

DeutschDesc: GABELKOPF

2шт.

25

1444493X1

CLEVIS PIN

DeutschDesc: GABELKOPFBOLZEN

2шт.

26

339761X1

SCREW

DeutschDesc: SCHRAUBE

4шт.

27

2993792X1

SPRING WASHER

DeutschDesc: FEDERRING

4шт.

28

339169X1

NUT

DeutschDesc: MUTTER

4шт.

29

4021027M91

ADAPTOR

EnglischBem: REPAIRS AND REPLACES 2981 557 M91

1шт.

30

1444395X1

SPRING WASHER

DeutschDesc: FEDERRING

14шт.

31

348366X1

SCREW

DeutschDesc: SCHRAUBE

8шт.

32

1444100X1

SCREW

DeutschDesc: SCHRAUBE

6шт.

33

2994705M1

SAFETY RING

DeutschDesc: SICHERHEITSRING

14шт.

34

1444079X1

SCREW

DeutschDesc: SCHRAUBE

14шт.

35

339608X1

LUBRICATION NIPPLE

DeutschDesc: SCHMIERNIPPEL

1шт.

36

2978887M91

SHAFT

DeutschDesc: WELLE

1шт.

37

2978886M91

LEVER

DeutschDesc: HEBEL

1шт.

38

391124X1

GROOVE PIN

DeutschDesc: KERBSTIFT

1шт.

39

1440984X1

FORK HEAD

DeutschDesc: GABELKOPF

1шт.

40

339402X1

NUT

DeutschDesc: MUTTER

1шт.

41

2978890M1

ROD

DeutschDesc: STANGE

1шт.

42

2987541M1

BELLOWS

DeutschDesc: FALTENBALG

1шт.

43

2993793X1

SPRING WASHER

DeutschDesc: FEDERRING

1шт.

44

339402X1

NUT

DeutschDesc: MUTTER

2шт.

45

1444494X1

CLEVIS PIN

DeutschDesc: GABELKOPFBOLZEN

1шт.

46

1444636X1

FLANGE

DeutschDesc: FLANSCH

1шт.

47

391037X1

SPRING WASHER

DeutschDesc: FEDERRING

2шт.

48

390379X1

SCREW

DeutschDesc: SCHRAUBE

3шт.

Выбрано товаров: 48