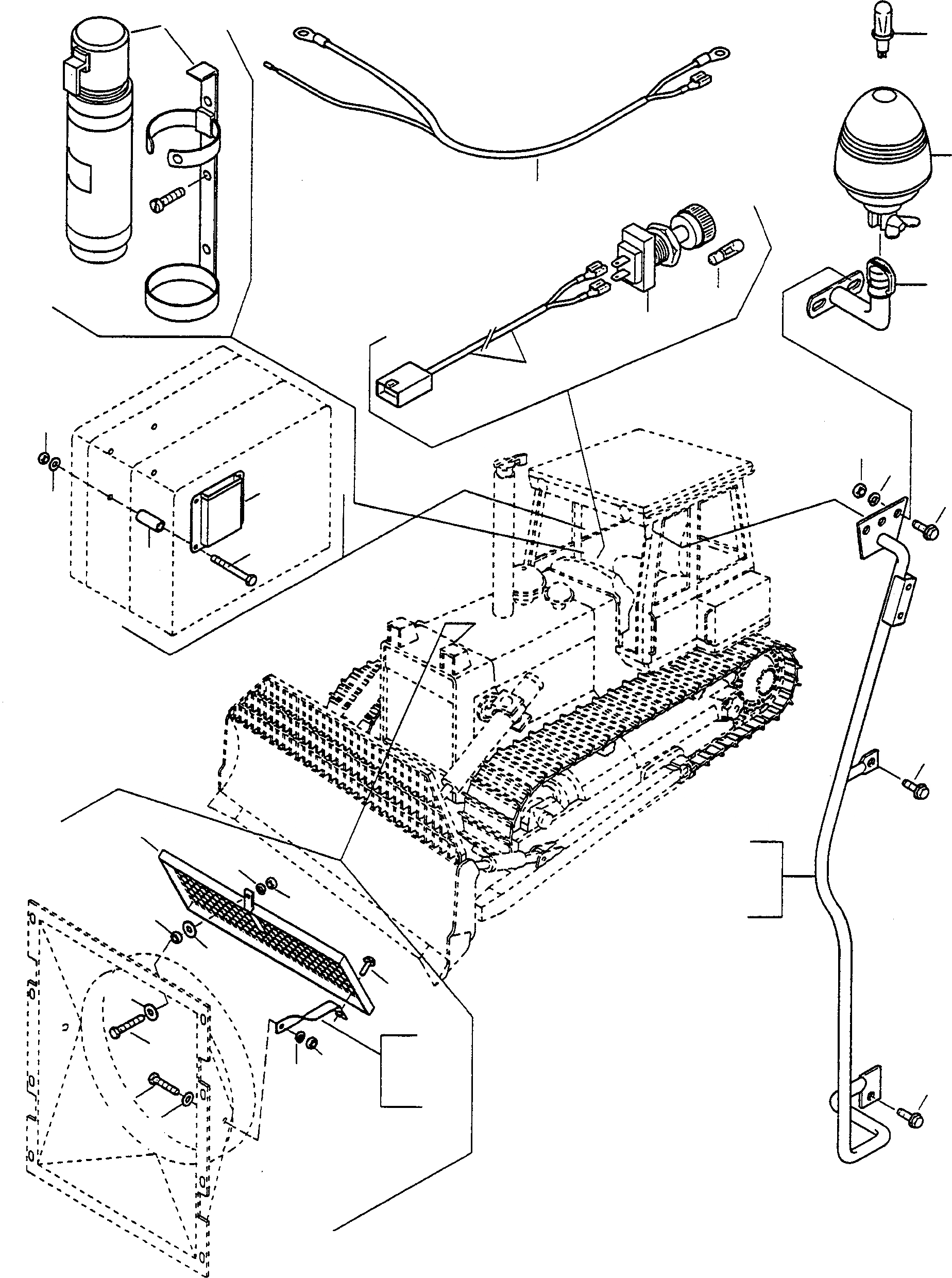
Запчасти Komatsu D600D Super ATTACHING ЧАСТИ, EC-СТАНДАРТН. ОБОРУД-Е

Схема запчастей Komatsu D600D Super - ATTACHING ЧАСТИ, EC-СТАНДАРТН. ОБОРУД-Е
26
7
1
6
2
4
3
5
31
10
9
27
8
30
28
29
13
15
23
11
12
21
21
22
20
18
19
16
21
14
23
17
24
25
FIT
1:1
100%

Артикул

Название

Примечание

Количество

1

4246417M91

TURNING LIGHT

DeutschDesc: RUNDUMLEUCHTE

1шт.

2

4246418M91

SUPPORT

DeutschDesc: LAGERUNG

1шт.

3

2986336M1

SWITCH

DeutschDesc: SCHALTER

1шт.

4

2995239X1

BULB

DeutschDesc: GLUEHLAMPE

1шт.

5

4102604M91

HARNESS

DeutschDesc: KABELBAUM

1шт.

6

4102603M91

HARNESS

DeutschDesc: KABELBAUM

2шт.

7

3066548M8

BULB

DeutschDesc: GLUEHLAMPE

1шт.

8

339287X1

SCREW

DeutschDesc: SCHRAUBE

4шт.

9

1443789X1

SPRING WASHER

DeutschDesc: FEDERRING

4шт.

10

339169X1

NUT

DeutschDesc: MUTTER

4шт.

11

4102583M91

GRIP

EnglischBem: LEFT

1шт.

12

4102584M91

GRIP

EnglischBem: RIGHT

1шт.

13

1444131X1

SCREW

DeutschDesc: SCHRAUBE

2шт.

14

1444142X1

SCREW

DeutschDesc: SCHRAUBE

2шт.

15

4102592M91

PROTECTOR

DeutschDesc: SCHUTZ

1шт.

16

4102595M91

BRACKET

EnglischBem: LEFT

1шт.

17

4102596M91

BRACKET

EnglischBem: RIGHT

1шт.

18

1444139X1

SCREW

DeutschDesc: SCHRAUBE

2шт.

19

339337X1

SCREW

DeutschDesc: SCHRAUBE

1шт.

20

4102588M1

DISC

DeutschDesc: SCHEIBE

1шт.

21

339169X1

NUT

DeutschDesc: MUTTER

4шт.

22

4102589M1

DISC

DeutschDesc: SCHEIBE

1шт.

23

1443789X1

SPRING WASHER

DeutschDesc: FEDERRING

3шт.

24

339123X1

SCREW

DeutschDesc: SCHRAUBE

2шт.

25

391039X1

PLAIN WASHER

DeutschDesc: UNTERLEGSCHEIBE

2шт.

26

4001836M91

FIRE EXTINGUISH

DeutschDesc: FEUERLOESCHER

1шт.

27

4102309M1

LOCKER

DeutschDesc: FACH

1шт.

28

391417X1

SCREW

DeutschDesc: SCHRAUBE

4шт.

29

4102577M1

SPACER

DeutschDesc: ABSTANDSTUECK

4шт.

30

1443791X1

SPRING WASHER

DeutschDesc: FEDERRING

4шт.

31

339030X1

NUT

DeutschDesc: MUTTER

4шт.

Выбрано товаров: 31