Запчасти Komatsu D600D Super СИСТЕМА БЫСТРОГО ЗАПУСКА КОМПЛЕКТ ДВИГАТЕЛЬ, АКСЕССУАРЫ И ЭЛЕКТРИЧ. СИСТЕМА

Схема запчастей Komatsu D600D Super - СИСТЕМА БЫСТРОГО ЗАПУСКА КОМПЛЕКТ ДВИГАТЕЛЬ, АКСЕССУАРЫ И ЭЛЕКТРИЧ. СИСТЕМА
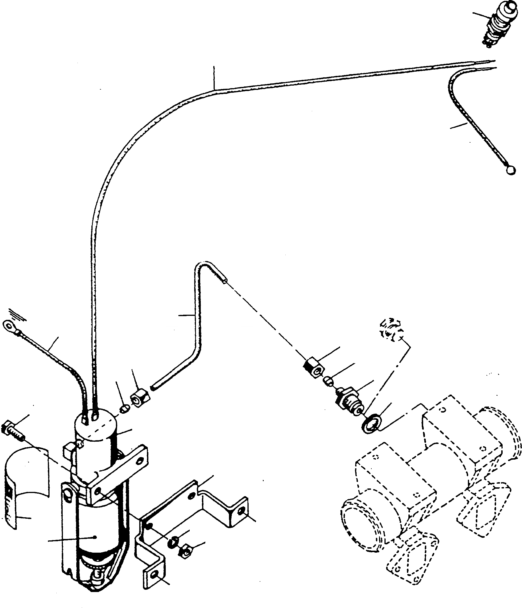
14
6
1
16
11
9
12A
2
5
3
15
6
4
4
8
7
13
10
12
FIT
1:1
100%

Артикул

Название

Примечание

Количество

1

2994235M91

CABLE

DeutschDesc: KABEL

1шт.

2

2994227M1

NOZZLE

DeutschDesc: DUESE

1шт.

3

390855X1

SEAL

DeutschDesc: DICHTRING

1шт.

4

3007502X1

TAPERED RING

DeutschDesc: KEGELRING

2шт.

5

2994230M1

TUBE

DeutschDesc: ROHR

1шт.

6

363976X1

BOXNUT

DeutschDesc: UEBERWURFMUTTER

2шт.

7

2994228M1

BRACKET

DeutschDesc: HALTER

1шт.

8

339123X1

SCREW

DeutschDesc: SCHRAUBE

2шт.

9

1443798X1

SPRING WASHER

DeutschDesc: FEDERRING

2шт.

10

339169X1

NUT

DeutschDesc: MUTTER

2шт.

11

2994229M1

STARTING AID KIT

DeutschDesc: STARTHILFESATZ

1шт.

12

529604M1

BOTTLE

DeutschDesc: FLASCHE

1шт.

12A

830999M2

BOTTLE

DeutschDesc: FLASCHE

1шт.

13

529109M1

DECAL

DeutschDesc: AUFKLEBER

1шт.

14

2955032M1

PRESSURE SWITCH

DeutschDesc: DRUCKSCHALTER

1шт.

15

2994236M91

EARTH STRAP

DeutschDesc: MASSELEITUNG

1шт.

16

2994234M91

CABLE

DeutschDesc: KABEL

1шт.

Выбрано товаров: 0