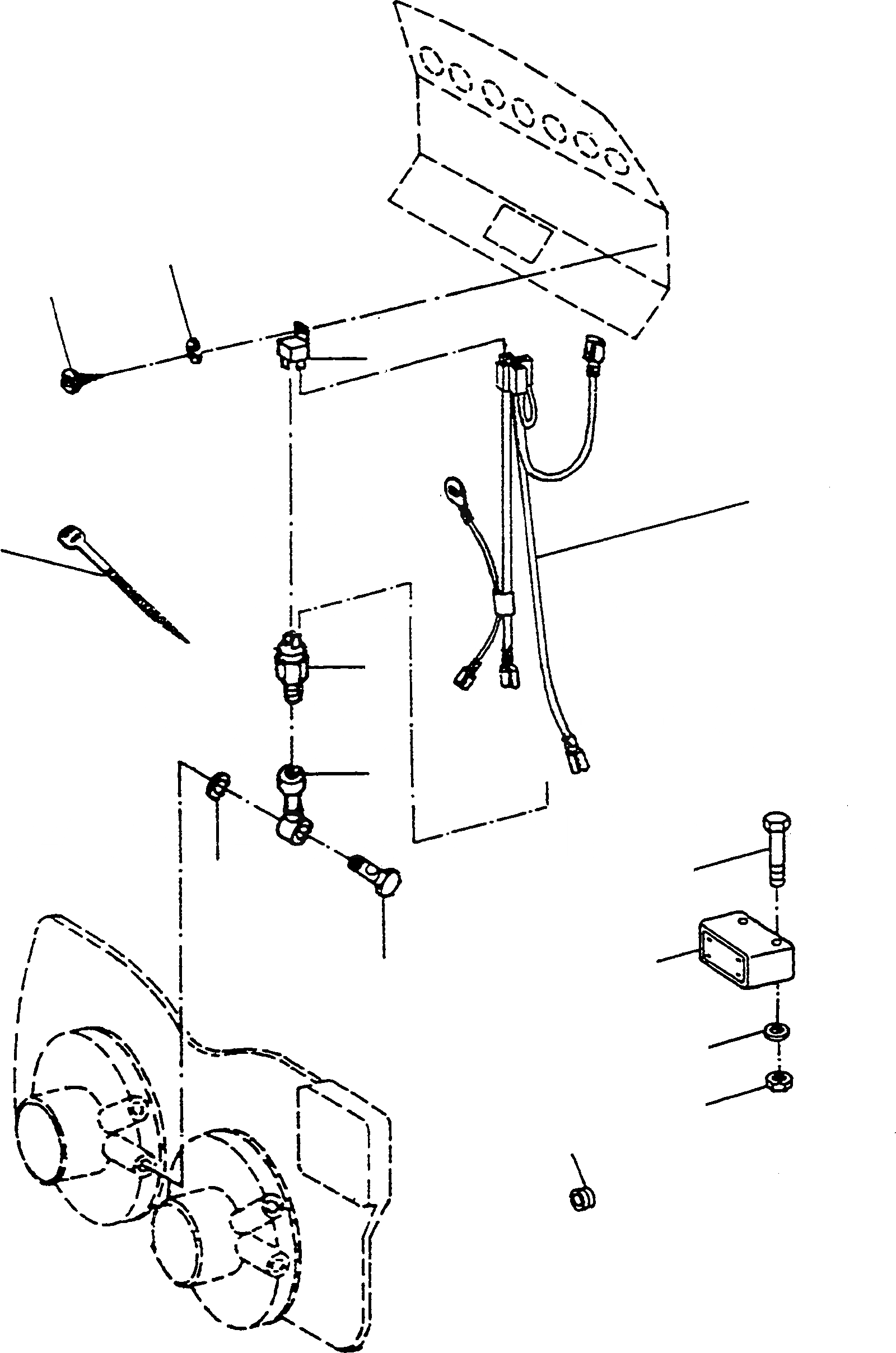
Запчасти Komatsu D600D Super СИГН. ЗАДН. ХОДА ДВИГАТЕЛЬ, АКСЕССУАРЫ И ЭЛЕКТРИЧ. СИСТЕМА

Схема запчастей Komatsu D600D Super - СИГН. ЗАДН. ХОДА ДВИГАТЕЛЬ, АКСЕССУАРЫ И ЭЛЕКТРИЧ. СИСТЕМА
4
1
11
12
7
6
5
8
9
3
10
2
13
14
FIT
1:1
100%

Артикул

Название

Примечание

Количество

1

2981149M91

STUD

DeutschDesc: STUTZEN

1шт.

2

2999610M1

BANJO BOLT

DeutschDesc: HOHLSCHRAUBE

1шт.

3

390839X1

SEAL

DeutschDesc: DICHTRING

2шт.

4

2951363M2

PRESSURE SWITCH

DeutschDesc: DRUCKSCHALTER

1шт.

5

3097003M1

RELAY

DeutschDesc: RELAIS

1шт.

6

1444201X1

SCREW

DeutschDesc: SCHRAUBE

1шт.

7

2993678X1

SPRING WASHER

DeutschDesc: FEDERRING

1шт.

8

4000056M91

HARNESS

DeutschDesc: KABELBAUM

1шт.

9

2963655M1

BRACE

DeutschDesc: HALTEBAND

10шт.

10

2984609M91

HORN

DeutschDesc: HUPE

1шт.

11

1444653X1

CLIP

DeutschDesc: SCHELLE

2шт.

12

390972X1

PLAIN WASHER

DeutschDesc: UNTERLEGSCHEIBE

2шт.

13

1444329X1

NUT

DeutschDesc: MUTTER

2шт.

14

2999510M1

SPOUT

DeutschDesc: TUELLE

1шт.

Выбрано товаров: 14