Запчасти Komatsu D600D Super CRANK ASSEMBLY ДВИГАТЕЛЬ, АКСЕССУАРЫ И ЭЛЕКТРИЧ. СИСТЕМА

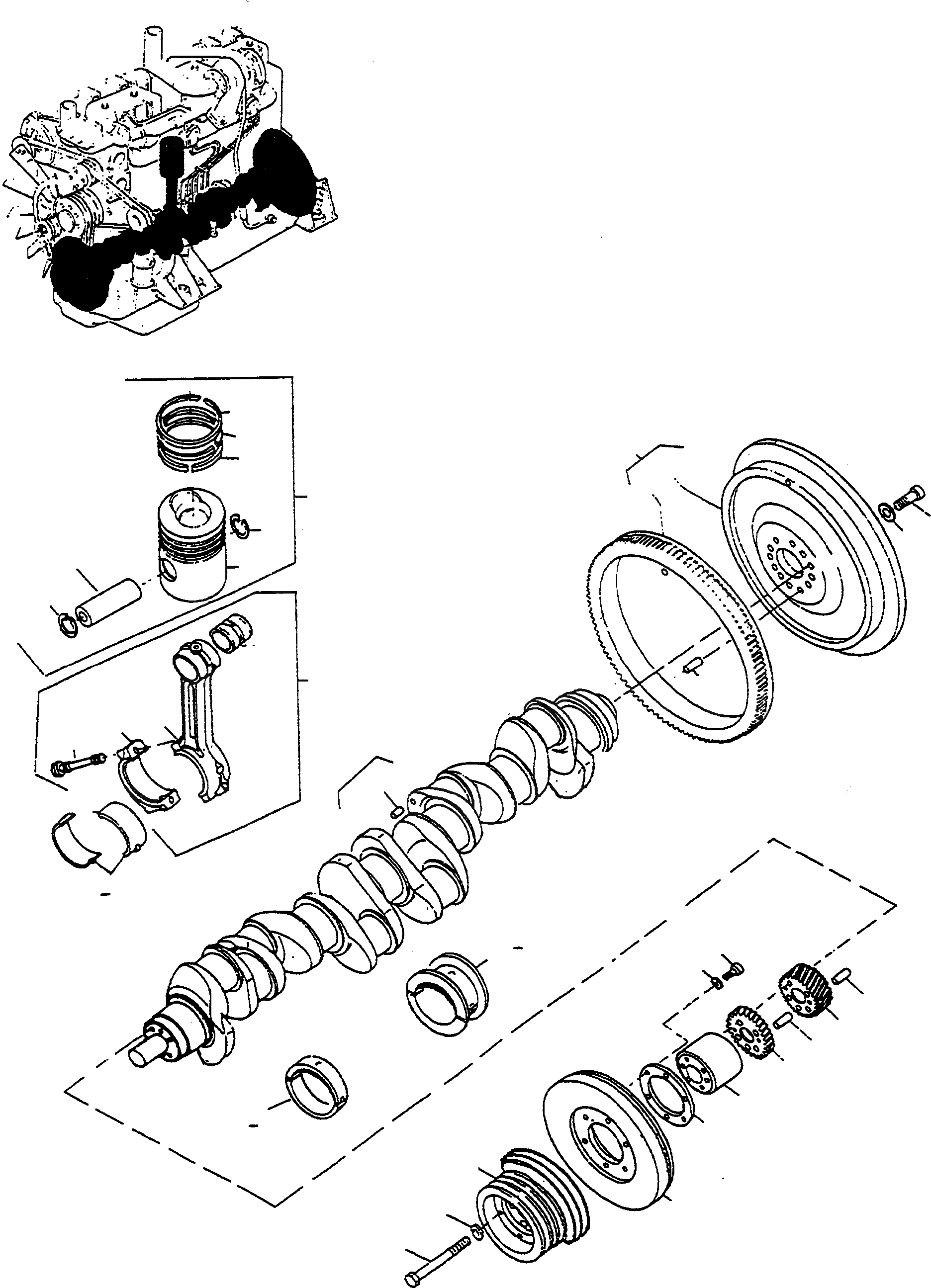
Схема запчастей Komatsu D600D Super - CRANK ASSEMBLY ДВИГАТЕЛЬ, АКСЕССУАРЫ И ЭЛЕКТРИЧ. СИСТЕМА
34
42
43
16A
16B
14
35
4
36
5
37
6
7
31
8
9
33
32
34
24
21
11
22
23
25
1
3
2
26
30
17
38
18
11
10
11
12
13
47
16
20
15
19
FIT
1:1
100%

Артикул

Название

Примечание

Количество

1

3070686M91

CRANKSHAFT

DeutschDesc: KURBELWELLE

1шт.

2

NOT USED

DeutschDesc: NICHT VERWENDET

-1шт.

3

2870948M1

PLUG

DeutschDesc: VERSCHLUSSSTOPFEN

6шт.

4

2987785M91

FLYWHEEL

EnglischBem: SN: - 10 595 121

1шт.

5

2992525M91

FLYWHEEL

DeutschDesc: SCHWUNGRAD

1шт.

6

NOT USED

DeutschDesc: NICHT VERWENDET

-1шт.

7

2871056M1

RING GEAR

EnglischBem: NOTE: Pos. (7) included in Pos. (4) and (5) Kit

1шт.

8

2995609X1

SCREW

DeutschDesc: SCHRAUBE

12шт.

9

2861908M1

PLAIN WASHER

DeutschDesc: UNTERLEGSCHEIBE

12шт.

10

2870944M1

GEAR

EnglischBem: 35 MM

1шт.

11

1444408X1

DOWEL

DeutschDesc: ZYLINDERSTIFT

3шт.

12

2872236M1

GEAR

EnglischBem: 15 MM

1шт.

13

2870951M2

HUB

DeutschDesc: NABE

1шт.

14

2872240M1

DISC

DeutschDesc: SCHEIBE

1шт.

15

2872247M92

DAMPER

DeutschDesc: DAEMPFER

1шт.

16

2987748M1

PULLEY

EnglischBem: Ш 178 MM

1шт.

16A

2987755M1

PULLEY

EnglischBem: SPECIAL EQUIPMENT 2350 1/MIN Ш 191 MM

1шт.

16B

2992717M1

PULLEY

EnglischBem: Ш 165 MM SN: 10 740 001 -

1шт.

17

1444174X1

SCREW

DeutschDesc: SCHRAUBE

6шт.

18

391241X1

SPRING WASHER

DeutschDesc: FEDERRING

6шт.

19

1440900X1

SCREW

DeutschDesc: SCHRAUBE

4шт.

20

1443794X1

SPRING WASHER

DeutschDesc: FEDERRING

4шт.

21

2871197M92

CONROD

DeutschDesc: PLEUELSTANGE

6шт.

22

NOT USED

DeutschDesc: NICHT VERWENDET

-1шт.

23

NOT USED

DeutschDesc: NICHT VERWENDET

-1шт.

24

2871177M1

BUSHING

DeutschDesc: BUCHSE

6шт.

25

2871181M1

SCREW

DeutschDesc: SCHRAUBE

12шт.

26

2871193M91

BEARING

EnglischBem: 85,00 MM

6шт.

27

2871205M91

BEARING

EnglischBem: FOR REPAIR 84,75 MM

6шт.

28

2871206M91

BEARING

EnglischBem: FOR REPAIR 84,50 MM

6шт.

29

2871207M91

BEARING

EnglischBem: FOR REPAIR 84,25 MM

6шт.

30

2871208M1

BEARING

EnglischBem: FOR REPAIR 84,00 MM

6шт.

31

3070746M92

PISTON

DeutschDesc: KOLBEN

6шт.

32

NOT USED

DeutschDesc: NICHT VERWENDET

-1шт.

33

2871241M1

PISTON PIN

DeutschDesc: KOLBENBOLZEN

6шт.

34

1441900X1

CIRCLIP

DeutschDesc: SICHERUNGSRING

12шт.

35

3070737M1

PISTON RING

DeutschDesc: KOLBENRING

6шт.

36

3070738M1

PISTON RING

DeutschDesc: KOLBENRING

6шт.

37

3070739M1

PISTON RING

DeutschDesc: KOLBENRING

6шт.

38

2870835M91

LAPPED BEARING

EnglischBem: 105,00 MM

1шт.

39

2870859M91

LAPPED BEARING

EnglischBem: FOR REPAIR 104,75 MM

1шт.

40

2870860M91

LAPPED BEARING

EnglischBem: FOR REPAIR 104,50 MM

1шт.

41

2870861M91

LAPPED BEARING

EnglischBem: FOR REPAIR 104,25 MM

1шт.

42

2870862M91

LAPPED BEARING

EnglischBem: FOR REPAIR 104,00 MM

1шт.

43

2870836M91

CRANKSHAFT BEARING

EnglischBem: 105,00 MM

6шт.

44

2870863M91

CRANKSHAFT BEARING

EnglischBem: FOR REPAIR 104,75 MM

6шт.

45

2870864M91

CRANKSHAFT BEARING

EnglischBem: FOR REPAIR 104,50 MM

6шт.

46

2870865M91

CRANKSHAFT BEARING

EnglischBem: FOR REPAIR 104,25 MM

6шт.

47

2870866M91

CRANKSHAFT BEARING

EnglischBem: FOR REPAIR 104,00 MM

6шт.

Выбрано товаров: 49