Запчасти Komatsu D600D Super ГОЛОВКА ЦИЛИНДРОВ И ATTACHING ЧАСТИ ДВИГАТЕЛЬ, АКСЕССУАРЫ И ЭЛЕКТРИЧ. СИСТЕМА

Схема запчастей Komatsu D600D Super - ГОЛОВКА ЦИЛИНДРОВ И ATTACHING ЧАСТИ ДВИГАТЕЛЬ, АКСЕССУАРЫ И ЭЛЕКТРИЧ. СИСТЕМА
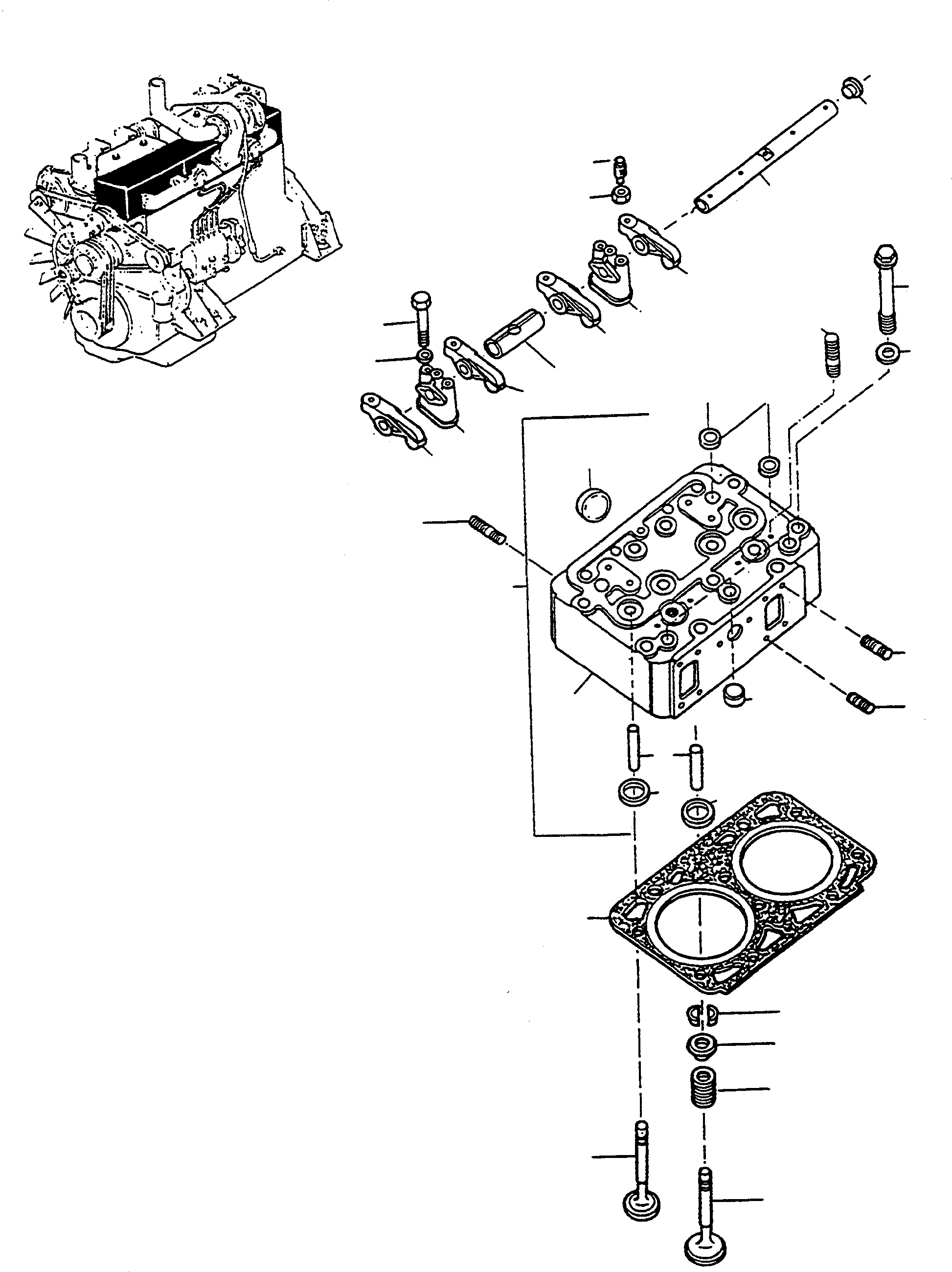
27
5
20
19
28
23
17
29
22
25
21
18
26
24
3
23
22
4
21
15
1
16
2
16
6
7
8
9
12
13
14
10
11
FIT
1:1
100%

Артикул

Название

Примечание

Количество

1

3090236M91

CYLINDER HEAD

DeutschDesc: ZYLINDERKOPF

1шт.

2

NOT USED

DeutschDesc: NICHT VERWENDET

-1шт.

3

2867115M1

COVER

DeutschDesc: DECKEL

-26шт.

4

2867117M1

COVER

DeutschDesc: DECKEL

1шт.

5

1444859X1

COVER

DeutschDesc: DECKEL

1шт.

6

2870991M1

PILOT

DeutschDesc: FUEHRUNG

4шт.

7

2871005M1

VALVE SEAT

DeutschDesc: VENTILSITZ

2шт.

8

3090235M1

VALVE SEAT

DeutschDesc: VENTILSITZ

2шт.

9

2992579M1

HEAD GASKET

EnglischBem: REPAIRS AND REPLACES 3070 733 M1

1шт.

10

2871004M1

EXHAUST VALVE

DeutschDesc: AUSLASSVENTIL

2шт.

11

3090234M1

INTAKE VALVE

DeutschDesc: EINLASSVENTIL

2шт.

12

2870976M1

POPPET

DeutschDesc: VENTILKEGEL

8шт.

13

2870992M1

SPRING SEAT

DeutschDesc: FEDERTELLER

4шт.

14

2871014M1

COMPRESSION SPRING

DeutschDesc: DRUCKFEDER

4шт.

15

2995026X1

STUD BOLT

DeutschDesc: STIFTSCHRAUBE

6шт.

16

2995026X1

STUD BOLT

DeutschDesc: STIFTSCHRAUBE

4шт.

17

2992315M1

SCREW

DeutschDesc: SCHRAUBE

9шт.

18

2871002M1

PLAIN WASHER

DeutschDesc: UNTERLEGSCHEIBE

9шт.

19

2870986M1

ROCKER SHAFT AXLE

DeutschDesc: KIPPHEBELACHSE

1шт.

20

2870987M1

PLUG

DeutschDesc: VERSCHLUSSSTOPFEN

2шт.

21

2870984M1

ROCKER ARM

DeutschDesc: KIPPHEBEL

2шт.

22

2870985M1

ROCKER SOCKET

DeutschDesc: KIPPHEBELBOCK

2шт.

23

2870983M1

ROCKER ARM

DeutschDesc: KIPPHEBEL

2шт.

24

2870988M1

SLEEVE

DeutschDesc: HUELSE

1шт.

25

1444018X1

SCREW

DeutschDesc: SCHRAUBE

4шт.

26

390734X1

PLAIN WASHER

DeutschDesc: UNTERLEGSCHEIBE

4шт.

27

2865157M1

ADJUSTING SCREW

DeutschDesc: EINSTELLSCHRAUBE

4шт.

28

391712X1

NUT

DeutschDesc: MUTTER

4шт.

29

3005319X1

STUD BOLT

DeutschDesc: STIFTSCHRAUBE

4шт.

Выбрано товаров: 29