Запчасти Komatsu D60A-11 КАПОТ И БОКОВ. КРЫШКА ЧАСТИ КОРПУСА

Схема запчастей Komatsu D60A-11 - КАПОТ И БОКОВ. КРЫШКА ЧАСТИ КОРПУСА
FIT
1:1
100%

Артикул

Название

Примечание

Количество

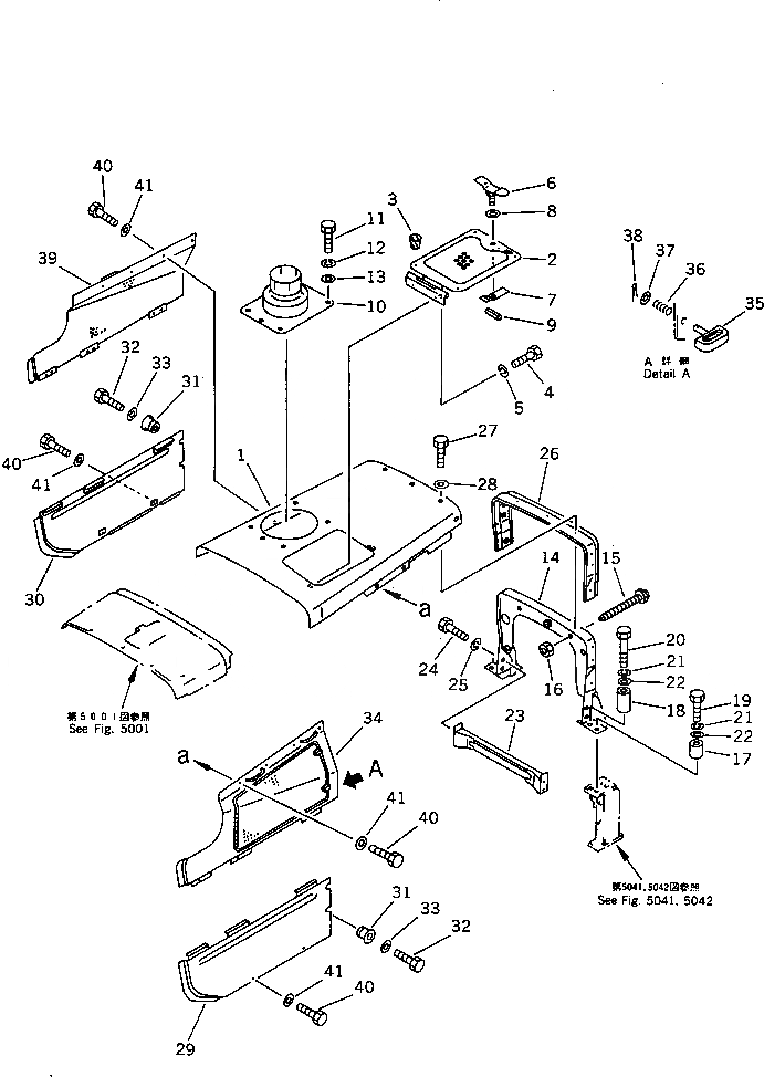
1

144-54-81210

HOOD

SN: 50001-UP

1шт.

2

144-851-1750

COVER

SN: 50001-UP

1шт.

3

07049-01215

PLUG

SN: 50001-UP

4шт.

4

01010-51020

BOLT

SN: 50001-UP

2шт.

5

01602-21030

WASHER,SPRING

SN: 50001-UP

2шт.

6

135-54-31290

HANDLE

SN: 50001-UP

1шт.

7

135-54-31310

STOPPER

SN: 50001-UP

1шт.

8

01643-31032

WASHER

SN: 50001-UP

1шт.

9

04025-00316

PIN,SPRING

SN: 50001-UP

1шт.

10

144-54-71150

COVER

SN: 50001-UP

1шт.

11

01010-51235

BOLT

SN: 50001-UP

5шт.

12

01602-21236

WASHER,SPRING

SN: 50001-UP

5шт.

13

01643-31232

WASHER

SN: 50001-UP

5шт.

14

144-54-24211

FRAME

SN: 50001-UP

1шт.

15

120-43-39361

DAMPER,(FOR D60A)

SN: 50044-UP

2шт.

|15

144-43-81410

DAMPER,(FOR D60A)

SN: 50001-50043

2шт.

|15

120-43-39361

DAMPER,(FOR D65A)

SN: 50050-UP

2шт.

|15

144-43-81410

DAMPER,(FOR D65A)

SN: 50001-50049

2шт.

16

01580-11008

NUT

SN: 50001-UP

2шт.

17

144-54-51270

COLLAR

SN: 50001-UP

6шт.

18

144-54-51280

COLLAR

SN: 50001-UP

2шт.

19

01010-51465

BOLT

SN: 50001-UP

6шт.

20

01010-51495

BOLT

SN: 50001-UP

2шт.

21

01602-21442

WASHER,SPRING

SN: 50001-UP

8шт.

22

01640-21426

WASHER

SN: 50001-UP

8шт.

23

144-54-51220

FRAME

SN: 50001-UP

1шт.

24

01010-51440

BOLT

SN: 50001-UP

4шт.

25

01602-21442

WASHER,SPRING

SN: 50001-UP

4шт.

26

144-54-24230

COVER

SN: 50001-UP

1шт.

27

01010-51235

BOLT

SN: 50001-UP

5шт.

28

01643-31232

WASHER

SN: 50001-UP

5шт.

29

144-54-14650

COVER,L.H.

SN: 50001-UP

1шт.

30

144-54-14662

COVER,R.H.

SN: 50001-UP

1шт.

31

130-54-61230

WASHER

SN: 50001-UP

4шт.

32

01010-51235

BOLT

SN: 50001-UP

4шт.

33

01643-31232

WASHER

SN: 50001-UP

4шт.

|34

144-54-00010

COVER ASS'Y,L.H.

SN: 50001-UP

1шт.

34

0

COVER

SN: 50001-UP

1шт.

35

09459-11033

LOCK

SN: 50001-UP

4шт.

36

09459-01614

SPRING

SN: 50001-UP

4шт.

37

01642-21016

WASHER

SN: 50001-UP

4шт.

38

04050-13015

PIN,COTTER

SN: 50001-UP

4шт.

39

144-54-24620

COVER,R.H.

SN: 50001-UP

1шт.

40

01010-51235

BOLT

SN: 50001-UP

12шт.

41

01643-31232

WASHER

SN: 50001-UP

12шт.

Выбрано товаров: 45