Запчасти Komatsu D60A-8 МАРКИРОВКА (АНГЛ.) (ШУМОПОДАВЛ. ДЛЯ EC) (DA-8A)(№-) ШУМОПОДАВЛ. ДЛЯ EC

Схема запчастей Komatsu D60A-8 - МАРКИРОВКА (АНГЛ.) (ШУМОПОДАВЛ. ДЛЯ EC) (DA-8A)(№-) ШУМОПОДАВЛ. ДЛЯ EC
FIT
1:1
100%

Артикул

Название

Примечание

Количество

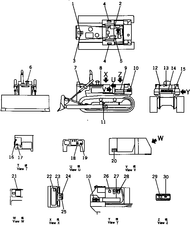
1

09650-30101

PLATE, INSTRUCTION,RADIATOR WATER LEVEL

SN: 45330-UP

1шт.

2

09670-00001

PLATE, OPERATING,WORK EQUIPMENT CONTROL LEVER

SN: 45330-UP

1шт.

3

09668-03000

PLATE, SAFETY,RADIATOR CAP

SN: 45330-UP

1шт.

4

120-54-32451

SHEET,ANTISKID

SN: 45330-UP

2шт.

5

09687-32570

PLATE, OPERATING,MAIN CLUTCH CONTROL LEVER

SN: 45330-UP

1шт.

6

09690-50500

PLATE, MARK,KOMATSU

SN: 45330-UP

1шт.

7

09667-03000

PLATE, SAFETY,ENGINE COVER

SN: 45330-UP

2шт.

8

134-54-35140

PLATE, STRIPE,STRIPE L.H.

SN: 45330-UP

1шт.

8

134-54-35150

PLATE, STRIPE,STRIPE R.H.

SN: 45330-UP

1шт.

9

144-54-75310

PLATE, D60A, L.,D60A, L.H.

SN: 45330-UP

1шт.

10

134-54-35110

PLATE, MARK,KOMATSU SYMBOL

SN: 45330-UP

2шт.

11

09657-03010

PLATE, SAFETY,TRACK SHOE ADJUSTING

SN: 45330-UP

2шт.

12

09652-30101

PLATE, CAUTION,FUEL TANK

SN: 45330-UP

1шт.

13

09656-30080

PLATE, INSTRUCTION,FUEL TANK STRAINER

SN: 45330-UP

1шт.

14

09690-50800

PLATE, MARK,KOMATSU

SN: 45330-UP

1шт.

15

134-54-35170

PLATE, MARK,WHITE BELT

SN: 45330-UP

3шт.

16

09685-00001

PLATE, OPERATING,WORK EQUIPMENT CONTROL LOCK LE

SN: 45330-UP

1шт.

17

09685-00010

PLATE, OPERATING,BRAKE LOCK LEVER

SN: 45330-UP

1шт.

18

08670-12001

INDICATOR,DUST

SN: 45330-UP

1шт.

19

09683-30060

PLATE, OPERATING,STARTING SWITCH

SN: 45330-UP

1шт.

20

09602-01635

PLATE, NAME,(LIMITED SUPPLY)

SN: 45330-UP

1шт.

20

04418-13060

SCREW

SN: 45330-UP

4шт.

21

144-54-51520

CHART, OIL,OIL CHART

SN: 45330-UP

1шт.

22

09674-00005

PLATE, OPERATING,TRANSMISSION CONTROL LEVER

SN: 45330-UP

1шт.

23

09654-03000

PLATE, SAFETY,BEFORE AND AFTER OPERATION

SN: 45330-UP

1шт.

24

09173-03000

PLATE, SAFETY,INSPECTION AND MAINTENANCE

SN: 45330-UP

1шт.

25

09651-03000

PLATE, SAFETY,BEFORE OPERATING

SN: 45330-UP

1шт.

26

09653-03000

PLATE, SAFETY,HYDRAULIC TANK

SN: 45330-UP

1шт.

27

144-54-75320

PLATE, MARK,D60A, R.H.

SN: 45330-UP

1шт.

28

09655-30120

PLATE, INSTRUCTION,OIL FILTER

SN: 45330-UP

1шт.

29

09664-30081

PLATE, SAFETY,BATTERY HANDLING

SN: 45330-UP

2шт.

30

09664-30068

PLATE, SAFETY,BATTERY DISTRIBUTOR

SN: 45330-UP

2шт.

Выбрано товаров: 32