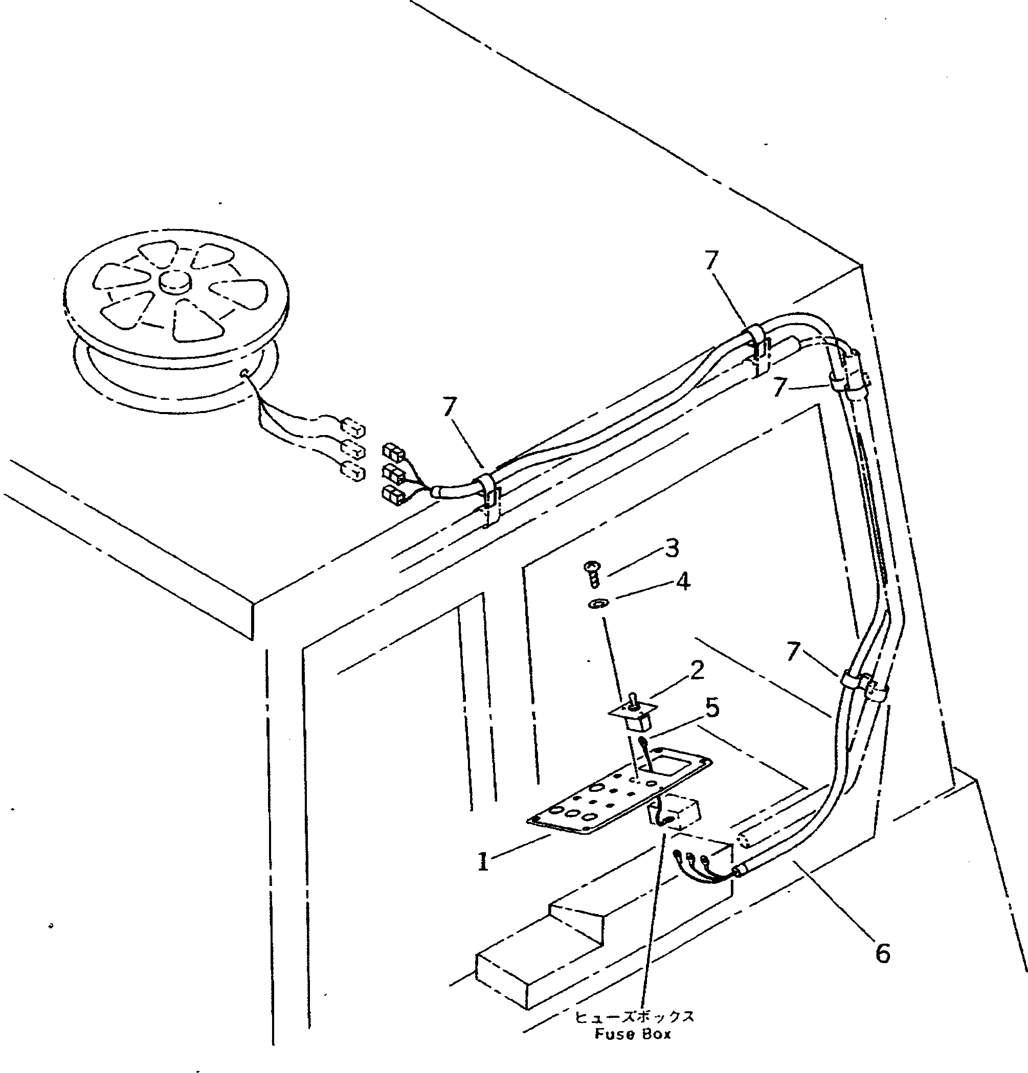
Запчасти Komatsu D60E-8 ЭЛЕКТРИКА (ДЛЯ ВЕНТИЛЯТОР) ЧАСТИ КОРПУСА

Схема запчастей Komatsu D60E-8 - ЭЛЕКТРИКА (ДЛЯ ВЕНТИЛЯТОР) ЧАСТИ КОРПУСА
FIT
1:1
100%

Артикул

Название

Примечание

Количество

1

144-Z79-3210

PLATE,PANEL

SN: 45001-UP

1шт.

2

144-Z79-1530

SWITCH ASS'Y

SN: 45001-UP

1шт.

3

01370-00408

SCREW

SN: 45001-UP

2шт.

4

01601-20410

WASHER,SPRING

SN: 45001-UP

2шт.

5

144-Z79-3230

WIRE

SN: 45001-UP

1шт.

6

144-Z79-3220

WIRE

SN: 45001-UP

1шт.

7

08035-01510

CLIP

SN: 45001-UP

4шт.

Выбрано товаров: 0