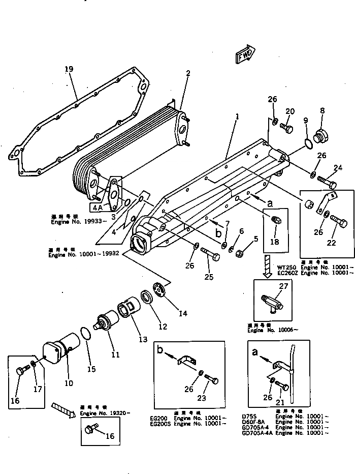
Запчасти Komatsu S6D125-1F СИСТЕМА СМАЗКИ МАСЛООХЛАДИТЕЛЬ СИСТЕМА СМАЗКИ МАСЛ. СИСТЕМА

Схема запчастей Komatsu S6D125-1F - СИСТЕМА СМАЗКИ МАСЛООХЛАДИТЕЛЬ СИСТЕМА СМАЗКИ МАСЛ. СИСТЕМА
FIT
1:1
100%

Артикул

Название

Примечание

Количество

|$0

6151-61-2103

OIL COOLER ASS'Y

SN: 19933-UP

1шт.

|$1

0

OIL COOLER ASS'Y

SN: 10298-19932

1шт.

|$2

6151-61-2101

OIL COOLER ASS'Y

SN: 10006-10297

1шт.

|$3

6151-61-2100

OIL COOLER ASS'Y

SN: 10001-10005

1шт.

1

6150-61-2123

COVER

SN: 19933-UP

1шт.

1

6150-61-2122

COVER

SN: 10298-19932

1шт.

1

6150-61-2121

COVER

SN: 10006-10297

1шт.

1

6150-61-2120

COVER

SN: 10001-10005

1шт.

2

6151-61-2111

ELEMENT

SN: 10006-UP

1шт.

2

6151-61-2110

ELEMENT

SN: 10001-10005

1шт.

3

6150-61-2510

O-RING (K2)

SN: 10001-UP

2шт.

4

6150-61-2520

O-RING

SN: 12585-19932

4шт.

4

6150-61-2520

O-RING (K2)

SN: 10001-12584

4шт.

4A

6150-61-2560

GASKET (K2)

SN: 19933-UP

2шт.

5

01582-11008

NUT

SN: 10001-UP

4шт.

6

01602-21030

WASHER,SPRING

SN: 10001-UP

4шт.

7

01640-21016

WASHER

SN: 10001-UP

4шт.

8

6150-61-2530

PLUG

SN: 10001-UP

1шт.

9

6150-61-2550

O-RING (K2)

SN: 10001-UP

1шт.

10

6150-61-2131

COVER

SN: 10006-UP

1шт.

10

6150-61-2130

COVER

SN: 10001-10005

1шт.

11

6150-61-2620

THERMOSTAT

SN: 10001-UP

1шт.

12

6150-61-2540

SEAL (K2)

SN: 10001-UP

1шт.

13

6150-61-2141

CASE

SN: 10006-UP

1шт.

13

6150-61-2140

CASE

SN: 10001-10005

1шт.

14

6150-61-2151

PLATE

SN: 10006-UP

1шт.

14

6150-61-2150

PLATE

SN: 10001-10005

1шт.

15

07000-63042

O-RING (K2)

SN: 10001-UP

1шт.

16

01435-00825

BOLT

SN: 19320-UP

2шт.

16

01010-50825

BOLT

SN: 10001-19319

2шт.

17

01640-20816

WASHER

SN: 10001-19319

2шт.

18

07042-00312

PLUG

SN: 10001-10005

1шт.

19

6150-61-2812

GASKET (K2)

SN: 22230-UP

1шт.

19

0

GASKET (K2)

SN: 10006-22229

1шт.

19

6150-61-2810

GASKET

SN: 10001-10005

1шт.

20

01010-51025

BOLT

SN: 10001-UP

12шт.

21

01010-51030

BOLT

SN: 10001-UP

1шт.

24

01010-51065

BOLT

SN: 10001-UP

2шт.

25

01010-51080

BOLT

SN: 10006-UP

2шт.

25

01010-51070

BOLT

SN: 10001-10005

2шт.

26

01640-21016

WASHER

SN: 10001-UP

17шт.

27

6140-61-6512

VALVE

SN: 10006-UP

1шт.

|$0

6151-61-2103

OIL COOLER ASS'Y

SN: 19933-UP

1шт.

|$1

0

OIL COOLER ASS'Y

SN: 10298-19932

1шт.

|$2

6151-61-2101

OIL COOLER ASS'Y

SN: 10006-10297

1шт.

|$3

6151-61-2100

OIL COOLER ASS'Y

SN: 10001-10005

1шт.

1

6150-61-2123

COVER

SN: 19933-UP

1шт.

1

6150-61-2122

COVER

SN: 10298-19932

1шт.

1

6150-61-2121

COVER

SN: 10006-10297

1шт.

1

6150-61-2120

COVER

SN: 10001-10005

1шт.

2

6151-61-2111

ELEMENT

SN: 10006-UP

1шт.

2

6151-61-2110

ELEMENT

SN: 10001-10005

1шт.

3

6150-61-2510

O-RING (K2)

SN: 10001-UP

2шт.

4

6150-61-2520

O-RING

SN: 12585-19932

4шт.

4

6150-61-2520

O-RING (K2)

SN: 10001-12584

4шт.

4A

6150-61-2560

GASKET (K2)

SN: 19933-UP

2шт.

5

01582-11008

NUT

SN: 10001-UP

4шт.

6

01602-21030

WASHER,SPRING

SN: 10001-UP

4шт.

7

01640-21016

WASHER

SN: 10001-UP

4шт.

8

6150-61-2530

PLUG

SN: 10001-UP

1шт.

9

6150-61-2550

O-RING (K2)

SN: 10001-UP

1шт.

10

6150-61-2131

COVER

SN: 10006-UP

1шт.

10

6150-61-2130

COVER

SN: 10001-10005

1шт.

11

6150-61-2620

THERMOSTAT

SN: 10001-UP

1шт.

12

6150-61-2540

SEAL (K2)

SN: 10001-UP

1шт.

13

6150-61-2141

CASE

SN: 10006-UP

1шт.

13

6150-61-2140

CASE

SN: 10001-10005

1шт.

14

6150-61-2151

PLATE

SN: 10006-UP

1шт.

14

6150-61-2150

PLATE

SN: 10001-10005

1шт.

15

07000-63042

O-RING (K2)

SN: 10001-UP

1шт.

16

01435-00825

BOLT

SN: 19320-UP

2шт.

16

01010-50825

BOLT

SN: 10001-19319

2шт.

17

01640-20816

WASHER

SN: 10001-19319

2шт.

18

07042-00312

PLUG

SN: 10001-10005

1шт.

19

6150-61-2812

GASKET (K2)

SN: 22230-UP

1шт.

19

0

GASKET (K2)

SN: 10006-22229

1шт.

19

6150-61-2810

GASKET

SN: 10001-10005

1шт.

20

01010-51025

BOLT

SN: 10001-UP

12шт.

21

01010-51030

BOLT

SN: 10001-UP

1шт.

24

01010-51065

BOLT

SN: 10001-UP

2шт.

25

01010-51080

BOLT

SN: 10006-UP

2шт.

25

01010-51070

BOLT

SN: 10001-10005

2шт.

26

01640-21016

WASHER

SN: 10001-UP

17шт.

27

6140-61-6512

VALVE

SN: 10006-UP

1шт.

Выбрано товаров: 84