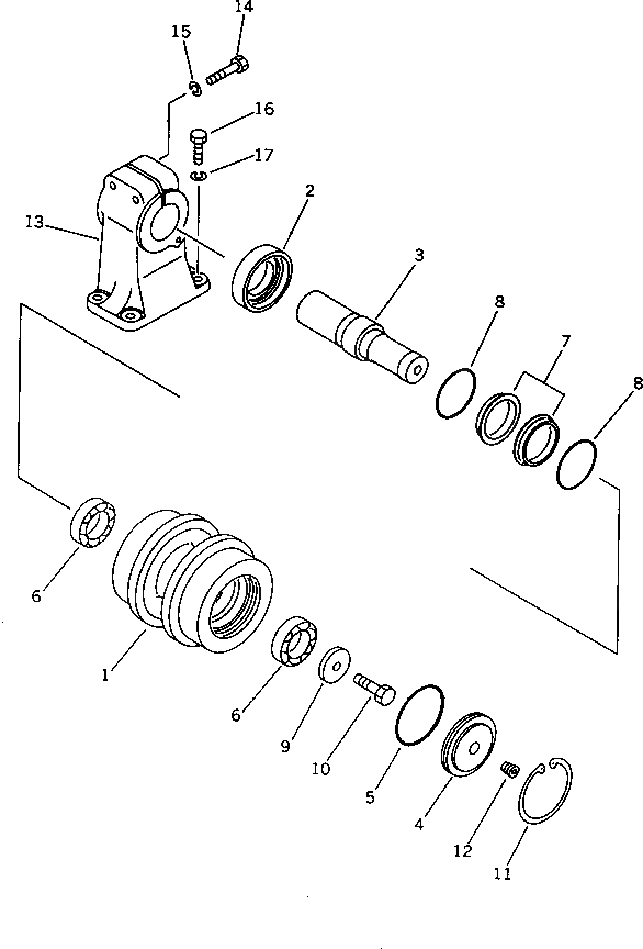
Запчасти Komatsu D60P-11 ПОДДЕРЖИВАЮЩИЙ КАТОК(№7-) ГУСЕНИЦЫ

Схема запчастей Komatsu D60P-11 - ПОДДЕРЖИВАЮЩИЙ КАТОК(№7-) ГУСЕНИЦЫ
FIT
1:1
100%

Артикул

Название

Примечание

Количество

|1

14X-30-00140

CARRIER ROLLER ASS'Y

SN: 51617-UP

4шт.

1

14X-30-15211

ROLLER

SN: 51617-UP

1шт.

|1

14X-30-00170

SHAFT ASS'Y

SN: 51617-UP

1шт.

2

14X-30-15121

RING

SN: 51617-UP

1шт.

3

14X-30-15221

SHAFT

SN: 51617-UP

1шт.

4

14X-30-15131

COVER

SN: 51617-UP

1шт.

5

07000-12105

O-RING

SN: 51617-UP

1шт.

6

14X-30-15240

BEARING

SN: 51617-UP

2шт.

|7

141-30-00616

FLOATING SEAL ASS'Y

SN: 50001-UP

1шт.

7

0

RING,SEAL

SN: 50001-UP

2шт.

8

0

O-RING

SN: 50001-UP

2шт.

9

14X-30-15251

HOLDER

SN: 51617-UP

1шт.

10

01010-51630

BOLT

SN: 51617-UP

1шт.

11

04065-01154

RING,SNAP

SN: 51617-UP

1шт.

12

2991-01-4160

PLUG

SN: 51617-UP

1шт.

13

141-30-35181

SUPPORT

SN: 51617-UP

4шт.

14

01010-51885

BOLT

SN: 51617-UP

8шт.

15

01602-21854

WASHER,SPRING

SN: 51617-UP

8шт.

16

01010-51645

BOLT

SN: 51617-UP

16шт.

17

01602-21648

WASHER,SPRING

SN: 51617-UP

16шт.

Выбрано товаров: 0