Запчасти Komatsu D60P-11D ПОЛ КАБИНЫ(№9-) ЧАСТИ КОРПУСА

Схема запчастей Komatsu D60P-11D - ПОЛ КАБИНЫ(№9-) ЧАСТИ КОРПУСА
FIT
1:1
100%

Артикул

Название

Примечание

Количество

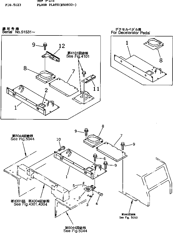
1

144-54-82311

FLOOR

SN: 51531-UP

1шт.

|1

0

FLOOR

SN: 50932-51530

1шт.

|1

144-54-82410

FLOOR,(FOR DECELERATOR PEDAL)

SN: 50932-UP

1шт.

|1

144-54-83530

SEAL

SN: 50932-UP

4шт.

2

144-54-82380

COVER

SN: 51531-UP

1шт.

|2

0

COVER

SN: 50932-51530

1шт.

|2

144-54-82510

SHEET

SN: 51531-UP

1шт.

3

141-54-12290

SPRING

SN: 50932-UP

1шт.

4

04205-10616

PIN

SN: 50932-UP

2шт.

5

04050-11610

PIN,COTTER

SN: 50932-UP

2шт.

6

01439-01020

BOLT

SN: 50932-UP

2шт.

7

144-54-82361

FLOOR

SN: 51531-UP

1шт.

|7

144-54-82360

FLOOR

SN: 50932-51530

1шт.

|7

144-54-83530

SEAL

SN: 50932-UP

2шт.

8

144-54-82321

FLOOR

SN: 51531-UP

1шт.

|8

0

FLOOR

SN: 50932-51530

1шт.

|8

144-54-82420

FLOOR,(FOR DECELERATOR PEDAL)

SN: 50932-UP

1шт.

|8

144-54-83530

SEAL

SN: 50932-UP

1шт.

9

01439-01220

BOLT

SN: 50932-UP

12шт.

10

01439-01225

BOLT

SN: 50932-UP

5шт.

11

144-54-82550

BRACKET

SN: 51531-UP

1шт.

12

144-54-82560

BRACKET

SN: 51531-UP

1шт.

Выбрано товаров: 0