Запчасти Komatsu D60P-12-E ЗАЩИТА КАТКОВ (ПОЛН. ЗАЩИТА) ХОДОВАЯ

Схема запчастей Komatsu D60P-12-E - ЗАЩИТА КАТКОВ (ПОЛН. ЗАЩИТА) ХОДОВАЯ
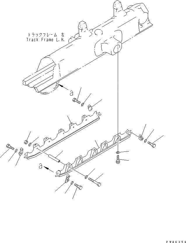
1
2
3
4
5
6
7
8
8
9
9
10
10
11
11
11
11
12
12
12
12
FIT
1:1
100%

Артикул

Название

Примечание

Количество

1

14Y-30-26210

GUARD,L.H.

SN: 65001-UP

2шт.

|1

14Y-30-16212

GUARD,L.H.

SN: 60884-65000

2шт.

2

14Y-30-26220

GUARD,R.H.

SN: 65001-UP

2шт.

|2

14Y-30-16222

GUARD,R.H.

SN: 60884-65000

2шт.

3

01010-81840

BOLT

SN: 60884-UP

20шт.

4

01643-31845

WASHER

SN: 60884-UP

20шт.

5

14X-30-26230

COLLAR

SN: 65001-UP

10шт.

|5

14X-30-16230

COLLAR

SN: 60884-65000

10шт.

6

09205-18325

BOLT

SN: 65001-UP

10шт.

|6

09205-18310

BOLT

SN: 60884-65000

10шт.

7

01580-11815

NUT

SN: 60884-UP

10шт.

8

01643-31845

WASHER

SN: 60884-UP

20шт.

9

130-30-12170

PLATE

SN: 60884-UP

4шт.

10

130-30-12180

PLATE

SN: 60884-UP

4шт.

11

01010-81230

BOLT

SN: 60884-UP

16шт.

12

01643-31232

WASHER

SN: 60884-UP

16шт.

Выбрано товаров: 0