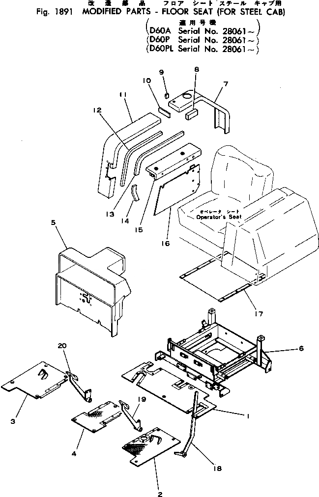
Запчасти Komatsu D60P-6 MODIFIED ЧАСТИ-ПОЛ СИДЕНЬЕ (ДЛЯ СТАЛЬНАЯ КАБИНА)(№8-) ОПЦИОННЫЕ КОМПОНЕНТЫ

Схема запчастей Komatsu D60P-6 - MODIFIED ЧАСТИ-ПОЛ СИДЕНЬЕ (ДЛЯ СТАЛЬНАЯ КАБИНА)(№8-) ОПЦИОННЫЕ КОМПОНЕНТЫ
FIT
1:1
100%

Артикул

Название

Примечание

Количество

1

144-929-2411

PLATE

SN: 28061-UP

1шт.

2

144-929-2431

PLATE

SN: 28061-UP

1шт.

3

144-929-2420

PLATE

SN: 28061-UP

1шт.

4

144-929-2440

PLATE

SN: 28061-UP

1шт.

5

144-929-2452

DASHBOARD

SN: 28061-UP

1шт.

|5

131-06-44410

SEAT

SN: 28061-UP

2шт.

6

144-929-2463

FRAME

SN: 28061-UP

1шт.

7

144-929-2471

COVER

SN: 28061-UP

1шт.

8

144-929-2480

SEAT

SN: 28061-UP

1шт.

9

144-999-7530

SEAT

SN: 28061-UP

1шт.

10

144-999-7540

SEAT

SN: 28061-UP

1шт.

11

144-929-2491

COVER

SN: 28061-UP

1шт.

12

144-999-7580

SEAT

SN: 28061-UP

1шт.

13

144-929-2510

SEAT

SN: 28061-UP

1шт.

14

144-929-2520

SEAT

SN: 28061-UP

1шт.

15

144-929-2530

COVER

SN: 28061-UP

1шт.

16

144-929-2540

BOX

SN: 28061-UP

1шт.

17

144-929-2553

PLATE

SN: 28061-UP

1шт.

18

144-929-2610

LEVER

SN: 28061-UP

1шт.

19

144-929-2620

LEVER

SN: 28061-UP

1шт.

20

144-929-2630

LEVER

SN: 28061-UP

1шт.

Выбрано товаров: 21