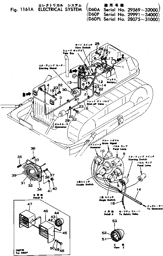
Запчасти Komatsu D60P-6 ЭЛЕКТРИКА(№999-) КОМПОНЕНТЫ ДВИГАТЕЛЯ И ЭЛЕКТРИКА

Схема запчастей Komatsu D60P-6 - ЭЛЕКТРИКА(№999-) КОМПОНЕНТЫ ДВИГАТЕЛЯ И ЭЛЕКТРИКА
FIT
1:1
100%

Артикул

Название

Примечание

Количество

1

144-06-24231

CABLE

SN: 29991-34000

1шт.

2

144-06-24231

CABLE

SN: 29991-@

1шт.

3

144-06-24141

CABLE

SN: 29991-34000

1шт.

4

144-804-6210

CABLE

SN: 29991-34000

1шт.

|4

144-06-24152

CABLE

SN: 20000-20000

1шт.

5

144-06-24191

WIRE

SN: 29991-@

1шт.

6

144-06-24222

WIRE

SN: 29991-@

1шт.

7

144-06-14460

WIRE

SN: 29991-@

1шт.

8

144-06-24181

CABLE

SN: 29991-34000

1шт.

9

144-06-24520

WIRE

SN: 29991-@

1шт.

10

144-06-24530

WIRE

SN: 29991-@

1шт.

11

144-06-24540

WIRE

SN: 29991-@

1шт.

12

144-06-24133

WIRE ASS'Y

SN: 29991-34000

1шт.

13

144-06-24122

WIRE ASS'Y

SN: 29991-34000

1шт.

14

144-06-24115

WIRE ASS'Y

SN: 29991-34000

1шт.

15

144-06-14610

WIRE ASS'Y

SN: 29991-34000

1шт.

16

144-06-24162

WIRE ASS'Y

SN: 29991-34000

1шт.

17

141-06-34321

WIRE

SN: 29991-@

1шт.

18

144-06-24171

CABLE

SN: 29991-34000

1шт.

19

08036-10814

CLIP

SN: 29991-34000

8шт.

20

08036-11214

CLIP

SN: 29991-34000

6шт.

21

08036-01414

CLIP

SN: 29991-34000

1шт.

22

01010-31016

BOLT

SN: 29991-34000

8шт.

23

01602-01030

WASHER

SN: 29991-34000

8шт.

24

08088-10000

SWITCH,BATTERY RELAY

SN: 29991-@

1шт.

25

01010-30818

BOLT

SN: 29991-@

2шт.

26

01602-00825

WASHER

SN: 29991-@

2шт.

27

01580-00806

NUT

SN: 29991-@

2шт.

28

08038-00035

CAP

SN: 29991-@

6шт.

29

08038-00519

CAP

SN: 29991-@

4шт.

30

08038-02027

CAP

SN: 29991-@

1шт.

|31

144-06-13102

HEAD LAMP ASS'Y,L.H.

SN: 20000-20000

1шт.

|31

144-826-1160

HEAD LAMP ASS'Y,L.H. (FOR COLD WEATHER)

SN: 20000-20000

1шт.

|31

144-06-13202

HEAD LAMP ASS'Y,R.H.

SN: 20000-20000

1шт.

|31

144-826-1120

HEAD LAMP ASS'Y,R.H. (FOR COLD WEATHER)

SN: 20000-20000

1шт.

31

144-06-13311

LAMP

SN: 20000-20000

1шт.

32

08113-02480

BULB¤ 80W

SN: 20000-20000

1шт.

33

144-06-13330

HOLDER

SN: 20000-20000

1шт.

34

144-06-13130

BRACKET,L.H.

SN: 20000-20000

1шт.

|34

144-06-13220

BRACKET,R.H.

SN: 20000-20000

1шт.

35

131-06-43230

SCREW

SN: 20000-20000

4шт.

36

144-06-13150

SPRING

SN: 20000-20000

2шт.

37

01210-40408

SCREW

SN: 20000-20000

1шт.

38

01601-00410

WASHER

SN: 20000-20000

1шт.

39

144-06-13120

GUARD

SN: 20000-20000

2шт.

40

01580-00605

NUT

SN: 20000-20000

4шт.

41

01602-00619

WASHER

SN: 20000-20000

4шт.

42

08128-32400

LAMP

SN: 29991-@

2шт.

43

08113-02480

BULB¤ 80W

SN: 29991-@

1шт.

44

08128-00003

HOLDER

SN: 29991-@

1шт.

45

08037-01008

GROMMET

SN: 29991-@

2шт.

46

144-804-6110

BRACKET

SN: 29991-@

1шт.

47

144-804-6120

BRACKET

SN: 29991-@

1шт.

48

01010-31225

BOLT

SN: 29991-@

6шт.

49

01602-01236

WASHER

SN: 29991-@

6шт.

50

01643-31232

WASHER

SN: 29991-@

6шт.

51

08128-02400

HEAD LAMP ASS'Y

SN: 29991-@

1шт.

52

08113-02480

BULB¤ 80W

SN: 29991-@

1шт.

53

08128-00003

HOLDER

SN: 29991-@

1шт.

Выбрано товаров: 0